液晶电视开机过程中突然自动停机的故障分析与维修

2022-04-28 18:52:23  阅读 1684 次 评论 0 条
摘要:

本篇章主要讨论的是液晶彩电自动停机仅指在开机过程中突然停机,或在收看中突然声光全无,重新开机后故障会再次出现。此类故障涉及面广,下面谈谈这类故障的原因及检修方法,供参考。 一、故障原因分析

       本篇章主要讨论的是液晶彩电自动停机仅指在开机过程中突然停机,或在收看中突然声光全无,重新开机后故障会再次出现。此类故障涉及面广,下面谈谈这类故障的原因及检修方法,供参考。

一、故障原因分析

       液晶彩电自动停机故障可分为两类:第-类是自动停机后待机指示灯不亮,这类故障通常说明待机电源有问题,理由是因为待机指示灯由待机电源提供的3V3BST或5VBST电源供电,而待机指示灯本身及待机指示灯控制电路的故障概率极低。

       第二类是自动停机后待机指示灯亮(这类故障基本说明待机电源正常):如果故障出现在开机过程中,其原因有:(1) 系统MBOOT(引导程序)或主程序有问题;(2)用户存储器工作异常;(3)程序FLASH存储器工作异常;(4)DDR存储器工作异常:(5)主芯片(MCU)的三个工作条件(电源、复位、时钟)存在问题;(6)PC总线上所挂元器件(含PC总线上拉电阻或总线供电电压)存在问题;(7)开机上电时序错误。若收看中突然声光全无,其原因有:(1)重要元器件热稳定性差或引脚虚焊;(2)重要线路铜箔(含过孔)接触不良或漏电;(3 )相关电路过压或过流保护电路动作。


二、检修方法说明

       该故障检修方法是一看、二测、三查相结合。一看就是看自动停机是发生在哪个阶段,待机指示灯是否点亮元器件有无接触不良现象。比如,若自动停机后待机指示灯不亮,那肯定是待机电源(含待机电压传输电路)或市电输入电路有故障。再比如,怀疑故障是接触不良问题所导致时,可振动或用橡皮锤轻敲所怀疑的电路板,观察故障是否马上出现来确认。二测,主是测量相关关键点电压,如CPU的三个工作条件,过流或过压保护取样电压。三查,就是为了确定故障点所必须做的检查,如检查元件(特别是大功率元器件)的焊点有无虚焊,过孔是否断路等。另外,当系统在运行开机程序时自动停机,这时可利用电脑和编程器查看开机打印信息,以快速确定故障原因。


三、故障检修实例

例1:一台TCL L32F19型机,开机出现厂标时立即停机,红色待机指示灯亮。

分析检修:油于该故障具有规律性,所以可排除接触不良的可能性。首先对系统进行软件升级,故障依旧;接下来,检查CPU的三个工作条件,未发现异常;最后怀疑程序存储器U002(MX25L3205D)有问题。换上一块存有原始数据的W25Q32型存储器后试机,故障排除。

例2:一台TCL L42P11FE型机,收看中不定期突然停机,待机指示灯亮。

分析检修:在故障出现时测得3V3STB待机电压正常,其余电压都为0V。拔下电源板输出插头,接上假负载后强制启动开关电源,+24V输出电压正常,由此判断问题出在主板上。在未停机前,测量主板上各DC-DC电路的输入、输出电压及SDM、SCL端电压,发现SDA端电压偏低。经查,SDA线路中的一个过孔L接触不良。用导线连接后试机,故障排除。

例3:一台TCL L42V6200DGE型机,热机(开机约1h)后自动停机。

分析检修:分析认为,故障应是某元件热稳定性差所致。在自动停机后,测主芯片U1(MSD6148TXA)的3V3STB供电电压、时钟电压和复位电压,发现除复位电压在0V~1.2V内波动外,其余正常。该机的复位电路如图1所示,开机时3V3STB电压经复合二极管D1101的③、②脚加至Q1101e极,并对电容C1137充电。与此同时,3V3STB电压还经电阻R1181对电容C1138充电。当Q1101 的e、b极间电压大于0.7V时,Q1101导通,c极呈高电平,经R1184加至U1复位端H6脚。随着C1138两端电压上升,当Q1101的e.b极间电压低于0.7V时,Q1101截止,c极呈低电平复位结束。检查上述电路,发现C1138漏电,将其换新后试机,故障排除。

液晶电视开机过程中突然自动停机的故障分析与维修 第1张

例4:一台TCL L46P11FBDEG型机,不定时自动停机,停机后待机指示灯亮。

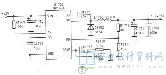
分析检修:在故障 出现时,测得主板上P1701的10脚没有开机高电平信号(正常时约+3V电压),将3V3STB待机电压通过一只1k电阻接至P1701 10脚,模拟开机,此时测量主板上DC/DC转换块的输出电压,发现U1702(MP1484)输出的1.2V内核电压波动,当降到0.8V时,突然变为0V。判断U1702负载或本身有问题,相关电路如图2所示。

液晶电视开机过程中突然自动停机的故障分析与维修 第2张

       手摸电容C1716有明显温升,焊下检测,漏电明显。更换C1716后开机,故障排除。

例5:一台TCLC40E320B型机,热机后自动停机,红色待机指示灯亮。

分析检修:自动停机后,测主芯片U501(MST6M181VS )的3V3STB供电电压、时钟电压、复位电压和总线电压均正常。为判断故障部位,用吹风机加热怀疑元件,当加热至主芯片U501时,十几秒后故障就出现,据此判断U501性能不良。更换U501后试机,故障排除。

例6:一台TCL C40E320B型机,不定时自动停机,红色待机指示灯亮。

分析检修:在故障出现后,测得主电源输出的+24V电压为0V。进一步检查,发现在故障出现时,主电源开关管QW1源极电压达0.3V,该电压值足以使控制芯片U101(FAN6754)启动过流保护。检查QW1源极电路,如图3所示,发现过流保护取样电阻R110(0.150)、R111(472)引脚焊点有裂纹。补焊后开机,故障排除。

液晶电视开机过程中突然自动停机的故障分析与维修 第3张

版权声明:本文为转载文章,版权归原作者所有,欢迎分享本文,转载请保留出处!