长虹VLC8200 2.50电源板是力铭公司生产的配合奇美V315B3-LN1液晶屏的专用电源板,由开关电源和背光灯逆变器两部分组成,俗称IP板,应用于长虹LS23机芯LT42710FHD、L132710等液晶彩电中。长虹VLC82002. 50二合一电源板实物图解如图1所示;电路组成框图如图2所示。
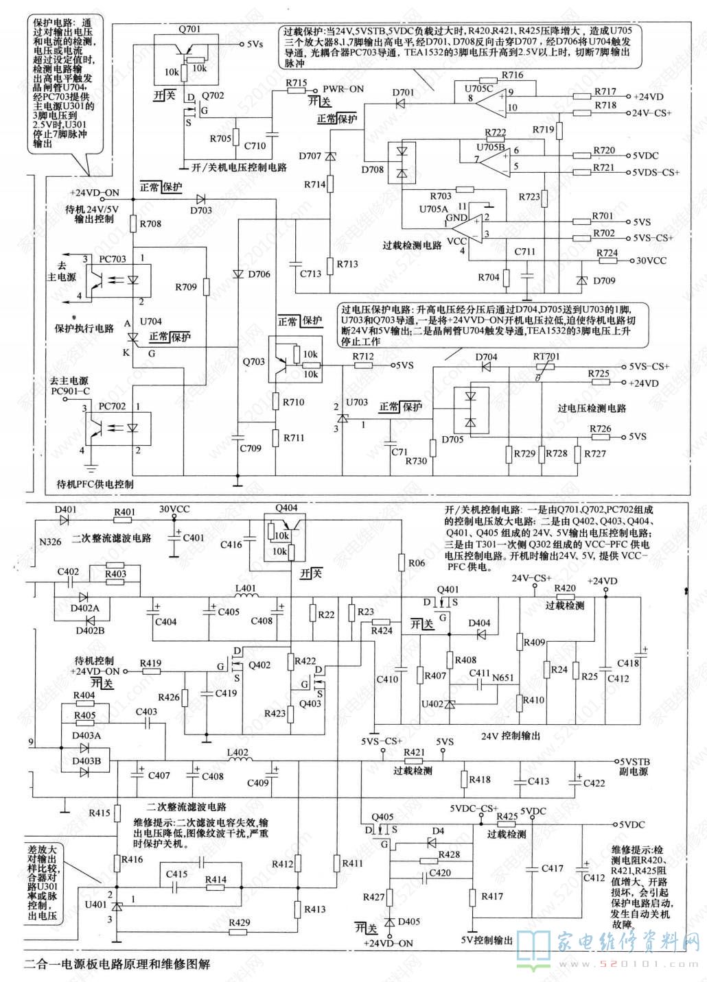
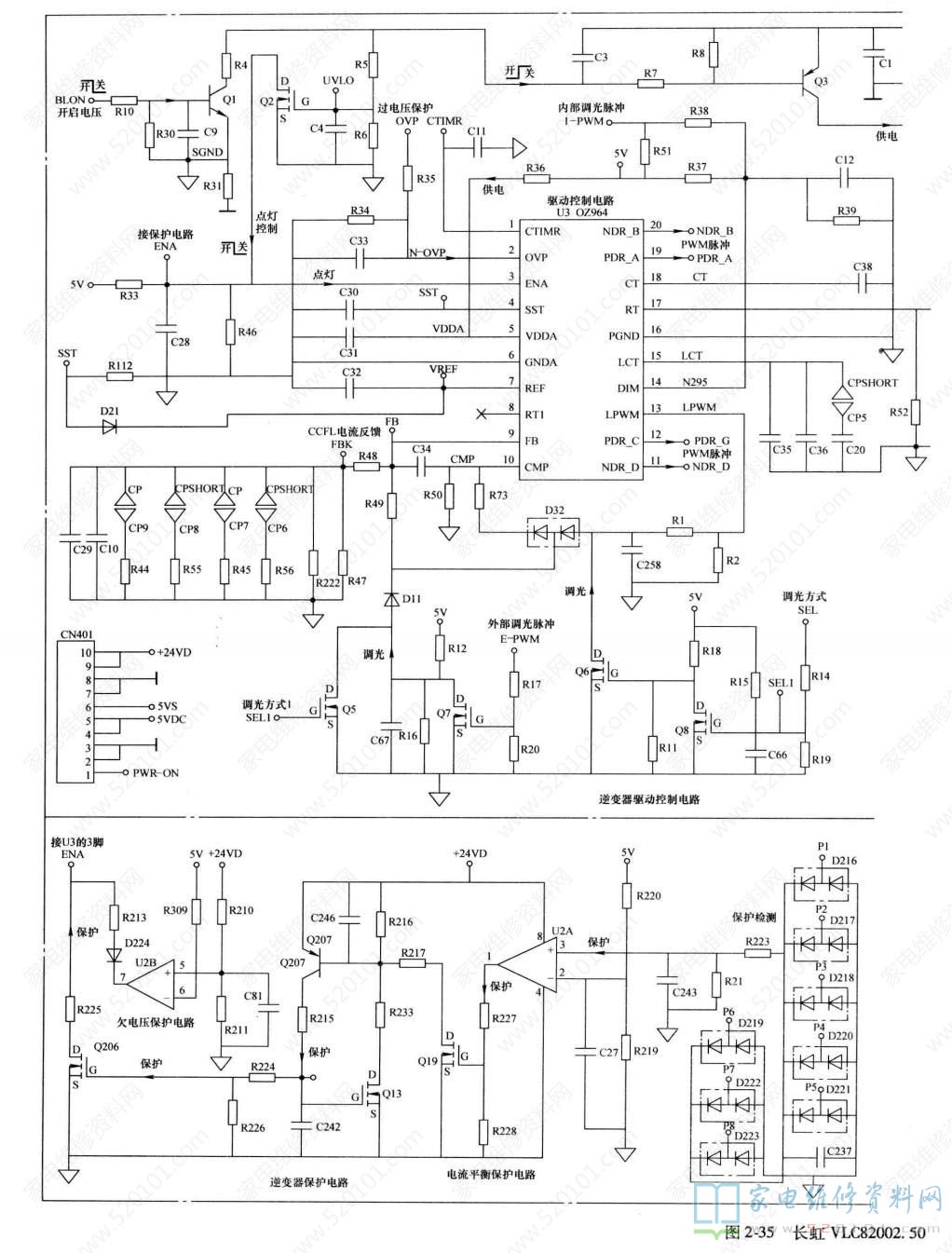
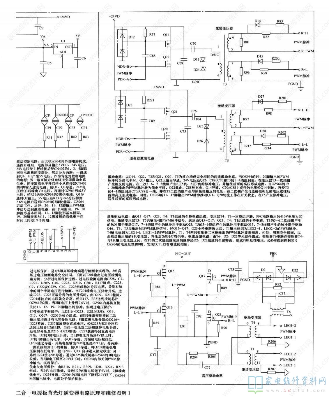
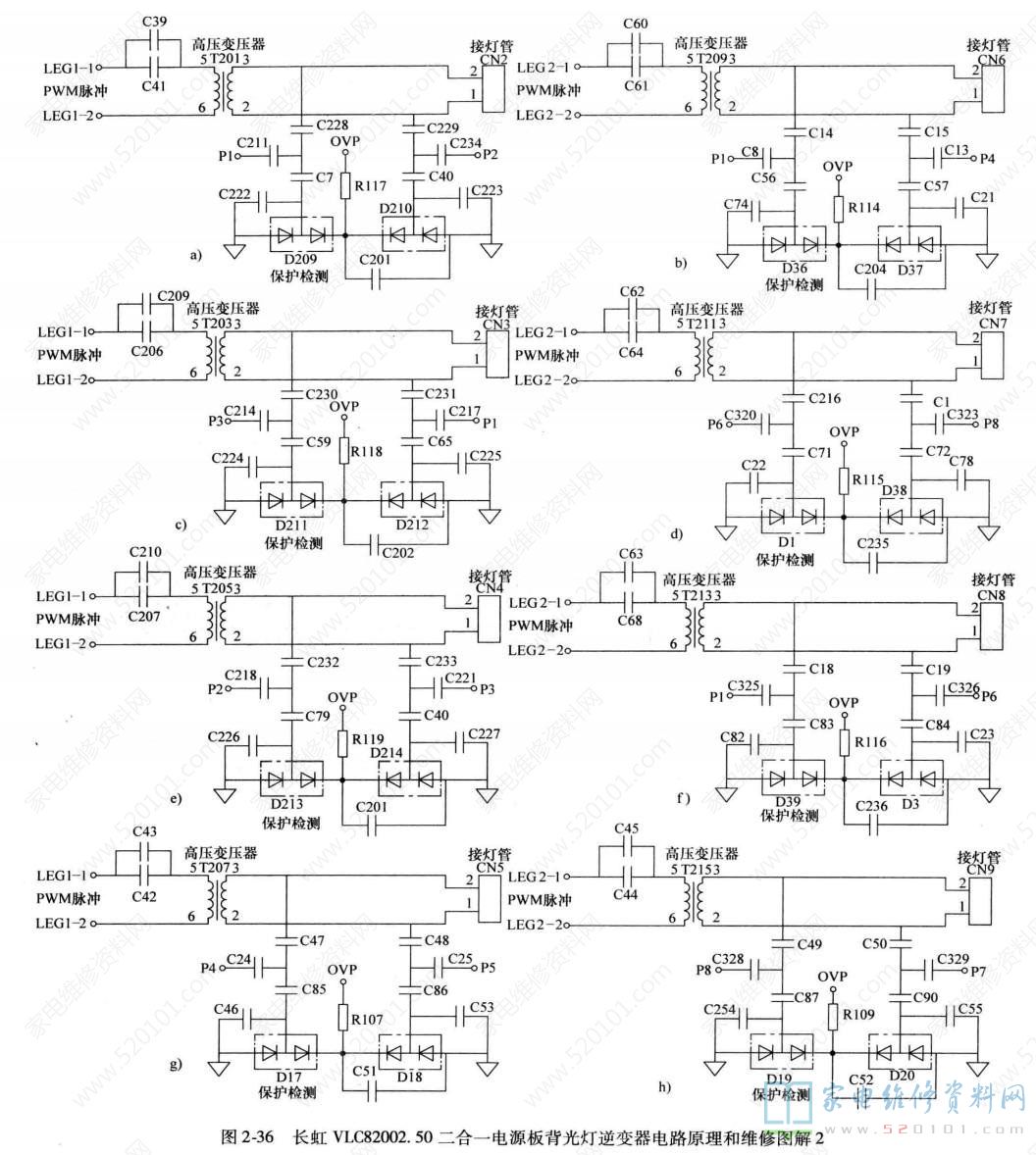
该电源板由三部分组成: 一是以IEC2PCS02 (U601) 为核心组成的PFC电路,输出+410V电压;二是以TEA1532 (U301) 为核心组成的主电源电路,为主电路板提供5VSTB、5VDC、 24V电压,其中sVSTB为主板控制系统供电,经开关机电路控制后的24V和5VDC电压为主板提供电源,同时24V再经主板转接后输出送回至电源板,提供给逆变部分使用;三是以OZ964(U3) 为核心组成的背光灯逆变器电路,输出8组高压分别提供给液晶屏内部8根灯管,灯管被点亮。开关机控制电路由MOSFET组成,控制主电源二次侧的24V、5V电压输出的方式,在待机状态下,副电源正常输出5VSTB,维持控制系统供电。该电源板还设有以集成电路LM324 (U705)为核心组成的过电流检测、过电压检测和过热检测保护电路,保护电路启动时,开关电源停止工作。该电源 板的集成电路引脚功能和对地电压见表1;输出连接器CN401、CN402引脚功能见表2。
长虹VLC82002. 50二合-电源板引起的故障主要有三种:一是指示灯不亮, 多为电源部分故障;二是指示灯亮,无图无声,主要是电源+24V、+5V 供电电路故障;三是有声无光,则是背光灯逆变器故障。建议拔掉与主电路板的连接器,将电源板拆下维修:一是在 24V输出端接假负载;二是将连接器CN401的6脚5VSTB输出端与1脚PWP-ON开/待机控制端短接,模拟开机对电源部分电路进行检查。测连接器CN401的6脚输出的5VSTB电压是否正常,如果无5VSTB电压输出,则是电源部分故障;如果有电压输出,则是开关机控制电路或连接器故障。电源部分维修提示如下:
1.无5VSTB电压输出
先查F001或RT001之一是否烧断,如果烧断,是检查市电输入抗干扰电容、整流滤波BD001、C001、C002 是否击穿短路;二是检查PFC电路或主电源的MOSFET是否击穿。如果熔丝未断,一是检测AC220V整流滤波后的300V供电;二是测量C610两端PFC电路输出的410V电压,如果该电压为300V,则是PFC电路故障;三是测量主开关电源驱动电路TEA1532的各脚电压是否正常;四是检查二次整流滤波电路是否发生短路漏电故障,造成主电源过电流保护停止工作。
2. 无24VD和5VDC电压输出
整流滤波后Q401的漏极24V正常、Q405 的漏极5V电压正常,而CN401无24VD和5VDC电压输出,故障在开关机控制电路。一是检查由Q701、Q702、PC702组成的控制电压放大电路;二是检查由Q401~405且成的24V、5V输出电压控制电路;三是检查由T301一次侧的Q302组成的VCC-PFC供电电压控制电路。
3.自动关机
指示灯亮后熄灭, 保护电路U704的门极由正常时oV变为0.7V以上,则是以U704为核心的保护电路启动。将U704的门极对地短路或将U704拆除,可解除保护,开机测量开关电源输出电压和负载电流,观察故障现象,确定故障部位对于逆变器电路的维修,可参照以下方法进行:
1.模拟供电和控制
由于与主电路板连接器断开维修,故须将主电路板的供电和控制电压恢复。一是将主电源输出的连接器CN401的9、10脚的24VD输出端与逆变器连接器CN402的1、3、4脚相连接,为逆变器电路供电;二是将CN402的7脚SEL调光方式选择端与6脚GND地接地端短短接,将背光灯逆变器电路设定为外部调光方式;三是将CN401的5脚5VDC供电端与CN402的9脚BLON背光灯开关端短接,模拟主板发出的背光灯开关控制信号。然后进行开机实验,观察背光灯是否被点亮,若背光灯能正常点亮,则判定该二合一电源板正常,故障在其他组件;如背光灯不能点亮或点亮后马上熄灭,可判定该二合一电源板逆变电路部分或CCFL背光灯管有故障。
2.解除CCFL灯管电流平衡保护
将Q19的栅极接地,解除CCFL灯管电流平衡保护。若所有灯管点亮,可判断故障在保护电路;若任意一根灯管不亮,则需进-步检查对应灯管驱动电路及灯管本身。如果灯管全不亮,则是逆变器电路
3.检测逆变电路
首先测量背光灯控制电路0Z964的11、12、 19、 20脚是否有激励脉冲输出,无脉冲输出,故障在背光灯控制电路,重点检查OZ964及其外部电路,将检测数据与表1的数据进行比对,判断故障所在,外围元器件正常时更换02964;如果有脉冲输出,重点检查激励电路和易发生故障的高压形成电路。长虹VLC82002.50二合一电源板电路原理和维修图解如图3所示;背光灯逆变器电路原理和维修图解如图4和图5所示。




