TCL L42M71D液晶电视除TV外其他通道无声音的故障维修

2022-04-19 20:36:20  阅读 1004 次 评论 0 条
摘要:

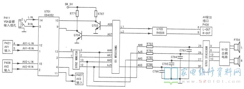
接修一台TCL L42M71D液晶电视(MT26机芯),除TV状态外,其他信号均无声音。从故障现象分析,此故障是外部音频信号输入切换电路异常所致。相关电路主要由U701 (CD4052、双路四选一开关)、

      接修一台TCL L42M71D液晶电视(MT26机芯),除TV状态外,其他信号均无声音。从故障现象分析,此故障是外部音频信号输入切换电路异常所致。相关电路主要由U701 (CD4052、双路四选一开关)、U702(WM8738、双路音频A/D转换IC)等组成,如图所示。

TCL L42M71D液晶电视除TV外其他通道无声音的故障维修 第1张

      当U701⑨、10脚均为低电平时,AV1的L、R路音频信号分别从U701的12、①脚输入,从13、③脚输出,再送入U702的⑧、⑦脚进行模/数转换,所得数字音频信号从U702的②、③、12、13脚输出,分别送入U1的AK2、AH6、AJ5、AH5脚,被U1选择后的信号送入数字功放U703(STA333BW )进行放大。当U701⑨、10脚分别为出山脚均为低电平)时,由上面的分析可知,U701的12脚应与13脚相通,①脚应与③脚相通。实际测量上述引脚,并不通,显然U701有问题。换新U701后试机,故障排除。

版权声明:本文为转载文章,版权归原作者所有,欢迎分享本文,转载请保留出处!