TCL LCD47K73液晶电视经常不开机且会自动关机

2021-07-01 19:04:42  阅读 702 次 评论 0 条
摘要:

接修一台TCL LCD47K73液晶电视,故障表现为背光开机有时不工作,有时自动关机,且无伴音,由于平时很少接到这样的机子,主要是机器型号太老旧了,问题多,现在都是LED的,修起来容易些。拆开机器,其电源板

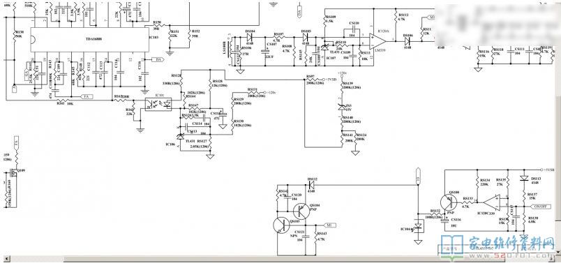
     接修一台TCL LCD47K73液晶电视,故障表现为背光开机有时不工作,有时自动关机,且无伴音,由于平时很少接到这样的机子,主要是机器型号太老旧了,问题多,现在都是LED的,修起来容易些。拆开机器,其电源板型号是JSK4500-007,有两片TDA16888组成的电源。本次背光开机有时不工作的检修方法如下图所示。

TCL LCD47K73液晶电视经常不开机且会自动关机 第1张

TCL LCD47K73液晶电视经常不开机且会自动关机 第2张

有时自动关机是电源板上一个电阻RS125变大了,阻值有时无穷大。正常330R

TCL LCD47K73液晶电视经常不开机且会自动关机 第3张

无伴音的为功放边的电容鼓包了,还湿了一片,搞坏了周围几CM的元件,最后加个放大板就正常了。

TCL LCD47K73液晶电视经常不开机且会自动关机 第4张

版权声明:本文为转载文章,版权归原作者所有,欢迎分享本文,转载请保留出处!