创维8S70机芯均使用的Mstar 的MSD6A828EVC方案,内置wifi模块。2D 4K,配置1.5G Byte DDR3,4G Byte EMMC;内置1*1 单频WIFI(8818ETV,AP 热点),支持DTMB 地面数字国标。搭载酷开系统,支持直通好莱坞。
一、信号流程图
二、主要芯片介绍
1、主芯片: 8S70采用MSD6A828 (同MSD6A638)芯片。CPU:四核ARM cortex-A7 CPU,最高1.5GHz。GPU:双核ARM Mali-450MP2。
2、DDR: 1.5G Byte DDR3。
3、EMMC: 4 G Byte。
4、数字功放: TPA5711。
三、开机信号步骤
(1)电源板送+5V STB供电给主板;
(2) +5V STB供电经UIP1稳压,得到+3.3V STB电压,给CPU供电:另外,+3.3V STB电压还会给背光控制电路、SPIFIASH等电路供电。
(3) CPU (U100)的供电脚得到供电电压、复位脚得到复位电压后,外围晶振起振,CPU开始工作,SPI FLASH (U0M3) 开始工作。首先U100内的主控系统与U0M3进行通讯,然后主控制器运行U0M3内的启动程序(Mboot)。
(4)U100工作后,CPU的部分I/O引脚会输出默认电平,其中, AG6脚输出的PWR-ON/OFF开机信号(高电平),经Q0S1、Q0S2倒相后送往电源板。
(5)电源板得到PWR-ON/OFF开机信号后,电源电路开始工作,主板得到12V NOR供电。
(6) 12V NOR经UOP2稳压,输出+1.2V NOR(5A), 给U100供电; 12V NOR经UOP8稳压,输出+5V,经过UIP2、UOP10稳压,得到+3.3V_ NOR和+1.5V DDR,给UOM4、U0M5、U100、MU1、MU2、MU3、MU4等供电。
(7) 主控系统对NAND FLASH、EEPROM、DDR3 SDRAM进行初始化。
(8)主控系统与DDR通讯后,将NAND FLASH中的主程序装载到DDR中,并运行主程序。
(9)主控系统开始对各类寄存器进行初始化,检测U0Al、U100等总线连接,并对其初始化。
(10) 主控系统从UOM5中读取用户程序数据。
(11) 初始化完成后,系统处于开机状态。
四、主板供电系统
五、单元电路分析
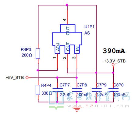
(1) +3.3V_STB 供电稳压电路
如图所示,电源板输出的+12V STB经过UOP8 (AOZ3015PI)得到+5V_ STB。+5V_ STB供电经稳压电路UIPl (AMS117-3.3) 稳压,得到+3.3V STB供电,给U100 (MSD6A828)中的待机CPU供电。
(2)开关机控制电路
如图所示,在主集成电路/主芯片U100正常工作后,其AG6脚输出PWR-ON/OFF开机信号(高电平),于是Q0S4的集电极输出低电平、Q0S3的集电极输出高电平(STANDBY 开机信号),开机信号经CN1的④脚送往电源板,使能电源板正常工作,输出12V、24V供电。
(3) 复位电路

如图所示,在开机瞬间,+5V STB供电分两路送给复位电路:一路经D0R1,给C0R2充电,待充满电后,给Q0R3的发射极供电;另一路经R0R2,给C0R6充电,待充满后,经R1R0,给Q0R3的基极供电(C0R2容量比C0R1小,C0R2的充电速度快),于是Q0R3由截止变为饱和导通,随着C0R6不断充电,Q0R3会由饱和导通变为截止,即U100的复位脚(G1) 的电平变化是:低电平->高电平->低电平,从而完成高电平复位。
当本机关机后,+5V_STB电压将降为0V,D0R1的①、③脚内的二极管正偏,②、③脚内的二极管反偏,C0R6的放电速度会比COR2的放电速度快。随着C0R6的放电,DOR1会由截止变为饱和导通,从而实现关机复位。
(4)VDDC _CPU供电产生电路
如图所示,电源板DC/DC变换电路送来的CORE POWER供电经过UOP1为核心的DC/DC变换电路的变换,得到VDDC_ CPU供电,用作主芯片U100中内核电路的工作电压。
(5) USB供电电路
如图所示,当主芯片U100送来开机使能信号后,+12V NOR供电经UOP3 (MP1494)的DC/DC变换,得到+5V USB供电,给主板上USB电路供电。
(6)EEPROM电路
如图所示,U0M5用于存储用户设置、开机状态、MAC地址、KEY码、数字电视序列号、串货条码等信息,其中,⑤脚为串行数据线脚,⑥脚为串行时钟线脚,⑦脚为写保护控制脚。
(7) SPIFLASH电路
如图所示,U0M3是一款16Mbit串行FLASH,用于存储开机引导程序,其中,①脚(/CS) 为片选控制输入脚,②脚(DO/IO1) 为串行数据输入/输出脚,③脚(/WP)为写保护控制脚,④脚(GND)为接地脚,⑤脚(DIO) 为串行数据输入输出脚,⑥脚(CLK)为时钟输入脚,⑦脚(/HOLD)为暂停控制脚,⑧脚(VCC)为供电脚。
(8)AV信号输入电路
如图所示,视频信号由JA13的6脚输入,经RV37防静电、R434阻抗匹配、R419限流、C463耦合,送到主芯片U100的AA6脚;左音频信号由4脚输入,经RV44防静电、R441、R444阻抗匹配、C454耦合,送到U100的AB2脚;右音频信号由2脚输入,经RV45防静电、R440、R446 阻抗匹配、C453耦合,送到U100的AC3脚。
(9)HDMI信号输入电路
如图所示:MSD6A828芯片引脚P2和P3、引脚L2和L3分别为HDMI1、HDMI2的时钟差分信号输入;引脚R2、R1、R3、T1、T2、T3为HDMI1的差分信号输入,引脚M2、M1、M3、N1、N2、N3为HDMI2的差分信号输入。
(10)USB信号输入电路原理图
如图所示,USB2、USB3、 USB4信号分别由JA22、JA19 和JA21输入,送到U100的相应脚,其中,USB3是USB3.0接口。USB3-D-信号由JAl9的②脚输入,经RV60防静电、R1867隔离,送到U100的AH4脚, USB3-D+信号由JAl9的③脚输入,经RV61防静电、R1868隔离,送到U100的AF5脚。USB2-D-信号由JA22的②输入,经RV69防静电、R1968隔离,送到U100的C2脚。USB2-D+信号由JA22的③脚输入,经RV68防静电、R1969 隔离,送到U100的Bl脚。JA21通过USBHUB与U100相连。
(11) NET (网络)信号输入电路
如图所示,网络连接线送来的网络信号由JA9输入,经Tl隔离保护,送往U100,其中,TX+、 TX-、RX+、RX-信号分别由JA9的①、②、③、⑥脚输入,送到Tl的16、14、11、90脚,经Ull0静电保护,由其①、③、⑥、⑧脚分别输出MDI-TP、MDI-TN、MDI-RP、MDI-RN信号,送到U100的Jl、J2、J3、H2脚。