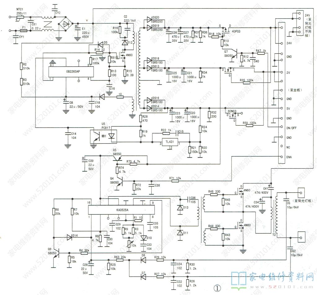
最近接修一台创维42K03HR型液晶电视,故障现象是三无。拆机检查,发现该机电源高压一体板已被前一位维修者换为KKK-50DD型电源高压一体板,该一体板实测电路如图1所示。
经查,该板保险丝F已烧断,电源芯片OB2263AP已烧坏,开关管4N60已击穿,其源极所接电阻R15(0.392)已开路,24V整流管DS19、DS20及开关管尖峰吸收电路中的D12(FR107)已击穿,其他元件无明显异常。更换上述损坏元件,并同时更换光耦U5(PC817)后通电试机,电源板输出的24V、12V和5V电压均正常,声音正常,但光栅左暗右亮,如图2所示。
该机水平安置有8根U形灯管,灯管的插头位于右边,而左边是灯管的中段位置。根据经验,灯管老化或供电电压偏低都可能引起灯管中段亮度偏低。该板的升压电路以KA3525A为核心组成。KA3525A①脚输入灯管电压监测信号(变压器T2输出的高压经电容CG、CG2和R29 R30,R26、R27分压,D6、D7整流,R63.R25分压,C28滤波后获得),②脚输入基准电压(16脚输出的5V电压经R7和R8分压获得),⑨脚输出对①脚、②脚输入信号比较后的控制信号,控制芯片内部PWM电路,以改变11脚和14脚输出的PWM信号脉宽,使灯管电压恒定。KA3525A⑥脚外接可调电阻,调节该电阻可以调整芯片的振荡频率。试着调节,光栅亮度变化不明显,查资料得知,改变KA3525A②脚基准电压可使⑨脚电压升高,最终使灯管电压提高。试着断开②脚外接电阻R8,对地接-只50k可调电阻,调整该可调电阻,②脚电压可以在1.6V~3.5V之间变化,但⑨脚电压无明显变化,灯管亮度也基本没有变化。查看线路,发现电源高压一体板输出的24V电压送往灯板上插座CON4。
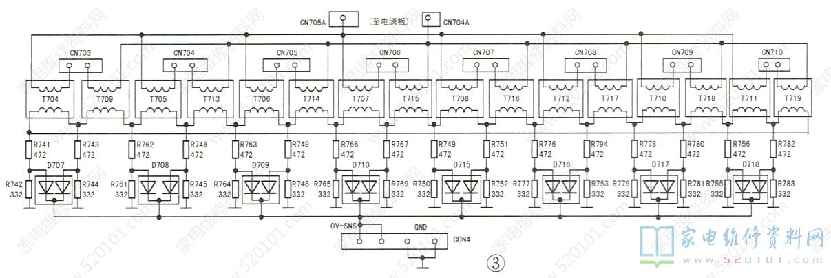
实测该机灯板电路如图3所示,CON4中的OV-SNS端是灯管电流检测输出端。经过试验,KKK-50DD型板可以不连接CON4。怀疑灯板性能不良导致高压不足,但代换灯板后故障依旧。
根据经验,CBB电容在高温高电压下易容量下降。拆下CBB电容C41、C34检测,一只降为464nF,另一只降为330nF。将这两只电容换新后试机,灯管亮度仍无明显变化,怀疑KA3525A性能劣化,换上ST公司生产的正品SG3525A后,光栅亮度变化明显,此时测SG3525A⑨脚电压已经由原先的3.8V升为4.1V ;调整⑥脚外接的可调电阻时,背光亮度变化明显,直到调整到屏幕左右亮度差不多时为止。至此,故障排除。实测KA3525A和SG3525A的引脚电压见表1,供参考。

