长虹HSM35D-6M6型二合一板(电源+LED驱动)广泛用于长虹液晶彩电中,其框图如图1所示。该板主要由市电输入抗干扰及整流滤波电路、PFC电路(控制芯片:FA5591)、PWM控制电路(控制芯片:NCP1251A)、背光LED驱动电路(控制芯片:BD9479FV)、反馈、保护及开/待机控制等电路组成,开关电源输出12.3V 和30V电压。
一、电路原理介绍
1.开关电源工作原理
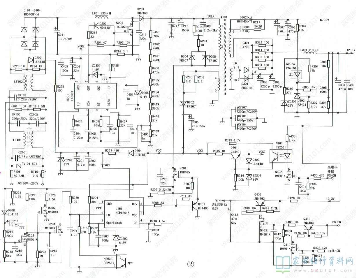
市电经保险管F101、热敏电阻RT101、压敏电阻RV101、抗干扰电容CX101后进入抗干扰滤波电路,如图2所示。
电容CX103、CX105,电阻R101.R102,电感LF101、LF102等构成EMC电路,以消除电磁干扰。滤除干扰后的市电经D101~D104、C211整流滤波后输出约+300V、频率为100Hz的脉动直流电压。在二次开机后,开关变压器T101次级⑤-④绕组产生的感应电压经D202整流C205滤波后获得vCC1电压,此电压经Q301作开/关控制后,作为VCC2(约16V )送到U201(FA5591)电源端⑧脚,U201内部振荡器振荡,⑦脚输出开关脉冲,开关管Q206工作于开关状态。在Q206截止期间,储能电感L101中的感应电压,与市电整流获得的+300V电压叠加,在续流管D201负极得到约+380V的BULK电压。当BULK电压变低时,R433上的分压降低,即U201①脚电压下降,在IC内部电路的作用下,使⑦脚输出的脉冲占空比增加,开关管Q206导通时间延长,L101储能时间延长,BULK电压上升到正常值,从而达到稳压目的。当BULK电压升高时,其控制过程与上述相。
为了保证PFC提升电压(L101两端的自感电动势)始终与市电整流后的100Hz脉动直流电压同相位,使电源工作效率达到最高(即Q206的导通损耗最小,设置有市电过零检测电路。由于流过电阻R216的电流呈周期性变化,因而在U201⑤脚形成了一个随市电电流变化的电压检测信号,该信号加至U201内部的ZCD检测比较器正端,与-10mV基准信号进行比较以获得误差电压,从而控制⑦脚输出激励脉冲电压的相位,使Q206的工作效率最高。
在PFC电路工作之前,PWM电源已率先工作,其过程如下:从抗干扰电阻R220.R224的连接点取出的市电电压经D207整流R225限流及c201.C202滤波后,得到约17V的启动电源,送至U101(NCP1251A )的电源端⑤脚,U101内部的振荡器、脉宽调制器工作,产生的开关激励脉冲经⑥脚输出,使开关管Q201工作于开关状态。C209、R214、R201、D204、D205组成高压吸收电路,防止开关管Q201在截止期间被T101初级绕组感应出的反峰高压击穿。
开关变压器T101④-⑤绕组产生的感应电压,经R202、R203限流,D202、C205整流滤波后得到约17V电压,通过D304、R227加到U101⑤脚,以取代启动供电。T101 10-⑥绕组产生的感应电压经D302、C307、C310整流滤波后得到30V 电压,送往LED驱动电路,作为LED升压电路的输入电源;10-⑦绕组产生的感应电压经D301、C302、C303、L301、C306、C402整流滤波后得到12.3V电压,一路送往主板,另一路经Q409开/关控制后为LED驱动控制芯片U303( BD9479FV )及相关电路供电(VIN)。
PWM电源的稳压过程如下:当30V输出电压降低时,光耦N202①脚的电压降低,同时U302(AZ431)的R极电压下降,其K极电压上升,流过N202①、②脚“(发光二极管)的电流下降一N202③、④脚(光敏三极管)内阻变大- U101②脚(输出电压反馈端)电压上升一U101输出的脉冲宽度增加一Q101、Q201导通时间延长→输出电压上升,达到稳压的目的。当30V输出电压升高时,其稳压过程与上述相反。
待机时,主板送来的PS-ON信号变为低电平-Q402截止一光耦N101初级发光二极管中无电流通过+N101 次级光敏三极管截止->控制管Q301截止->VCC2电压为0V- >PFC电路停止工作。与此同时,低电平PS-ON信号使Q418截止->Q403截止- >开关管Q409截止->LED驱动电路失电而停止工作。PWM电路输出的12.3V电压送到主板,经DC-DC电路变换后输出5VSB待机电压,为主芯片(MCU)与遥控等电路供电。
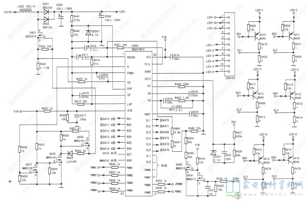
2、LED驱动电路原理
当主芯片发出高电平的PS-ON (开机)和BL-ON(背光点亮)信号后,Q419、Q418导通,随后Q403.Q409导通,Q409的c极输出约12V(VIN),加至LED驱动控制芯片U303(9479FV)的电源端40脚,如图3所示。
与此同时,开关电源输出的30V电压也送到升压电感L402的左端。主板上送来的亮度调节信号PWM1~PWM6也同时分别送至U303的亮度控制端17~22脚。于是,U303内部的振荡电路开始工作,从②脚输出开关脉冲,经Q407.Q405.Q408激励放大后,使Q401工作于开关状态。在Q401截止瞬间,L402中感应的自感电动势,与30V供电叠加,经二极管D401、D402续流,C309、C308滤波后得到约60V的LED+电压(不同机型的LED灯珠数量有所不同,LED+电压也有所不同),通过输出插座CON104的①~③脚(LED+ )与屏内LED灯串正极相连。LED灯串负端LED-1~LED-6通过插座CON104的⑥~11脚接至调流管Q410~Q415的e极,再分别经Q410~Q415的c极所接电流反馈电阻到地,形成电流回路。Q410~Q415 的b极分别接U303的调流控制端⑨~14脚,Q410~Q415的c极所接电流反馈电阻的电流取样信号分别送至U303电流反馈端27~32脚。当增大画面亮度时->主芯片使U303各亮度控制脚的电平升高U303 ②脚输出的脉冲宽度增加->Q401导通时间增加->LED+电压升高。与此同时,U303⑨~14脚输出电平下降->各调流控制管(PNP型管)的b极电压降低->调流控制管导通程度增加->流过LED灯串的电流增大->图像亮度变高。
当LED灯串电流增大时,Q410~Q415的c极输出电压升高,即U303电流反馈端32~27脚的电压升高->U303⑨~14脚电平升高- >Q410~Q415 导通程度变浅->LED灯串电流变小,达到恒流控制的目的。
另外,本背光电路具有3D模式,当主板送来3DEN使能信号时,Q404导通,Q406截止,U303 33脚设定的LED电压升高,在芯片内部控制电路的作用下,流过LED灯串电流增加,背光亮度变亮。
3.保护电路
(1)过/欠压保护:
1)市电过1欠压输入保护(图1)
当市电输入电压高于260V时,压敏电阻RV101击穿,保险管F101熔断,达到保护之目的。如果压敏电阻失效,由R101、R102连接点取出的Vac电压经R221分压,D208、C214整流滤波所得电压经R219使控制管Q203导通,则VCC1电压降为0V,U101、U201失电停止工作,整机得以保护。如果这路保护电路也出现问题,那么由R220、R224连接点引出的市电电压,经D207、C201、C202整流滤波所得电压击穿稳压管ZD202(22V),vcC1电压大幅下降,同样会使电路进入市电输入过压保护状态。当市电输入电压低于110V时->U101⑤脚电压低于8.8V->U101停止工作->整机处于保护状态。
2)PFC电路输出过压、次压及U201久压保护
当PFC电路的BULK电压过高,经反馈电路加至U201①脚的电压大于2.7V时,U201内的过压保护电路动作,关闭⑦脚的脉冲输出,电路进入保护状态。反之,当BULK电压过低,加至U201①脚的电压低于0.3V时,U201内部欠压保护电路动作,关闭⑦脚脉冲输出,进入保护状态。当U201电源端⑧脚电压低于9V时,U201启动欠压锁定功能,⑦脚无输出,电路进入保护状态。
3)PWM电源输出过压保护
若电源的稳压环路失控,C205两端的VCC1电压升高,当超过22V时,ZD202击穿,U201失电而停止工作,整机得以保护。另外,C205两端电压还经R201加至U101③脚,当该脚电压超过3V时,U101内部电路进入锁定状态,电源无输出。另外,当vCC电压超过25.5V时,U101自动进入过压保护状态,电源无输出。
4)LED驱动电路输入欠压、过压保护(见图当3)
当30V电压过低,经R427、R426分压后加至U303脚的电,压低于2.79V时, U303内部的欠压输入锁定电路动作,LED驱动电路停止工作。若输入电压过高或输出的LED+电压过高,经R441、R440分压加至U303⑤脚的取样电压超过2.5V时,U303内部的过压保护电路动作,背光灯熄灭,避免故障扩大。
(2)过流保护
开机浪涌电流限制:在冷机开机时,RT101阻值较大,对开机浪涌电流有较大的限制作用。开机后,RT101中有电流流过,温度升高,阻值迅速下降,对输入电路的影响可忽略。
PFC电路过流保护:当PFC电路输出电流过大,经R458加至U201⑤脚的电压低于-0.6V时,U201内部的过流保护电路(OCP )动作,关闭⑦脚输出的激励脉冲,整机进入保护状态。
PWM电源输出过流保护:若输出过流、R206两端压降增大,当U101④脚电压达到0.2V时,U101内部过流保护电路动作,U101⑥脚无脉冲输出。另外,当输出过流时,T101⑤-④绕组的感应电压升高,当U101③脚电压达到3V时,电路进入OPP模式锁定状态。
LED驱动电路输出过流保护:若LED驱动电路输出过流,R442两端电压将上升,当U303过流保护端④脚电压升到0.5V时,U303内部过流保护电路动作,U303②脚无激励脉冲输出,开关管Q401停止工作。同时,U303⑨~④脚输出高电平,6只调流管同时截止,LED电路进入保护状态。当LED+电压大幅下降,U303⑤脚过压保护端电压低于0.1V时,U303内部的过载保护电路动作,同时U303⑨~④脚输出高电平,LED电路进入保护状态。为了便于实修时参考,特附上U101、U201、U303的引脚功能与实测电压,见表1~表3。
二、故障检修实例
例1:接通电源开关后,待机指示灯不亮(正常应闪烁数秒后变为常亮),12.3V、35V电压均无输出。
分析检修:测市电整流滤波后的300V电压正常,但U101电源端⑤脚电压为0V。检查U101⑤脚外接元件,发现R225一端开焊。补焊后试机,故障排除。
例2:接通电源开关后,待机指示灯闪烁数次后常亮,二次开机后待机指示灯不熄灭,不开机。
分析检修:查市电整流后的300V电压正常,U101⑤脚电压为17V,但开关管Q201的漏极电压为0V。检查相关供电元件,发现续流管D201 (MUR460 )一端开焊,补焊后开机,故障排除。
例3:故障现象同“例2”。
分析检修:经查,市电整流滤波后的300V及U101⑤脚的17V电压(启动电源提供)均正常,但开关电源无输出。用示波器监测U101⑥脚波形,发现在开机时有激励脉冲输出,随后消失,怀疑该故障系保护电路动作所致。分别在30V及12.3V电压输出电路中串接一只电流表后试机,发现电流并不大,不存在过流问题。接下来用万用表监测U101③脚电压,发现开机时电压超过3V,看来故障系过压保护电路动作所致。检查稳压系统元件,发现电阻R215开路。换新后开机,故障排除。
例4:在调大亮度或声音时,电视机自动关机。
分析检修:本故障是带载能力变差,引发电源过流保护电路动作的典型故障。上电,测量BULK电压,发现在音量开大时电压波动明显,严重时不足300V,怀疑滤波电容C212失容,拆下检查未见异常。检测中手触到续流管D201 ,发现温度明显偏高。焊下检查,发现其正向电阻约为1k,不稳定,并且反向电阻不足200k。换用两只并联的RGP40型二极管试机,故障排除。
例5:有时正常,有时黑屏。
分析检修:在故障出现时,发现LED背光灯串不亮,LED+电压约为30V。测量U303供电端40脚及亮度控制端17~22脚电压,未见异常。转向检查保护电路,U303过流保护端④脚与过压保护端⑤脚电压均未达到保护阈值,但34脚相位补偿端电压却在1V~3.0V之间波动(正常值约为3.3V)。检查U303 34脚外接元件,发现电容C422(2.2pF )漏电,换新后试机,故障排除。
例6:图像昏暗,背光亮度明显不足。
分析检修:上电,测LED+电压不足50V(正常值约63V),但U303的亮度控制端电压均为2.3V,正常。分析认为,故障可能是U303②脚输出的激励脉冲的占空比过低所致。由于IC内部振荡器的振荡频率会影响激励脉冲占空比,所以检查U303 36外接的振荡频率设置电阻R448,发现其所在线路板受潮严重。先用无水酒精清洗,然后用吹风机烘干后试机,故障排除。此时LED+电压已升至63V。

