创维9R60机芯液晶彩电主芯片采用RTD2999(U20),其信号框图如图1所示。UD1~UD4 (H5TQ4G63CFR-TECX4)为DDR3存储器,UOM4( THGBMFG7CILBAIL )为EMMC芯片(容量为16GB,用于存储启动程序),U0M2( FM24C128A)为EPROM存储器。
创维9R60机芯液晶彩电信号处理电路的供电系统如图2所示。
电源板送出+5V_STB电压给主板,经UOP10变换得到STB_ A3V3 供给CPU。二次开机后,电源板得到PWR-ON/OFF开机信号,输出+24V_ NOR、+12V_NOR电压。+12V_ NOR电压经U0P2稳压后得到STB_ A3V3电压,一路供给U20中的CPU,第二路经Q0P2和Q0P3控制产生D3V3,POWER EN信号控制D3V3的通断;第三路经U2P2转换得到ST_1V8电压,该电压经Q0P6、Q0P7控制产生DIV8电压,POWER EN信号控制D1V8的通断。另一路+12V. NOR电压,经UOP8稳压得到+5V_NOR电压,再经U2P4转换得到TUNER_ 3V3电压,为高频头供电;第三路经U0P9稳压后得到DDR 1V5 电压为DDR供电;第四路经UIP5稳压后得到Core_1V0电压,为主芯片内核供电。24V电压供给数字音频功放U0A7、U0A8。
二、单元电路分析
1.STB_A3V3供电稳压电路(见图3)
电源板副电源电路送来的+5V_STB经UOP10(MP1494DJ-LF-Z)转换,得到STB_ A3V3 电压,提供给U20( RTD2999 )中的待机CPU。
2.+5V_ NOR供电产生电路(见图4)
电源板送来的+12V_NOR经UOP8(AOZ3015AI )转换,得到+5V_ NOR电压,作为其他电压变换电路的输入电压。
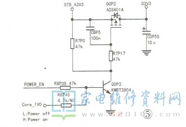
3.D3V3供电产生电路(见图5)
STB_ A3V3经QOP2 (AO3401A)开/关控制后,得到D3V3电压供给U20.eMMC等电路。4.ST 1V8供电产生电路(见图6)STB_ A3V3经U2P2 (ASI117L)稳压后得到ST_ 1V8供电,供给EMMC电路。
5.开/待机控制电路(见图7)
Q0S3、Q0S4及其外围元件组成开/待机控制电路。开机后,主芯片中的待机CPU输出高电平POWER EN信号,经Q0S3、Q0S4倒相,送给电源板PWR. ON/OFF信号为高电平,电源电路输出PWR 12V、+24V供电;待机时,待机CPU输出低电平,电源电路进入低功耗输出状态,输出的12V经过变换,得到D3V3、A3V3电压,供给主芯片EMMC、EPROM等电路,以维持待机状态。
6.CORE供电产生电路(见图8)
开机后,使能信号送到uIP5 (AOZ1236QI-01 )的②脚,内部电路工作,12V_ NOR经UIP5变换得到Core_1V0电压,供给主芯片U20内核电路。
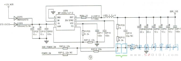
7.DDR_ 1V5 供电产生电路(见图9)
开机后,使能信号送到UOP9 (MP1495DjJ-LF-Z)的⑥脚,内部电路工作,12V_ NOR经UOP9变换得到1.5V电压,供给DDR内核电路。
8.背光开/关控制电路(见图10)
U20送来的BL. EN信号经Q0S2倒相后,通过插座CN0S1的①脚送往背光电路,控制背光电路是否工作。
9.TUNER D3V3供电产生电路(见图11)
+5V_NOR经U2P4稳压后得到TUNER.3V3电压,供给高频头电路。
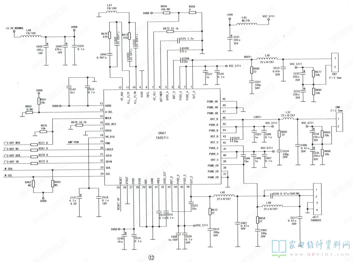
10.数字音频功放电路(见图12)
该机芯采用TAS5711+TAS5766双数字音频功放电路,其中,TAS5711(U0A7)为重低音功放IC。UOA7内部集成了数字音频处理、串行音频端口、数字音频接口、串行控制、微控制、SRC、降噪功放输出保护逻辑等电路, 其2、3、34、35、40、41、44、45脚为24V供电脚,17脚为3.3V模拟供电脚,27脚为3.3V数字供电脚,19脚(PND )是待机控制脚,25脚(RESET)是复位脚,23脚(SDA)、24脚(SCL)为总线数据、时钟脚,15脚(MCLK)为主时钟输入脚, 20脚(LRCLK )为串行音频数据左右时钟输入脚,21脚(SCLK)为串行音频数据时钟输入脚,22脚(SDIN)为串行音频数据输入脚,①脚(OUT_ A)、46脚(OUT_ B)分别为左右声道音频信号输出脚,36脚(OuT. D)、39脚(OUT c)分别为左、右重低音音频信号输出脚,15、20~22脚是I2S数字音频信号输入脚。


