飞利浦32PFL3605液晶电视指示灯不亮不开机的故障维修

2022-04-21 19:21:13  阅读 1292 次 评论 0 条
摘要:

接修一台飞利浦32PFL3605液晶电视,故障表现为指示灯不亮不开机,上电后,该机面板指示灯不亮。测电源板已经输出了STB5V电压,但主板没有发出POW-ON高电平信号,问题应在主板上。

       接修一台飞利浦32PFL3605液晶电视,故障表现为指示灯不亮不开机,上电后,该机面板指示灯不亮。测电源板已经输出了STB5V电压,但主板没有发出POW-ON高电平信号,问题应在主板上。

飞利浦32PFL3605液晶电视指示灯不亮不开机的故障维修 第1张

       该机主板供电部分框图如图1所示,电源板送来的5VSB电压(上电就有)分为三路:一路经U2变换成1V0电压,供应CPU内核;第二路先经U4变换成3V3电压,一路经U3变换成1V2电压,供给主芯片,另一路由Q28-1控制输出3V3SW ,供给存储器;第三路经Q28-2控制输出5VSW,供应高频头等电路。当EN信号(由CPU发出)为高电平时,Q28导通,输出上述SW电压。

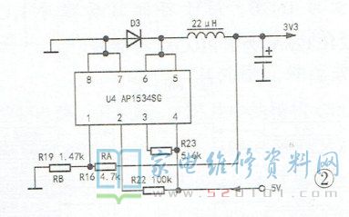
飞利浦32PFL3605液晶电视指示灯不亮不开机的故障维修 第2张

       检测发现,U4(AP1534SG)没有输出3V3电压。U4的①脚是输出电压取样反馈端正常电压为0.8V;②脚是EN使能端,高电平芯片工作,本机通过R22接5V (如图2所示),即上电就工作;③脚是oCSET ,设置最大输出电流;④脚接输入电压,正常工作电压范围为4.4V~18V;⑤、⑥脚输出,⑦、⑧脚接地。测⑤、⑥脚对地没有短路,上电测④脚电压为5.1V,②脚有3.3V 电压,这说明该芯片已经具备工作条件,可判断U4有问题,如图3所示。

飞利浦32PFL3605液晶电视指示灯不亮不开机的故障维修 第3张

       笔者手里没有该型号芯片,但有一块AP1510。查资料发现两者引脚功能完全一样,区别在于AP1534最大输出电流是2A,AP1510是3.5A。另外,后者输入电压范围更宽(3.6V~23V),换上AP1510后,开机,故障排除。

      提示:DC-DC转换芯片型号很多,代换时除了要注意引脚功能外,还要注意最大输出电流以及输入电压范围是否满足要求。另外,芯片的取样反馈FB脚电压要一样。否则,需要调整取祥电阻才能得到需要的输出电压。AP1510与AP1534的FB电压均为0.8V,输出电压V=0.8(1 +RA/RB)。 本例中RA为4.7k,RB为1.47k,输出电压为3.36V。

版权声明:本文为转载文章,版权归原作者所有,欢迎分享本文,转载请保留出处!