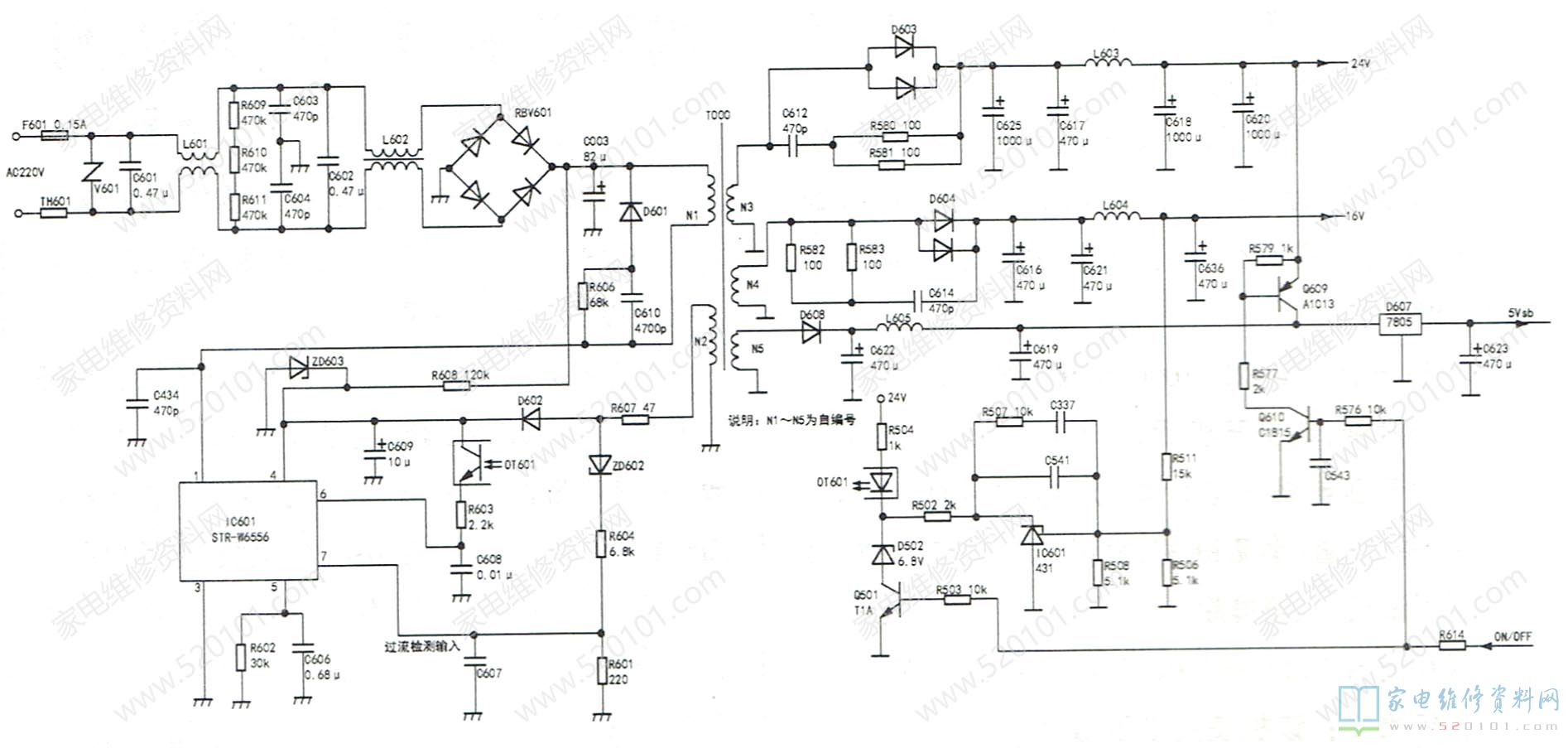
创维26L08HR-K型液晶电视开关电源实绘电路如图1所示,其工作原理如下:300V直流电压经开关变压器T000的绕组N1加到IC601 (STR-W6556)的①脚,与此同时,300V直流电压通过启动电阻R608降压,由ZD603稳压后加到IC601的④脚,则电源起振。热端N2绕组两端产生的交流电压经R607限流,D602整流,C609滤波,产生约19V的直流电压加到IC601的④脚,取代启动电压。次级N3绕组两端产生的交流电压经整流滤波后,输出24V的电压供背光电路;N4绕组两端产生的交流电压经整流滤波后,输出16V直流电压;N5绕组两端产生的交流电压经整流滤波后,输出约8V的直流电压。8V电压经三端稳压块D607(L7805 )稳压后,输出5Vsb电压。
稳压过程:当某种原因使16V升高时,由R511、R508.R506组成的分压电路所得电压升高,即IC603的R极电压升高,则K极电压下降,光耦OT601导通程度加强,IC601的⑥脚电压升高,驱动脉冲占空比下降,使内部开关管提前关断,输出电压下降,从而达到稳压的目的。当16V输出电压降低时,其稳压过程与上述相反。开/待机控制电路由Q609、Q610、Q501等组成。开机时,主板输出低电平,Q609、Q610、Q501均截止,不影响稳压电路。待机时,主板输出约4V左右的高电平,Q501导通,相当于稳压二极管D502的正极接地,把OT601 的②脚电压钳位到6.8V,OT601导通程度大增,IC601的⑥脚电压升高,使得内部开关功率管工作在间歇状态,24V电压降为8V左右,16V降为6V左右,8V电压降为2V ,此时Q609导通,N3绕组输出的8V电压通过Q609加到D607的输入端,D607输出端仍有5Vsb电压输出。
故障现象1:上电后,5Vsb电压为2.4V。分析检修:用示波器测5Vsb端输出电压无纹波,说明C623基本正常。测整流二极管D608整流后的电压为3.2V,不正常。用示波器测该点电压有6Vp. p的纹波,说明滤波电容C622、C619不良,更换这两只电容后试机,5Vsb电压恢复正常。连上主板试机,故障排除。
故障现象2:二次开机后,24V、16V、8V、5Vsb电压均为0V。分析检修:测电容C003两端电压为330V,且断电后此电压能长时间保持,说明电源没有起振。测IC601的各脚电压:①脚为330V,④脚为0V ,⑥脚为0V,⑦脚为0V。IC601的④脚电压为0V,可能是稳压二极管zD603击穿,或IC601内部④脚与地短路,也可能是启动电阻R608开路。经查是R608开路。换上一只120kΩ/2W电阻后试机,故障排除。
