接修一台创维32L01HM型液晶电视,开机后无图、无声,并且开机Logo为竖条,如图1所示,随后显示的蓝屏下边也出现竖条,如图2所示。分别从AV1、AV2端子输入信号,均无图、无声,判断故障出在主板上。试用V59型万能主板点屏,图像正常,说明判断正确。
  
 
  
 
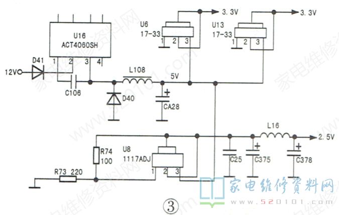
根据故障现象分析,判断DDR电路有故障。测DDR的供电为0.84V ,正常值应为2.5V。该机DDR型号为HY5DU2B1622FTP-4,其供电电路如图3所示。开关电源输出的12V电压先经DC-DC转换块U16(ACT4060SH)转变成5V直流电压,再经U18(1117ADJ )转换为2.5V直流电压,供给DDR。测U16②脚电压为11.2V,U8③脚电压为5.1V,但U8的②脚电压为0.84V,说明U16正常,问题出在U8及其外围元件中。测U8①脚电压为0.44V,不正常,正常值应为1.36V。取下分压取样电阻R74、R73测量,均正常;断开L16后U8输出电压不变,说明U8不良。将U8换新后试机,图声俱佳故障排除。
  
 
			版权声明:本文为转载文章,版权归原作者所有,欢迎分享本文,转载请保留出处!
			
		
		
		
		
		
		
	