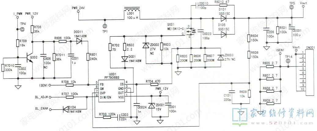
接修一台创维32E3500型液晶电视(9R43机芯),故障表现为黑屏,伴音正常。上电试机,背光不亮。测灯串供电为24V,怀疑背光电路未工作。参见图1,测得PF7906BS①脚供电正常,⑧脚电压仅0.5V,D1D4负端电压约为3V,说明⑧脚电压不正常与背光亮度控制电路有关,如图2所示。
检查BL ADJ电路,发现上拉电阻R0P0已开路,导致BL ADJ电压太低,D1D4截止,PF7906BS的⑧脚电压达不到启动值,PF7906BS不工作。更换R0P0后,⑧脚电压升到3V背光点亮,故障排除。
版权声明:本文为转载文章,版权归原作者所有,欢迎分享本文,转载请保留出处!
