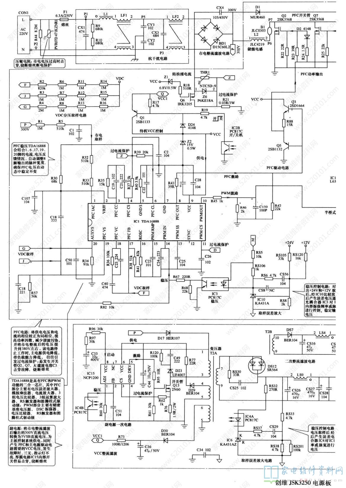
创维JSK3250电源板,采用NCP1200 + TDA16888组合方案,一是为主板控制系统提供+ 5VSB/0.5A电压:二是为主板和逆变器电路提供24V/8A和12V/3A的供电。JSK3250电源板应用于创维8TT3、8TT9机心液晶彩电,其中应用在8TT3机心的机型有17LDATW、17LDADW、26LCATW、26LCAIW、 32LCAIW、32LBAIW、 32LBATW、32LHAIW、37LBAIW、 40LBAIW等;应用在8TT9机心的机型有26LDAPW、26LDADW、 26L98PW、 32LCAIW、 32LBAIW、 32LBAPW 、32LCAPW、37LBAIW、37L98PW、37199PW、37LBAPW、40LBAPW、42LBAPW、 42LDAPW等。创维JSK3250电源板实物图解如图1所示;电路组成框图如图2所示。
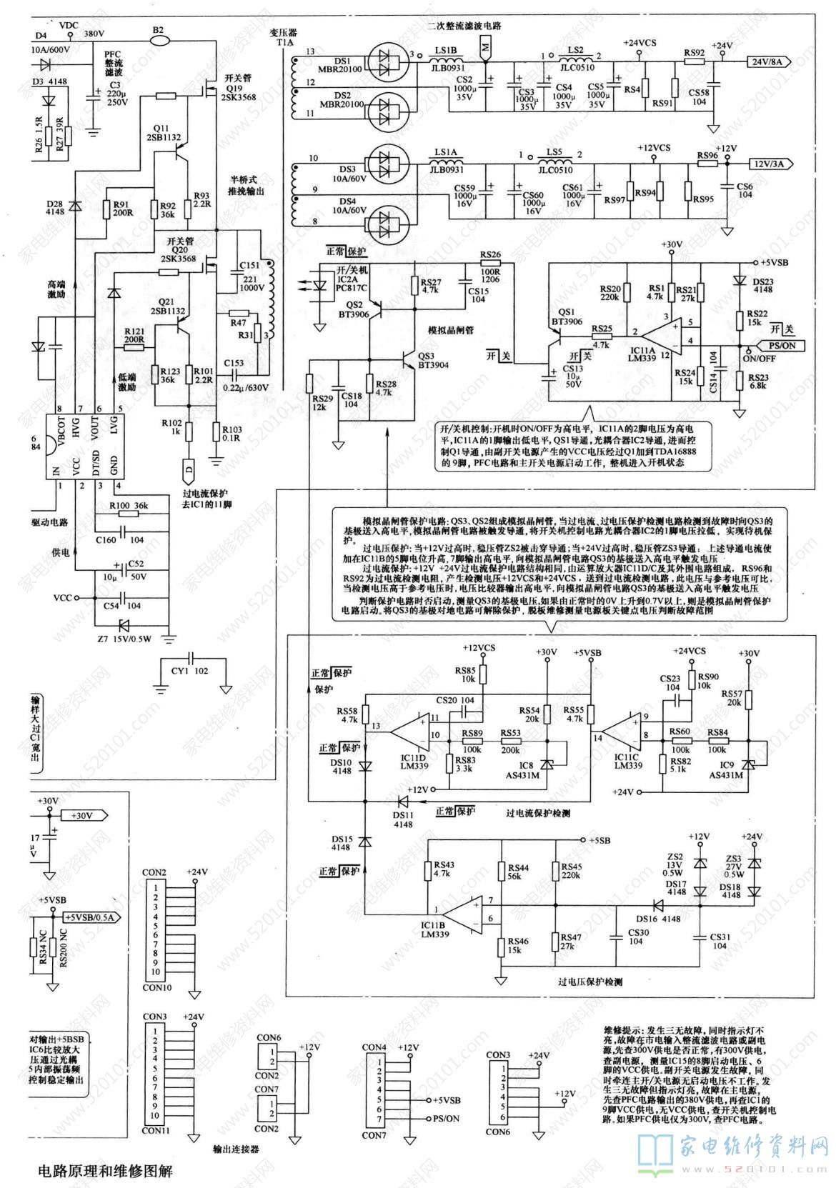
该电源板由三部分组成:一是以驱动控制电路NCP1200 (IC15) 和大功率MOSFET (开关管) Q13为核心组成的副开关电源,不仅为主板上的微处理器控制系统提供+5VSB/0.5A电压,为电源板保护电路提供+30V电压,还为PFC电路和PWM主开关电源驱动控制电路TDA16888提供VCC工作电压;二是以驱动控制电路TDA16888 (IC1) 的1/2和两只大功率MOSFET (开关管) Q2、 Q7为核心组成的PFC电路;三是以驱动控制电路TDA16888 (IC1) 的1/2、 半桥式驱动电路L6384 (IC16) 和两只大功率MOSFET (开关管) Q19、 Q20为核心组成的主开关电源,为负载电路提供+24V/8A和+ 12V/3A电压。
开关机采用控制PFC电路和主开关电源驱动控制电路TDA16888的VCC工作电压的方式。接通市电电源后副电源首先工作,产生vCC和+5VSB电压,其中+5VSB电压为控制系统提供电源,二次开机后开关机控制电路将VCC电压送到驱动电路IC1,PFC电路和主电源启动工作,为主板提供+ 18V和+ 12V电压,进人开机状态。
该电源板设有多种保护方案,一是在副开关电源一次电路,设有过电压、过电流保护电路;二是在PFC电路和主开关电源的一次电路, 依托 TDA16888的保护功能, 设有过电压、欠电压、过电流保护电路;三是在主开关电源的二次侧设有以模拟晶闸管QS2、QS3电路为核心的过电流、过电压保护电路,保护电路启动时,QS2、QS3导通,迫使VCC控制电路截止,切断送到IC1的VCC电压。该电源板的集成电路引脚功能和参考电压见表1、表2。
1.三无,指示灯不亮
该电源板发生三无,指示灯不亮,故障在市电输人和整流滤波电路或副电源。检测CX4两端是否有市电整流滤波后产生的300V电压,如果无300V电压,故障在市电输入抗干扰电路,查看熔丝F1是否熔断,如果F1熔断,说明电源板存在严重短路故障;如果300V电压正常,测量NCP1200 (IC15) 的8脚有无启动电压,5脚有无激励脉冲输出。
2.三无,指示灯亮
如果指示灯亮,主开关电源无电压输出,则是主开关电源发生故障。首先测量TDA16888的9脚是否有15V左右的VCC电压,如果无VCC电压,则检查开关机控制电路IC11A、QS1、IC2、Q1;如果vCC电压正常,则测量其8脚有无PFC激励脉冲输出,10脚有无PWM激励脉冲输出,如果无激励脉冲输出,测量TDA16888及其外部元器件是否正常。
3.自动关机
如果开机的瞬间主开关电源有电压输出,然后降到0V,则是保护电路启动引起。测量模拟晶闸管QS3的基极电压由正常时的0V变为0.7V以上,则是该保护电路启动。全部解除保护:将QS3的基极对地短路。逐路解除保护:逐个断开取样电路QS3基极之间的连接隔离二极管DS15、DS10、DS11, 如果断开哪路保护检测电路的隔离二极管后,开机不再保护,则是该路保护检测电路引起的保护。
创维JSK3250电源板电路原理和维修图解如图3所示。

