创维液晶彩电采用的715C3465-P0 xx系列电源板,为开关电源与背光灯供电电路合二为一的电路板,常见型号有715G3465-P01-0HV-001S、715G3465-P02-003M、715G3465-P02-0HV-001M。这三种电源板电路结构基本相同,应用于创维19S19IW、24S19IW、22S19IW等小屏幕液晶彩电中,22in液晶彩电配TPT216B1-L01显示屏,24in液晶彩电配M236H-L01显示屏。创维715G3465-P0 x系列二合一电源板实物图解如图1所示;电路组成框图如图2所示。
该系列二合一电源板由开关电源和背光灯逆变器两部分组成。开关电源:以驱动控制电路LD7576A (IC901) 和大功率MOSFET (开关管) Q901 为核心组成主开关电源,产生12V、5V电压,为主板和背光灯供电电路供电。开关电源部分只有一个 主电源电路,没有PFC电路和副电源,电路简洁,工作可靠。开关机电路不对开关电源进行控制,但对电源板上的背光灯供电电路进行开启/关闭和亮度调整控制。
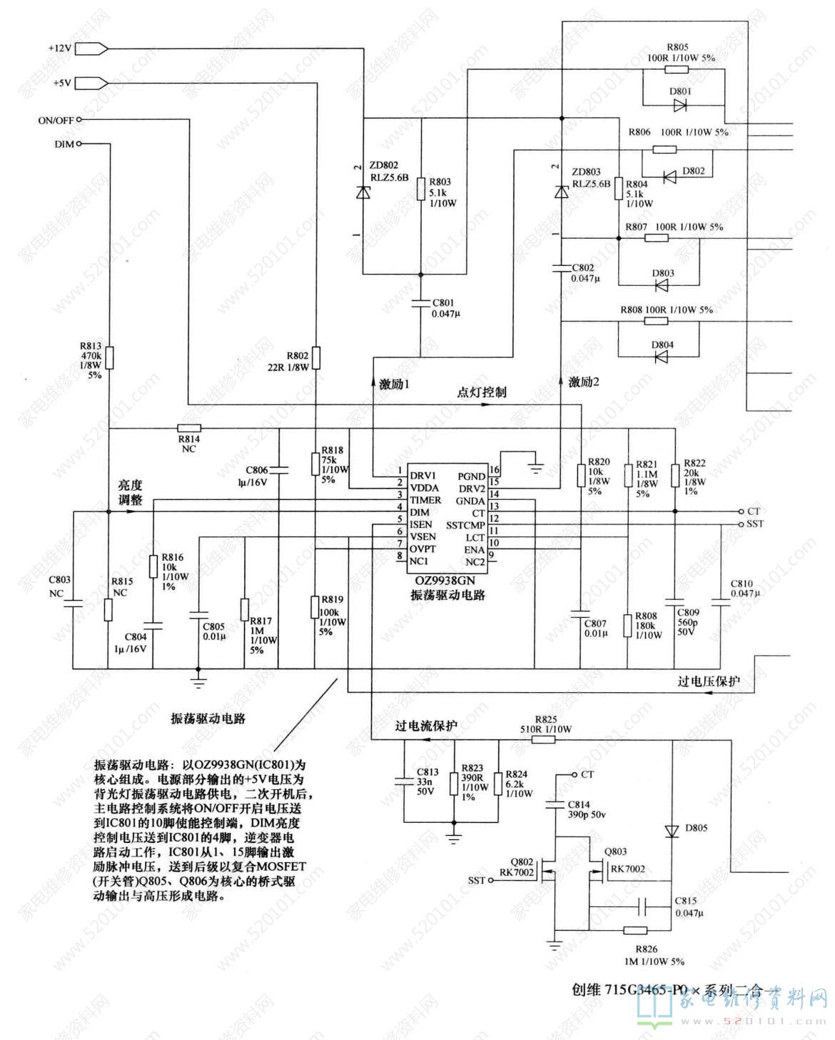
通电后开关电源即启动工作,向主板和背光灯供电电路提供12V、5V电压。背光灯逆变器:由以IC801 (OZ9938GN) 为核心的振荡驱动电路、复合MOSFET (开关管) Q805 、Q806为核心的桥式驱动输出与高压形成电路组成。电源部分输出的+5V电压为背光灯振荡驱动控制电路供电,+12V电压为桥式驱动输出与高压形成电路供电。开机后,主电路控制系统向背光灯逆变器电路送去ON/OFF开启电压和DIM亮度控制电压,逆变器电路启动工作,将+ 12V直流电压转换为接近于正弦波的交流高压,去点亮液晶显示屏内部的4只背光灯。
该电源板在开关电源电路和背光灯逆变器电路均设有保护电路:开关电源电路一次侧围绕LD7576A内部的保护功能,设有MOSFET (开关管) Q901 过电流保护电路。当发生Q901过电流时,在其源极电阻R914. 上的电压降增加,该电压经R922送到LD7576A的3脚CS保护端,内部保护电路启动,停止输出激励脉冲;在12V电压输出端设有由ZD920、0903组成的过电压稳定电路。背光灯逆变器电路设有灯管电流的检测保护电路和输出过电压保护电路。
电流检测保护:背光灯管连接器CN801~CN804的2脚灯管电流回路通过L801、L802互感产生电流检测电压,经D809整流后,一是经R825送到0Z9938GN的5脚,通过IC内部的检测,调整两个驱动脉冲相位差,改变一次绕组占空比达到二次电流恒定;二是送到Q803、Q802进行比较放大后,对029938CN的13脚,即IC的运行频率进行控制。
过电压检测保护: 一是PT802输出的高压,经C816、C823、 R827、 R831、 R832 和C824、C825 、R833、R834、 R835 分压后,经过D806整流产生检测电压,送到0Z9938GN的6脚;二是CN801CN804的2脚灯管电流回路产生LV1 ~ LV4检测电压,经D807、D808整流后也送到0Z9938CN的6脚。当检测电压超过保护设定值时,IC内部保护电路启动,切断1、15脚的激励脉冲。该电源板的集成电路引脚功能见表1~表2。
创维715G3465-POx系列二合-电源板发生故障,主要引起开机三无、指示灯不亮和黑屏幕的故障,王3可通过测量熔丝是否熔断、测量关键点电压的方法进行维修。
1.开关电源无电压输出
测量熔丝 P901是否熔断,如果已经熔断,说明开关电源存在严重短路故障,. -是检测市电输入电路的C901 ~ C903和整流滤波电路的BD901、C905 是否击穿漏电;二是检查电源开关管Q901是否击穿,如果击穿,进一步检查Q901漏极外接的尖峰脉冲吸收保护电路D901、R908、 C906 是否开路失效,检查Q901的源极电阻R914是否连带损坏等。避免更换Q901后,再次损坏。如果熔丝 F901未断,主要是开关电源电路未工作,一是测量Q901的漏极有无300V电压,无300V电压,排除市电输入和整流滤波电路开路故障,常见为NR901烧断或接触不良。二是测量LD7576A的8脚有无启动电压,无启动电压,检查8脚外部的R904、R905; 有启动电压,检查LD7576A的6脚有无vCC工作电压,无VCC工作电压,检查6脚外部的R909、D902、 c908、 c919二次供电电路。三是测量LD7576A的5脚有无激励脉冲输出,如果无激励脉冲输出,则是LD7576A电路故障,测量LD7576A的外部元器件,外部元器件正常更换LD7576A;如果有激励脉冲输出,则检查5脚外部的Q901及其外部电路。四是检查T901二次整流滤波电路是否发生开路故障,造成无输出;五是检查整流滤波电路D904、D906和滤波电路是否发生短路漏电故障,造成开关电源过电流保护电路启动。
2. 背光灯始终不亮
检修时,可先测量逆变器的工作条件: +12V和+5V供电电压、ON/OFF启动电压、DIM亮度调整电压是否正常。上述电压正常后,再对逆变器电路进行维修。也可采用模拟供电和控制电压的方法维修。将逆变器与主电路板连接器断开,将ON/OFF控制端和DIM亮度调整控制端通过1kQ电阻接+5V供电端,模拟主板发出的背光灯启动电压和亮度调整电压。然后进行开机实验,观察背光灯是否被点亮,若背光灯能正常点亮,则判定逆变器正常,故障在其他组件;如背光灯不能点亮或点亮后马上熄灭,可判定逆变器电路或CCFL背光灯管有故障。逆变器电路工作条件正常,检查OZ9938CN的1、15 脚有无激励脉冲输出,无激励脉冲输出,,则故障在OZ9938CN及其外部电路;否则故障在由Q805、0806和PI802组成的高压形成电路。
3. 背光灯亮后熄灭
如果开机的瞬间, 有伴音。显示屏亮一下就灭, 则是逆变器保护电路启动所致。如果背光灯灯管亮后马上就灭,则是过电流保护所致;如果灯管亮1s后才灭,则是过电压保护所致。逆变器部分过电压、过电流保护电路主要对O29938CN的5、6脚电压进行控制,检修时,可在开机后保护前的瞬间通过测量OZ9938GN的5脚和6脚电压判断保护电路是否启动。如果6脚电压异常,则可判断是电压反馈电路引起的保护;如果5脚电压异常,则可判断是电流反馈电路引起的保护。创维715G3465-P0 xx系列二合一电源板电路原理和维修图解如图3所示;背光灯逆变器电路原理和维修图解如图4所示。


