创维32L01HM液晶电视指示灯亮但不开机的故障维修

2022-04-26 18:12:17  阅读 1542 次 评论 0 条
摘要:

一台创维32L01HM型液晶电视,上电后红色指示灯亮,不开机。分析检修:上电查看开机打印信息(需把波特率设为“9600

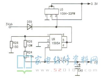
       一台创维32L01HM型液晶电视,上电后红色指示灯亮,不开机。分析检修:上电查看开机打印信息(需把波特率设为“9600"), 没有显示。测开关电源输出的5Vsb电压为5.2V(正常),但12V、24V电压为0V,主板送给电源板的Power信号电压为0V,说明故障在主板上。U5( 1084-33PM )输出电压为3.3V,正常,但1.2V电压很低。断开1.2V负载,1.2V电压仍很低,说明故障出在以U9为核心的转换电路中,如图所示。

创维32L01HM液晶电视指示灯亮但不开机的故障维修 第1张

      测U9的供电端④~⑥脚电压为4.6V,正常;代换滤波电容CA9后试机,故障依旧。检查反馈电阻R28、R86、R24均正常,判断U9不良,将U9换新后故障排除。

版权声明:本文为转载文章,版权归原作者所有,欢迎分享本文,转载请保留出处!