乐华32L20液晶电视通电指示灯亮但不开机的故障维修

2022-04-26 18:01:14  阅读 1640 次 评论 0 条
摘要:

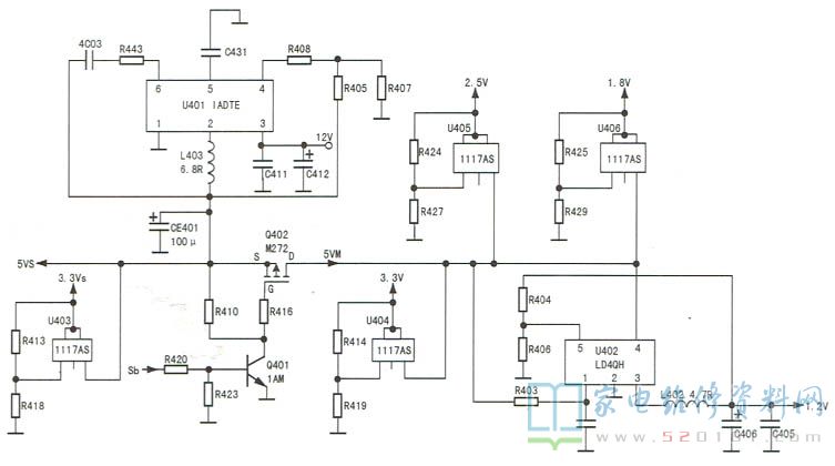
接修一台乐华32L20液晶电视,故障表现为上电后电源指示灯亮,不开机。该机采用三合一主板。上电后,开关电源就输出12V和35V(背光供电)电压。信号处理电路所需的3.3V.2.5V、1.8V等电压形成电路

      接修一台乐华32L20液晶电视,故障表现为上电后电源指示灯亮,不开机。该机采用三合一主板。上电后,开关电源就输出12V和35V(背光供电)电压。信号处理电路所需的3.3V.2.5V、1.8V等电压形成电路如图1所示,二次开机后,MCU输出高电平开机信号(Sb),Q401、Q402导通,输出5VM电压。上电,测得开关电源输出的12V和35V电压均正常,说明开关电源正常;5Vs、3.3Vs电压也正常,且Q401的基极电压为0.7V,R420左端电压为3.2V,说明MCU已经输出了开机信号。测量DC-DC转换电路输出电压,5VM和3.3V正常,但给内核供电的1.2V仅为0.6V,明显不正常。更换U402(丝印号LD4QH)后试机,1.2V正常,故障排除。

乐华32L20液晶电视通电指示灯亮但不开机的故障维修 第1张

版权声明:本文为转载文章,版权归原作者所有,欢迎分享本文,转载请保留出处!