创维酷开55N2液晶电视主板维修图解

2022-03-16 18:59:29  阅读 1022 次 评论 0 条
摘要:

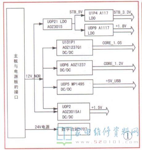
酷开55N2电视信号处理之供电系统结构如下图1所示。电源板送来的+12V供电经各稳压电路稳压或变换电路的变换后送给相应的电路。12V 一路经UOP21转换,得到+5V;+5V-路经U1P4转换,得到3.

         酷开55N2电视信号处理之供电系统结构如下图1所示。电源板送来的+12V供电经各稳压电路稳压或变换电路的变换后送给相应的电路。12V 一路经UOP21转换,得到+5V;+5V-路经U1P4转换,得到3.3V电压,给E'PROM、音频功放供电;一路经UOP9转换,得到1.8V电压,给EMMC供电。

         +12V一路经U101P1、UOP6变换, 得到+1.05V、+1.2V,给内核供电;一路经UOP5 ,得到5V ,给USB模块供电;一路经UOP2,得到1.5V,给DDR模块供电。

创维酷开55N2液晶电视主板维修图解 第1张

创维酷开55N2液晶电视主板维修图解 第2张

开机过程:

1电源板送+12V供电给主板;

2. +12V经UOP21,得到+5V,给CPU供电:另外,+5V经UOP4得到+3.3V,+3.3V给背光控制、SPI FLASH等电路供电。

3.CPU(UI00 )的供电脚得到供电电压、复位脚得到复位电压后,外围晶振起振,CPU开始工作。首先UI00内的主控系统与UOM9进行通讯,然后主控制器运行UM9内的启动程序( Mboot)。

4.U100工作后,CPU的部分IO引脚会输出默认电平,其中,AG6脚输出PWR ON/OFF 开机信号(高电平),经RIS7、RISI2、RIS13后送往电源板。

5.电源板得到PWR ON/OFF开机信号后,系统将主板供电全部打开,主板开始工作。

6.主控系统对NAND FLASH.E PROM.DDR3SDRAM进行初始化。

7主控系统与DDR通讯后,将NAND FLASH中的主程序装载到DDR中,并运行主程序。

8主控系统开始对各类青存器进行初始化,检测音响等总线连接,并对其初始化。

9主控系统从UOM5中读取用户程序数据。10.初始化完成后,系统处于开机状态。

创维酷开55N2液晶电视主板维修图解 第3张

创维酷开55N2液晶电视主板维修图解 第4张

版权声明:本文为转载文章,版权归原作者所有,欢迎分享本文,转载请保留出处!