创维8R39机芯液晶电视电路分析与升级方法

2022-03-15 17:52:15  阅读 978 次 评论 0 条
摘要:

创维8R39机芯液晶彩电电路结构如图1所示,其中U25 (RTD2852S) 为主芯片,UOM4 ( THGBMFG6C1LBAIL TOSHIBA ), 8GB EMMCFLASH用于存储启动程序, U

      创维8R39机芯液晶彩电电路结构如图1所示,其中U25 (RTD2852S) 为主芯片,UOM4 ( THGBMFG6C1LBAIL TOSHIBA ), 8GB EMMCFLASH用于存储启动程序, UOA1(TPA5751)为数字音频功放。

创维8R39机芯液晶电视电路分析与升级方法 第1张

一、供电电路简析

1、+5V_ NOR供电电源板送来的+12V_ NOR供电经U3P1(AOZ3112DI )变换得到+5V_ NOR电压,供给USB等电路,如图2所示。

创维8R39机芯液晶电视电路分析与升级方法 第2张

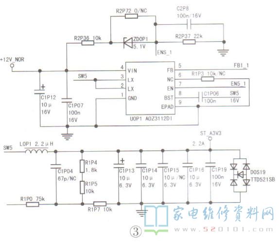
2、ST_ A3V3/D3V3供电电源板送来的+12V_ NOR供电经UOP1(AOZ3112DI )变换得到ST A3V3电压,供给U25中的CPU部分电路如图3所示。

创维8R39机芯液晶电视电路分析与升级方法 第3张

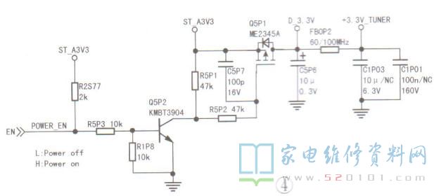
      ST_A3V3电压经Q5P2.Q5P1控制后输出D. 3.3V电压,供给EMMC、RTD2852等电路,如图4所示。

创维8R39机芯液晶电视电路分析与升级方法 第4张

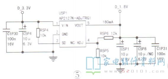
3、ST_ 1V8 供电D.3.3V 经U5P1(AP2127K) 变换得到D_ 1V8电压,供给EMMC电路,如图5所示。

创维8R39机芯液晶电视电路分析与升级方法 第5张

4、CORE供电该电压形成电路如图6所示,开机后,使能控制信号送到U2P20①脚,U2P20工作,将12V_ NOR供电变换成1V(CORE_ 1V0),供给主芯片U25内核电路。

创维8R39机芯液晶电视电路分析与升级方法 第6张

三、厂调试说明

进入工厂模式方法1:先按遥控器上的设置键,,选择“关于本机”一“本机信息”,再依次按遥控器上的“上、上、下、下、左、右、左、右"方向键即可进入。

进入工厂模式方法2:当工厂模式菜单里的“单键模式开关"置为“开”时,按工厂遥控器.上的“工厂调试' 键( 3FH)即可。退出工厂模式:按“返回”键或“工厂调试”键(3FH )键即可。

三、软件升级方法

        本机芯液晶彩电的程序有主程序和UBOOT程序两部分,均可进行升级,其升级方法有工厂菜单升级、在线升级、待机键强制升级、串口触发升级和OTA升级(本地升级),如图7所示。

创维8R39机芯液晶电视电路分析与升级方法 第7张

        提示:8R39机芯的主要数据(如MAC地址、HDMI KEY、防串货码)放置在EMMC中(主要地址说明:串码识别地址为05H,串码起始地址为07H,HDCPKEY起始地址为27H ,MAC地址为170H),在生产预调时需写入。

1、OTA升级方法

(1)、本地媒体升级先将升级压缩包(8R39_ 55M9_ ****.xip 文件)存入U盘根目录(单分区普通U盘,不能使用酷开U盘,下同);然后给电视机上电,让其进入开机状态,接着将U盘插入电视机的相应端口,依次按遥控器上的“主页"和“左”键进入“本地媒体"页面,找到并选择“8R39_ 55M9_ ****.i.",最后按“确定”键,机器将自动升级(升级时间约5min)。在升级过程中,不要断电,否则会造成机器无法升级或升级失败而不能开机。

        升级完成后,系统会自动重启,电视机会自动开机。

(2)Recovery升级先将升级压缩包(8R39_ 55M9_ ****.xip 文件)存入U盘的根目录,再将U盘插到电视机的USB接口中,然后在给电视机.上电的同时按住“待机”键5s左右,电视机屏显U盘升级对话框,点击“升级”按钮,电视机将自动升级(升级时间约5min )。

(3)在线升级此方法须保证电视机网络畅通,同时保证电视有足够的存储空间(可插入U盘或SD卡,剩余空间建议大于500MB)。首先按遥控器的“主页”键,进入“设置”页面,选择“升级”,进入系统升级页面,如果有更新程序可以升级,那么系统升级界面会显示出升级提示框,这时根据界面的提示操作即可。升级后的第-次重启的开机时间会比平时长1min~2min,请勿在此阶段关机,以免数据拷贝出错而导致系统异常。

2、installimg升级

(1)串口触发升级

       此机芯采用创维最新HDMI调试端口。先将程序installimng拷入U盘根目录,然后将U盘插到电视机的USB2.0接口中,连接好串口小板或刷级盒子,打开串口调试程序(如“超级终端”),连接串口,最后再开机前按住电脑键盘上的“TAB”键,待出现升级界面后再松手,此时系统开始升级。当在出现“install Complete"提示时,表示升级完成,随后重启系统即可。

(2)待机键强制升级

       如果电视机出现故障而无法进入主页进行本地升级,那么可采用强制升级方法:先把下载的升级文件更名为installimng(注意扩展名为img)并存入U盘的根目录,再将U盘插入电视机的USB2.0接口中,然后在给电视机上电的同时按住“待机”键5s左右,电视机将自动升级(指示灯闪烁,表明进入升级模式,过一会儿后屏幕显示升级状态)。当出现“install Complete' 提示时,表示升级完成,随后系统会自动重启。

(3)工厂菜单升级

       先进入工厂菜单,然后选择“工厂菜单”一“通用设置”--,“系统升级”,接着将instlling文件存到U盘根目录下;并将U盘插到电视机的USB2.0接口中,按“确认”按钮后电视自动重启后即进入自动升级状态。当出现"install Complete"提示时,即表示升级完成,随后系统会自动重启。

3、空白EMMC芯片烧写

      换用空白EMMC芯片后,需通过串口(6.3版本)烧写BOOT程序,具体烧写步骤和串口设置参数如图8、图9所示。

创维8R39机芯液晶电视电路分析与升级方法 第8张

创维8R39机芯液晶电视电路分析与升级方法 第9张

      待BOOT程序烧写成功后,将存有Installing文件的U盘插入USB2.0接口中,系统会自动升级。如果无法完成烧录,则需重新进入并单击“Starr"再开机。若多次烧录均不成功或烧录完后打印信息不正常(最后一行通常显示“C" ),则说明主芯片和DDR或FLASH间的通讯不正常,这时先检查供电网络,然后重新焊接或更换主芯片、DDR和FLASH。顺此附。上本机芯常见故障速查表,如表1所示,供参考。

创维8R39机芯液晶电视电路分析与升级方法 第10张

版权声明:本文为转载文章,版权归原作者所有,欢迎分享本文,转载请保留出处!