液晶电视不开机表现在电源指示灯不亮或指示灯亮,用遥控或本机按键开机指示灯均无变化,或表现为面板指示灯闪烁又熄灭开不了机;有的表现为冷开机正常,工作一段时间(热机)又自停机;个别表现为反复开机几次才能开机,但关机后又开机再出现同样的问题等等。
液晶电视不开机故障较普通,涉及缘由较多,有的涉及开关电源,有的涉及主板控制系统时钟振荡电路、复位电路、程序FLASH块、DDR,还有的涉及软件,因此维修液晶电视不开机故障与普通CRT有区别,难度有所增加,但仍有许多问题是容易发现并可快速排查,实现良好的经济收入。首先判定不开机故障在主板还是在电源?观察面板指示灯不亮,故障通常在开关电源;如果面板指示灯亮,二次开机整机仍不工作,故障可在开关电源,也可在主板。
图1为液晶电视主板与电源、背光板间的逻辑关系图。区别电源与主板间关系的方法;强制给电源接入开机电平。通常液晶电视主板给电源提供的开机电平都是高电平,此电平由电源产生的5VSB接入开机控制脚就能实现,这是上门维修人员进行板级维修时惯用的手段之一。
图1中示意的是部分液晶电视开关电源,它通常分为副电源、PFC和主电源三部分。副电源是最先启动工作的电路,一旦220V交流电接入便工作,由它产生5VSTB(或5VSB )供主板控制系统中的主芯片(包括时钟振荡)、复位、本机按键、遥控电路和开/待机控制电路作偏压供电等。控制系统得电工作后,主芯片、复位电路、时钟电路工作,系统快速置STB脚为开机电平(通常为低电平),打开电源PFC和主电源,输出5V、12V等电压去主板,由主板转换成3.3V、1.2V DDRV等各种电压。主芯片首先运行保存在IC内ROM区的最开始的一段ROM程序(芯片厂家注入),这段程序用于检测主芯片组成的硬件环境,即检测包括CPU、EEPROM、FLASH和DDR等主芯片与他们连接的1/0端口是否启动正常,给后续加载操作系统和应用程序做准备,并读取保存在EEPROM中的开机指令,如果有待机功能,系统会自动待机。这一过程完成时间非常短暂,此时观察面板指示灯会闪烁不停,后又返回到待机指示状态(电视机待机),其原因就是这一过程的具体体现。在用户发出开机命令后,系统会重新置STB脚为开机电平,启动PFC和主电源工作,再次重复上述过程,系统在Boot loader( Boot此段程序设置操作系统、用户信息及应用程序在DRAM中的分区等任务)引导下,将FLASH中的操作系统和应用程序加载到DRAM中去运行。操作系统有两个任务:一是用于组织和控制软硬件,使安装了操作系统的设备按预期的方式运行;二是提供兼容的应用程序接口,从而满足用户下载安装有各种应用在同一个产品上应用。液晶电视工作过程既然如前所述,现就液晶电视各种原因引起不开机涉及的原因进行分析,以期了解液晶电视不开机故障的检修思路和方法。
一、利用主板电压分布网络进行故障快速排查
液晶电视主板元器件小,电路板采用多层板,关键芯片几乎都采用BGA封装,故对液晶电视主板的故障判定,首先是观察电路板有无元件脱落元件烧坏等,其次就是检测主板各DC -DC块输入输出电压,根据各种资料提供的主板电压分布网络能很快判定故障发生部位。图2是长虹LM41机芯液晶彩电电源供给主板12V的电压分布网络图。电压分布网络如同开车的师傅去一个陌生地方一样,随身携带的地图,有了它故障的判定变得简单很多。
从图中可知,控制系统所需的5VSB由12V经主板U8输出产生,此电压相当于副电源输出的5VSTB。此5VSB分三路:一路经Q5降压成3.3VSB给主芯片及复位电路、时钟振荡、键控等电路供电;一路经插座CON5给遥控板和面板指示灯供电;第三路经U6在二次开机控制后输出5V-USB,此5V相当于主电源输出的5V。此5V又分三路:第一路经Q451延时控制后输出5V-SW给EEPROM和经U02降压输出两类3.3V给主芯片、FLASH块U1、EEPROM总线I2C提供偏压。其中,一路3.3V还经U10转换成DDRV(1.5V)给主芯片和DDR3组成的应用程序运行电路和变频电路供电.第二路经U7转换成VCCK(1.2V)供主芯片内核运行工作供电。第三路供USB接口工作。由此可见,该机芯产品如果出现指示灯不亮,在确认开关电源输出12V正常时,便可确认主板上U8,U6或Q5组成的电路有故障,导致无5VSB;如果指示灯亮,接通电源后遥控开机指示灯颜色不变(或不闪烁)不开机,测量开/待机控制信号电平没变化,通常是以主芯片组成的基本控制电路没有工作,根据电压网络应该先查Q5输出3.3VSB电压,后查时钟振荡电路和复位电路;如果接通交流电指示灯闪烁却不能打开整机画面,则应检查供FLASH、DDR等电路所需的供电电路,如电压分布网络中U7输出的VCCK内核电压、U10的DDRV电压U02输出的3.3V、Q451输出的5V、U6输出的5V等,以及EEPROM存储器的供电、总线电压等是否正常。以.上环节之一或IC相应供电脚供电有故障,都将导致系统不开机,出现指示灯亮而不能开机故障。
例1:一台海信LED32K311 (主板RSAG7.820.4721)液晶彩电,灯亮不开测试主板各路电压,发现N5输出5VS为0V。N5输出此5V作用大,影响范围宽,不但影响图像、伴音处理,还影响与控制相关的关键电路,如DDR变频电路、内核、EEPROM,它的作用同图2中U6输出的5V-USB的作用。N5输出的5VS再经N12、开/待机控制后变成5V。此5V一路经N9形成DDR所需的1.5V, 一路经N7输出内核所需的VCC 1V的启动电压(接N7的⑥脚),一路经N13输出供主芯片工作所需的+2.5V_ Normal和N10输出3.3V的供电电源(3.3V 使用范围可多了,给FLASH块N3、系统输出各类控制信号作偏置供电、用户存储器EEPROM总线I2C总线提供偏压、系统VDDP端等供电l。由此可见,N5没有电压输出,整机肯定出现指示灯亮,指示灯不闪烁也不会开机故障。
图3是N5工作原理图。其12V供电来自电源,①脚接此IC输出端,用户IC启动时间设置;②脚反馈控制端;③脚为内部5.5V调整输出,外接电容到地;④脚软启动端;⑤脚、⑧脚.⑨脚地端;⑥脚未用;⑦脚高于2V工作,低于0.4V时IC不工作,且⑤脚也无5.5V调整电压输出;12脚供电端为内部高边驱动N沟道FET管栅极提供工作电压,外接自举电容,使12脚电压由⑤脚产生的5.5V再叠加上10、11脚在C15上建立的自举电压;10、11脚开关脉冲电流输出,经外部LC滤波形成5VS电压。对此IC进行检测,发现⑦脚(EN)电压只有0.7V ,根据.上述介绍内容可知,该脚电压启动为2V,显然IC不工作因⑦脚引起。查其外围元件发现电容C16(实为C76)漏电,更换后电压恢复正常,整机开机正常。
例2:一台TCL LE42D8800型液晶彩电(机芯MST6M182,电源、背光源和主板三合一机芯),灯亮不开机。
电源提供12V和+5V_STANDBY(简称5VSTB)给主板供电。其中, 5VSTB要给Q401组成的复位电路和U102供电,U102输出+3.3V_Standby给FLASH( U402、S25FL032K )和主芯片U401供电。另外, 5VSTB在开/待机信号控制下经Q116转换成+5V_Normal,此5V经U101 (SY8008B)输出+1.2V_ VDDC供主芯片内核工作所需电压,经U103形成供DDR工作所需的1.8V,经U104形成2.5V供主芯片U401等等。由此可见,指示灯亮,可以判定电源送往主板的5VSTB电压正常,U102输出3.3V正常。系统有指示灯控制信号输出,表明系统的复位电路、时钟电路在工作,但二次不开机,说明系统对FLASH和DDR等检测不成功。对这些电路检查,首先是测供电电压。测Q116输出5V正常,再测
量与系统有关的DDRV和vCORE 3.3V电压正常,但U101输出1.2V电压只有0.9V,显然故障与此电压偏低有关。检查u101没发现短路现象,更换u101后故障排除。相关电路见图4。

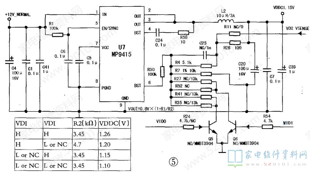
例3:一台创维32E30SE型液晶彩电(机芯8S06,主芯片MSD6A801FVA-WR),开机指示灯闪,但仍不能开机。测量电源送往主板的+5V_ Standby、+ 12V_ Normal、24V正常,开/待机脚电平有变化,但又返回待机状态。对主板各路电压检测时,发现U7输往内核供电只有0.7V正常时该脚应有1.2V ,见图5。手摸U7有轻微发烫,测其输出端对地电阻只有8592( 正常为65502),怀疑芯片损坏。更换主芯片后再测U7输出1.2V恢复正常,故障排除。

注:U7输出电压值太高(超过1.24V)或太低(低于1.18V)时,主芯片不能正常工作。图5中Q5、Q6及c极所接电阻在路状态影响U7输出电压值,检修时要判定电路中各电阻在路状态。
例4:一台长虹ITV32939E型液晶彩电(LS26I 机芯,主芯片U39( MST6M15)),接通电源,指示灯闪烁几次后返回待机(常亮状态),用遥控器或按键操作没任何反应。通过反复关掉总电源和二次开机,监测主板各DC-DC块,发现U22(MP2359)输出1.26V 内核电压不稳定,测U22输入5V正常;检测④脚standby_MP2359控制信号,发现Q32有软击穿现象,更换Q32后排除故障。
U22输入5VSTB电压要通过U22输出内核所需供电,④脚(EN)需处于高电平时才能输出,此脚启动信号由主芯片输出开/待机控制低电平信号,使Q42的c极为低电平,再接入Q32基极,Q32截止,从c极输出5V的电压接入④脚。该机电源能正常开/待机控制,是由于Q42正常工作,而主板不能完成开机是由于U22无法进行开待机启动引起。注:主板各DC-DC块正常工作时,U18输出1.8V、U38输出3.3V、U28输出2.7V供DDR,H22输出1.26V供主芯片内核。
例5:一台长虹LT42710FHD型液晶彩电(LS20A机芯),通电后电源指示灯快速闪烁后回到待机状态,不开机。在指示灯闪烁时检测插座J901的①脚开/待机脚电压为3.5V,电源瞬间有24V、5V、5VSTB电压输出,说明系统中时钟振荡、复位电路工作正常,并瞬间输出了STB开机信号,但CPU对系统串、并总线与FLASH块、DRAM相连的I/O端口进行检测时却发现端口有故障,机器因试循环几周仍不能判定有故障导致系统自动中断,处于死机状态,故出现指示灯闪而不能开机。
出现类似故障仍采取先测量主板供电来判定故障,也可针对性地对FLASH块DDR供电电路进行测量判定。根据该机芯电压分布网络测量主板电压,很快发现主板上供DDR的U28输出的2.7V电压仅1.9V,而U28输入电压也只有3.1V,其前端降压二极管D10正极却有5V,负端却为3.1V,怀疑二极管性能不良,更换后故障排除,相关电路见图6。
由此图标注的U28输出电压的作用可以看出,U28输出电压主要是满足主芯片和DDR组成的格式转换电路的供电电源电路。此部分电路在开机后既作画面格式转换数据暂存器,又作为程序运行存储器,故这部分电路有故障必影响开机。
由此可见,液晶电视许多故障均是板上DC-DC失效引起,我们只要了解电压分布图或主板电路图,或根据各DC-DC块上面的型号判定输出电压高低,就可以做到对主板不开机或自动关机等故障进行排查的。DC- DC块之所以容易坏,是因为他们负载重的结果。替换时要考虑输出最大电流及自身耗电和焊接时散热片要与电路板焊接良好,避免它二次损坏。
二、利用串口工具软件判定主板不开机故障部位
串口工具软件在平板电视机维修行业通常叫打印软件,其文件名便是SecureCRT ,其功能强大,电视机使用它是利用它安装在电脑上,再将电视与电脑连接在一.起,通过电脑桌面来读出电视机主板在开机后,整机软.件驱动电路的过程,从读出的信息中来判定硬件状态。如果整机软硬正常,原则上用此软件能将整机所有通过串、并总线控制的被控制电路状态在电脑屏幕上显示出现。如果程序运行中遇到某单元电路有故障,程序便自动停止在程序运行中止的位置,同时在屏幕上显示出来,维修人员根据这些显示信息来判定电路故障部位。
1.了解打印工具应用
我们先了通过长虹IS30I机芯液晶电视机了解一下利用打印软件打印一台正常工作主板的开始段部分信息的内容。先将打印工具和电脑、电视机连接正确,然后启动主板供电,在电脑上就会显示整机程序运行的信息(这些信息中的英文字母为电脑显示的打印信息,而中文是作者为让读者了解,做了部分注解,有些涉及指令缩写未作更详细说明),读者通过对这些内容的了解,实现更好地利用此软件,从而达到提高故障判定速度的目的。
(1)Boot(电脑屏幕上显示boot,是最早显示的一段信息,表明系统已运行完boot引导程序。此程序通常放在FLASH块中,故显示此信息说明系统时钟、复位、供电和FLASH块工作正常。屏幕上无boot显示,说明主芯片和前述的这些电路有故障。无boot显示,也就无后续的打印信息了)。
(2)DRAM Channel A Calibration[此项说明系统运行完FLASH后输出总线在对DRAM,就是DDR或sDRAM动态随机存储电路进行检测。有此显示后,才会有下面的HW Byte 0~HW Byte3项目显示。由于电路板上安装有两块DDR,故各有两类DQS检测,见(3)。如果DRAM检测不成功,会出现相应提示,屏幕上显示项目也会终止在此]。
(3)HW Byte 0:DQS (21~49),Size 29,Set 32,HW_Set 39
HW Byte1:DQS(15~44),Size 30,Set 26,HW Set33
HW Byte2:DQS(2046),Size 27 ,Set 30,HW_Set35
HW Byte3;DQS( 18-43 ),Size 26,Set27,HW_Set35
(4)DRAM A Size=512 Mbytes (已判定DRAM的存储量大小是512MB,此显示后程序再返回到运行boot)。
(5)Boot(运行boot)。
(6)Start Pmain(启动主程序)0x000a0。
(7)Nand boot(读nand FLASH程序)。NID=0x2690d398 (读到了保存在Nand Flash中的D号,涉及登录乐视服务器的账号)。LZHS addr:0x00100040IZHS size:0x0007fa38LZHS checksum:0x000000
(8)Boot。
(9)Start Imain。
(10)No PCIE on this board [判定整机没有安装PCIM(CI/CA卡座)]。
(11)MT5396 Boot Loader v0.9(驱动MT5396主芯片boot的引导程序的版本)。
(12)Boot reason: A/C power onl! (整机可直接启动)。
(13)Load vGA internal EDID.... (检测到内 VGAEDID号)......
(n)Standby通电后显示程序运行完成,整机是否待机?最终能显示Standby,表明整个系统运行正常。
2.如何利用打印工具进行故障判定
下面就一些具体产品利用打印软件进行整机故障判定的实例给大家作介绍,由此了解打印软件应用给维修带来的方便。
例1: 长虹LS30i机芯液晶彩电(采用MST芯片MST6148ZX)的各种不开机时的打印信息。
(1)打印信息最终显示unknown FLASH,见图6该显示的信息说明该机DDR (U14/U15:K4T1G164QE-HCF7 )与主芯片间的端口通讯正常,因为它显示“BISTO-OK.BIST1-OK" ,而最终显示unknown FLASH,表明NAND FLASH(U75 )有故障。据经验,的确此部分电路出故障会出现指示灯亮不开机的现象。此时通过检查U75供电、与主芯片通讯接口或替换U75来排除故障,有时还可能需要重新对U75程序进行刷新来排除故障。

(2)显示的打印信息表明两个DDR(U14/U15)中的U15电路出了故障(见图7),也出现整机无开机动作DDR供电通常有多路,通过测量这些供电脚上电容端的电压来判断DDR供电是否正确输入。由于DDR采用贴片焊接,通常我们仅能实现供电、基准电压形成电路等检查,如果仍不能排除故障,只好替换主板。此机故障系U15的1.8V供电不正常引起。通过检查后故障排除。

(3)二次开机后又返回到待机状态,打印软件显示见图8。此BISTO-OK表明两个动态帧中的第一个DDR组成的电路是正常的,第二个有故障,即[0123456789A][0123456789A]-55表明U14组成的电路存储单元正常,而[][]-33表明U15第二动态帧存储地址电路有故障这样直观的信息表明检修故障时,不必对主芯片U40的时钟、主芯片和FLASH电路U75进行检修,仅对U15组成的地址通道检查就能发现问题。通过对U15地址电路检查,发现地址通道中RP26电阻连焊,对其检修后故障排除。
(4)整机处于待机状态,不能二次开机,打印软件查看信息显示见图9。

根据以往维修经验显示,此信息提示该机DDR与主芯片间端口检测中,发现两DDR中第一个DDR的地址通道有问题(显示[0123456789]0-43)。通过对该机U14周围电路检查,发现地址通道电阻RP13连焊,重新处理后故障排除。

(5)U14(DDR)中的RP20故障时的打印信息见图10[0123456789A]-35也表明地址通道出了故障,这说明BISTO -OK/BIST1 -OK后紧跟的[0123456789A][0123456789A]-55和[123456789][012345678]-54分别是两帧存储器正常工作时的地址状态,如果出现其他不同数据的状态,均表明地址通道有故障。如U14中的RP15出了故障,也不会有开机动作,其打印信号显示见图11。

再如海信LED42K11P型液晶彩电(主板4158板,主芯片MST6i78ZX )出现三无、灯亮,利用打印工具显示信息见图12。

根据前面对长虹彩电故障分析可知,该机的打印信息也表明N17第一个DDR电路有故障,后替换此IC后故障排除。
同样该机型电视出现打印信息显示:
UART_ 115200
BIST0-OK
BIST1-OK
[0123456789][012345678]-44
[123456789][012345678]-54
_nPD
U-Boot 1.1.6 (Aug 27 2010 - 18:22:39)
Board: MSTAR TITANIA( CPU Speed 504 MHz)
DRAM: 134217728
Skipping fash_init
Fash:0kB
NAND:unknown FLASH
此打印信息表明:该机的FLASH电路有故障。通过检查主芯片与NAND FLASH(N34 )间的通信电路,发现U34无供电,继续检查发现电感I50虚接,重焊后故障排除。
例2:一台海信LED32K100N型液晶彩电(主板RSAG7.820.4801)三无灯亮。测主板各路小信号供电均正常,复位电路及总线电压也正常。接上工装,查看打印信息,显示打印信息:
SPI BOOT (SPI 总线通讯引导boot检测正常,这说明已运行了FLASH块
Console nitial OK(内部控制平台巳检测正常)
Maria10: BD. MST021B_10ALG_11313_64M
[MIU]: 64MB - DDR2 800MHz
BIST_0 error。 (BIST出错)........
以上信息表明该产品FLASH程序运行正常,但主芯片与DDR组成的电路有故障。BIST即( Build In Self Test )芯片上电对DDR2模块自检测功能。BIST 完成,紧接会做自动分区设置,如显示HW Byte 0~HW Byte3。如有的产品打印信息显示BIST:OK,表示初级检测通过;显示BIST:NG,表示初级检测失败。此例故障机显示BIST_0 error,显然表示主芯片与DDR通讯有故障,应检查与DDR2有关的电路,如器件焊接、或通道中排阻存在短路、断路或供电异常等硬件问题。
该机主芯片使用MST6M182VG-LF-TZ,DDR集成在IC内,与DDR有关的有供电(N4或N5输出的2.5V,经电感L7接入主芯片各引脚)、基准电压形成MDDR VREF (涉及元件R104、R106、电容C113、C114)。经检查供电无故障,后判定主芯片有故障,替换主板排除故障。
例3:一台海信LED32K16(0001)型液晶彩电(主板号:RSAG7820.4287),灯亮不开机。首先测主板供电3.3V和1.8V等正常,接上工装查看打印信息,发现打印信息显示"BIST0- FAIL BIST1-OK"。此信息表明该机使用的两块DDR其中DDR1组成电路有故障,而DDR2(电路编号N17)正常。DDR1即电路编号为N15组成的电路。对N15组成电路进行检查,发现该集成块基准电压A-MVERF仅0.4V,异常,正常时为0.9V,经检查发现电阻R431阻值增大,替换R431故障排除。N15、N17组成的DDR电路,由于IC焊接采用贴片BGA,如果查出因为IC虚焊引起的故障,通常替换主板即可排除故障。其基准电压形成电路见图13。

例4:一台长虹UD50B6000iD液晶彩电(ZLS47H-iS机芯),不开机,指示灯亮。指示灯亮 ,遥控、本机按键均不能二次开机。为了方便快捷的判断故障所在部位,先通过打印信息来读取板子工作状态,可无任何打印信息,由此推断主芯片MSD6A818组成的控制系统根本没工作。这些电路包括U19输往主芯片的+3.3V_ Standby 供电、时钟Y3、复位电路Q100等。测电源送往主板的5Vstb正常,测复位电路Q100 c极电压始终为高电平,异常,复位电路工作图见图14。

正常工作的产品,从Q100c极输出的复位电压应有从4.9V高电平到0V左右的低电平来实现复位。电视机工作时,c极电压应为0V。实测近4.8V,显然Q100工作异常。经检查发现电容C196已变质,更换此电容,开机电视恢复正常。
通过上面的介绍可以看出,利用软件查找故障非常直观、实用。虽然存在打印软件缩写语言的不理解,但通过大概的了解和维修经验的积累总结,使用这种工具判定故障速度可大大提高。
上面介绍了多起采用电脑,并依靠Secure CRT超级终端串口来检修液晶电视不开机故障,实现了故障判定检修直观快速,避免盲修.通查电路或盲做软件升级等繁琐检修过程发生。现今平板电视主板电路高度集成,广泛采用BGA封装贴片IC,加之电路板又是多层板、IC供电种类多、电视功能繁多,软件驱动不稳定等等因素,导致平板电视故障判定难,显然有一套故障查询工具那就方便得多。因为这样不但能缩短故障查找时间,还能较准确地知道故障发生大致部位。而且,这套工具不仅可以作不开机故障判定,还能用于电视机其他故障电路判定因为它将 整机所有受总线控制的电路状态通过此打印端口读出,实现这一功能的便是今天要介绍的打印工具。打印工具还能用于智能手机、电脑等产品复杂故障判定,以及作为某些产品软件升级平台,由上述可知,从事电子产品的维修人员很有必要学会并掌握此维修工具技能。本期将给大家介绍如何建立和使用此工具。
三、打印工具的建立和使用
1.工具的准备
(1)准备一台带有VGA端口的电脑,操作系统最好为WINDOWS XP。
(2)准备一套能将串口信号转换成USB信号的工具。此工具根据机芯使用芯片不同而不同。目前采用MST.MTK两大芯片的电视厂家较多,故准备配合这两大品牌芯片的转换工具即可。
图15是满足MST芯片生产的长虹整机使用的一套完整转换工具, 它有两个板,图15A作公用板使用。此板有两端口:VGA端口端与电视VGA端口相连。公用板的另一边标有多个四脚插座,表示在与不同机芯使用的像图15B这样的转换板子相连接。图15B分MST和MTK两类。如果图15B板上装有型号FT2232D的集成块时,表示此板是与MST芯片生产的整机配合使用;如果板上装的IC型号是PL2303,表示是与MTK芯片生产的整机配合使用。图15B的USB端口可直接接在电脑的USB端口上,而四芯片插座通过连接线接入图15A中标注的相应机芯的四芯插座上,故图15B电路板的供电由电脑通过USB端口提供。
图16是供MTK芯片生产的电视在做故障时判定使用,上面的集成块型号是PL2303。
另外,也有采用CP2102芯片用于信号转换,以用于MST芯片方案主板上。MTK 系列芯片是全球排名前十名的专业IC设计公司一台湾联发科技公司生产的芯片,它广泛应用在高清电视.平板电视、手机上。
表1罗列了长虹、海信两大品牌采用MTK系列芯片生产的主板相关信息。这些芯片其实都可用上图16再结合图15A的公用工具进行故障判定。

对于MST芯片,它是台湾晨星半导体(MStar)生产的各种主芯片,表2列出了长虹、海信产品使用的不同MST芯片的机芯相关信息。这些芯片生产的整机原则上可用图15所示的工具进行不开机故障判定检修。

这种串口信号转USB的设备因电视主板不同,加之转换板上使用化型号的不同,故需要安装与主芯片认同的驱动程序,将此程序安装在电脑上后,才能实现电脑经转换扳读取电视机运行的数据。
2.软件准备和安装
(1)准备驱动MTK 、MST转换板程序并安装驱动程序的准备需根据转换板使用IC型号来决定。使用型号是PL2303的,在网络上下载PL-2303 Driver Installer.exe的驱动软件即可;采用CP2102也可在网络上去下载安装使用,驱动软件的名称为CP210X VCP _Win2K_ xp.exe。 例如,在百度网上输入PL-2303 Driver Instaler.exe, 并下载到电脑桌面上,然后点击“安装”。
成功安装后,进入“我的电脑"中的“资源管理”,此时屏幕上显示图17画面,在端口(COM和LPT)处,点击端口(COM和LPT).下级子菜单多了prolifo USB -to-serial comm Port (cOM3),即多了USB转串的端口,此端口在电脑的COM3端口上。
注:COM3是电脑自动识别的结果。
(2)安装、使用打印SecureCRT超级终端串口1 )SecureCRT终端工具版本有多种,其安装和使用方法相近,也可在网上下载个"SecureCRT V5.1.0 Build 263绿色汉化版”的安装包并解压,再安装。安装过程中可能有的要填写“名字、公司、序列号”选项,按它给的记事本提供的信息填写即可。

2)安装成功后点击文件包中图18所示的图标(应用程序),后出 现图19所示的画面。如果图19界面没出现点击文件下拉菜单,选择“快速连接”子菜单,也会出现图19所示的界面。

3)设置SecureCRT终端参数。出现图19所示的界面后,选择协议由SSH2为Serial时,便会出现图20所示的界面(注:图19中主机名不填写、端口由22为图17查询的COM3端口。这个不能弄错,不然电脑无法与转换板进行信息交换,这是安装好驱动后电脑自动匹配的端口)。图20中,协议为Serial (串口)端口为cOMB、波特率须设置为115200、数据位为8、奇偶校验为无、停止位为1,数据流控制三个选项统统不选,最后是“保存会话”,“启动时显示快速连接”,“在一个标签中打开"均设置为“选中”。设置好这些参数后下次使用不再设置,点击图18的图标便直接进入图20所示的界面了。要说明的是,转换板在与不同主板匹配时,电脑自动识别的COM口可能不同,你要做的就只有匹配正确的cOM端口的设置了。

4)打印整机软件。检查电视机主板与转换板、转换板与电脑均连接好后,给电视机主板供电,有的产品需遥控开机一次或重新开电源一次,点击图20中的“连接”,此时电脑屏幕上会自动显示打印信号。如果电脑屏幕什么信息也不显示,此时可拿另一套板来验证设备设置连接是否正常,如果正常便可确认电视机有故障。为帮助大家进一步了解打印工具的使用,下面再列举部分案例,供大家了解学习。
3.打印工具应用举例
例1:一台长虹3D58B60001型液晶彩电(37机芯),待机正常,二次开机指示灯闪烁不开机。二次开机指示灯闪,不开机,首先进行查看打印信息,发现遥控开机过程中显示如图21所示信息。先试用u盘重新写入主程序,但在升级过程中出现如图21所示错误信息。

由打印的最终信息分析看,此机故障为FLASH块写数据操作失败,由此判断故障在FLASH存储器组成的电路上。既然打印信息中已对FLASH块分区并进行了大小设置(SIZE),说明主芯片与FLASH块间组成电路基本没故障,故障发生在内部数据写上。采用该资料介绍的工装重新刷一下引导程序“Nand Boot" ,写好后再将主程序升级文件拷入∪盘后,插上主板USB接口,重新断电再开机,电视机顺利写入主程序,升级完成后开机,故障排除。
例2:一台长虹ITV32750型液晶彩电(LS30I机芯,主芯片MST6I48ZX, 属于MST系列),两块DDR(U14、U15型号为K4TIG164QE- HCF7),不开机。
用此文介绍的方法,采用《SecureCRT.exe》工具读取整机程序运行的打印信息如图22左所示。

从显示的信息可以看出,两块DDR均存在故障。它们同时出现故障应该首先查二者共用的电路,就是供电部分。二者供电来自U65输出的1.8V,测其电压下降为1.2V,显然不正常。对U5组成的电路检查,发现电容C18变质漏电,替换此电容故障排除,再重新打印整机运行程序,此时显示图22右信息。
注:电容C18在电路板的背面,由它引起的故障率较高,遇到不开机可替换此电容试试。
例3:一台长虹LED32860型液晶彩电(LS301机芯),不开机,指示灯有时亮闪。利用《SecureCRT.exe》工具,显示信息如图23,并出现反复打印此信息,就是不往后面运行信息。

分析此信息,此机两块DDR虽与主芯片通讯基本正常,因为BISTOK,这表明系统对DDR初级检测通过。它包括DDR的供电、基准电压VREF.地址、命令等信号端口检测基本成功,但系统随后要发出双相同步信号DQS指令对DDR检测时却出现错误,故显I]中的数据不全,且与正常中显示的数据不同。通常DQS检测成功后,系统才会与DDR进行数据DATA交换,故此机故障应出在DDR与主芯片的DQS通常中。通过对主芯片U1与两块DDR(U14、U15)间的DQS通道中的电阻R165、R167等元件进行检查,没发现有变质的情况,相关电路见图24,由此怀疑主芯片或DDR的BGA引脚有虚焊。
对普通维修人员来讲,可用焊枪先对DDR进行加热试着来排除故障。方法是:先在板上对应DDR处的正、背面加松香,试着给DDR加热(温度要控制好,不能将DDR加热取下,但球脚焊锡又刚好熔化),再轻按DDR,待冷却,如果故障现象消失,表明是DDR虛焊引起,否则故障在主芯片或主芯片与DDR间的通道中,此时建议替换板排除故障。注:该机修复后的打印信息与图22右相同。
最后说明:此期介绍的转换板,不仅用于不开机故障判定时使用,还可用于维修人员做智能电视Boot引导程序刷新。因为boot程序必须用固体工具升级,而不能采用U盘升级改写。固体工具升级仍然需要电脑和转换工具,此时转换工具就叫做固体升级工具。如果电脑安装了升级工具的驱动程序就不必再安装,电脑会自动识别,但此时还需安装电脑与主板间进行程序交换的加载程序,我们通常叫“平台软件”。此软件同样要分MST和MTK,且电视机主芯片型号不同,此类平台软件版本有区别,有关这方面的内容可参考其他厂家资料介绍或网上收集相关资料。MST、MTK升级无论版本如何变化,其方法相似,整机写入了Boot后,便能做U盘软件刷新了。
另外,电视品牌虽不同,但只要主芯片使用了MST或MTK,即使各厂家开发的USB转串口工具(也称软件升级工具)不同,事实上相互间是可以通用的,只要保证转换板的VGA端日的12、15脚与电视机的VGA插座的12、15脚的RX、TX对应通道畅通。
