本文接上篇,《创维715G6679-P04-003-002S电源背光二合一板电路原理分析(上)》
三、主电源电路
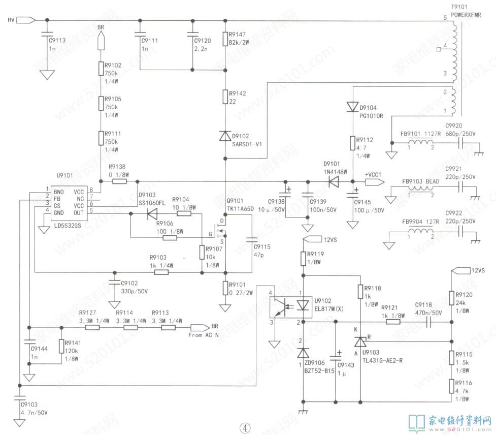
该板的主电源电路采用绿色电源芯片LD5532Gs(U9101),如图4所示。该IC内置振荡器与OLP(过载保护)、OVP(过压保护)、OTP(过热保护)等电路,具有频率补偿、UVLO(欠压锁定)等功能,其引脚功能与实测数据见表2。
1.启动控制
AC220V交流电经全桥BD9901中的一只二极管半波整流后,得到脉动直流电BR(实测值约为110V),该电压一路通过电阻R9113、R9114、R9127与R9141分压,其分压值加到U9101①脚,对输入电压进行检测;另一路通过电阻R9102、R9105和R9111给⑥、⑧脚外接电容C9138充电。
  
 
  
 
当C9138的两端电压达到启动阈值10V时,U9101内部振荡电路启动工作,产生的振荡脉冲经IC内部的驱动电路放大后,从⑤脚输出,通过R9106送给开关管Q9101的G极,Q9101工作于开关状态。开关变压器T9101①-②绕组产生的感应电压经D9104整流、R9112限流、C9145滤波后,输出直流电压+VCC1(待机时实测值约为21.8V,二次开机后实测值约为18.9V),通过D9101隔离后加到U9101⑥、⑧脚,以取代启动电压,确保U9101能持续正常工作。提示:若LD5532Gs损坏,可换用半桥LLC谐振变换芯片FA5643(丝印号:5643),但要用一只56ko/2W的电阻代替R9102、R9105和R9111,并拆下R9113、R9114.R9127不用。
2、同步整流
在该电源次级电路中,119104(SP6018E).Q91O5、D91()4等元件组成同步整流电路,如图5所示。
  
 
U9104内置触发器、电压比较器、边缘检测器、逻辑控制器、驱动器等电路,工作频率高达400kHz。该IC采用SOP-8封装形式,其引脚功能与实测数据见表3。
  
 
为增加输出电压的带载能力,开关变压器T9101次级⑥-⑩绕组与⑦-⑨绕组并绕。T9101⑨、⑩端的感应电压经电阻K9122和R9123分压后,作为同步信号(SYNC)送给U9104⑧脚,先由⑧脚内接的两个电压比较器(基准电压分别为0.9V与3.9V)进行比较,所得控制电压送给边缘检测器,由边缘检测器和逻辑控制器“预测”感应电压的变化趋势,最后通过驱动电路对⑥脚外接开关管Q9105的导通与关断时间进行精确控制。主电源启动工作后,T9101⑥-⑩绕组与⑦-⑨绕组产生感应电压,当⑥、⑦端的电压极性为+,⑨、⑩端电压极性为-时29104⑦脚得到+12V供电,其⑥脚输出高电平,场效应管Q9105导通,次级绕组的感应电压给后级负载供电;当⑥、⑦端的电压极性为-,⑩、⑨端电压极性为+时,U9104⑥脚输出低电平,Q9105截止,滤波电容C9105〜C9110、C9112中储存的电能供给负载。经过几个周期后,C9105〜C9109两端电压(12VS)保持为12V(实测值约为12.18V)O12Vs电压分别经由L9104.C9110及L9105sC9112组成的LC滤波电路滤波后,得到+12V、+12V-A电压,分别供给主板上的信号处理电路与伴音功放电路。
提示:因Q9105的导通和截止时间与T9101次级线图的感应电压变化同步,所以这类整流方式称为同步整流,Q9105也被称为同步整流管。D9108是一只贴片型肖特基二极管,型号为SK510C,并联在Q9105的D、S极间,如图6所示。
  
 
值得注意的是,在该型板中,D9108易击穿,其故障现象为通电后指示灯不亮、不开机,全桥整流输出的300V电压正常,但主电源及背光功率变换电路输出的+12V(I2VS)及VLED+电压均为0V。此时虽然拆下D9108不用(应急维修时可采用此法),电路仍能正常工作,但为了降低Q9105的反峰电压,并且不影响同步整流驱动器U9104的工作状态,所以还是建议换上参数大于5AJ00V的肖特基二极管,例如换用两只并联的MBR5200型二极管,或换用MBRIOIOOFCT型二极管,如图7所示。
  
 
提示:实修发现,在冠捷公司(AOC)生产的715G系列电源背光二合一板上,与同步整流MOSFET管并联的肖特基二极管(型号多为SK510C或MB510,如本型板上的D9108,715G6748-P02-000-003H型板上的D9104)击穿较常见,应是该类板的一个通病,望各位注意。
3.稳压控制
12V输出电压一路通过电阻R9119加到光耦U9102①脚,另一路加到由电阻R9120和R9115、R9116组成的分压电路上,参见图4。当+12V输出电压升高时,U9102①脚电压升高;同时,R9120和R9115、R9116分压所得电压也跟着升高,即三端精密稳压器09103(丝印号:431G)控制端(R极)电压升高,则U9103的K极电压下降,即U9102②脚电压下降,U9102①、②脚之间的电压差增大,流过U9102①、②脚内接发光二极管的电流增加,发光二极管发光增强,则U9102③、④脚内接光敏三极管的导通程度加深,即U9102③、④脚间的等效电阻减小,从U9101②脚(FB)流出的电流增大,U9101②脚电压下降,经集成块内部电路处理后,U9101⑤脚输出的PWM脉冲占空比减小,Q9101在一个周期内的导通时间缩短,T9101的储能减少,次级输出电压下降,从而达到稳压的目的。当+12V输出电压降低时,其稳压过程与上述相反。U9103的K极外接电阻R9121和电容C9118组成消振电路,防止U9103进入谐振状态,避免稳压失控。
4.过流保护
若流过Q9101的电流增大,其S极对地所接电阻R9101的压降将增大,即U9101③脚电压升高,当该电压达到保护阈值时,U9101内部的过流保护电路动作,⑤脚停止输出驱动脉冲,Q9101截止。
知识链接:低功耗开关电源根据国家标准,现有的开关电源须达到六级能效标准。因此,低功耗是现有开关电源的基本要求之一。开关电源的损耗主要由功率开关管损耗、高频变压器损耗、输出整流管损耗三部分组成。液晶彩电、电脑等电器的开关电源输出具有电压低、电流大等特点,在这类开关电源中,输出电压整流管的损耗占比较大。如何有效地降低开关电源的损耗呢?目前,同步整流是较常用的方法,该方法是用导通电阻极小的MOSFET管取代传统整流方式中的整流二极管,从而有效地减小整流损耗,实现开关电源整体功耗的降低。本文未结束,请继续阅读下一篇《 创维715G6679-P04-003-002S电源背光二合一板电路原理分析(下) 》
