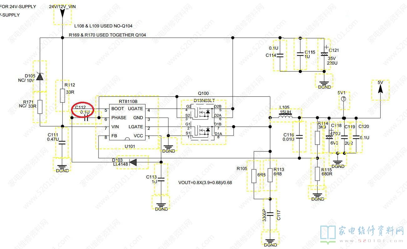
接修一台TCL L26F3200B液晶电视,故障表现为不开机指示灯不亮,开机检查电源板有24V、3.3V,检查主板(MS81机芯)有12V没有5V,也没有3.3V 2.5V 1.28V,后面这些都是5V提供的,看来问题就出来24V-5V DC-DC转换电路。检查5V无短路,Q100、U101也无明显短路,代换也不行故障依旧。又仔细测量一遍发现开机瞬间5V输出电路有输出1V电压,之后慢慢下降到0V,忘记在那篇文章有提到U101的第6脚是过流保护监测脚,接一个电容C112到第5脚,于是代换C112之后机器恢复正常。
版权声明:本文为转载文章,版权归原作者所有,欢迎分享本文,转载请保留出处!
