创维42E61HR液晶电视黑屏的故障维修

2021-09-20 18:45:51  阅读 526 次 评论 0 条
摘要:

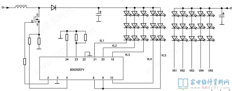
接修一台创维42E61HR液晶彩电,开机后背光亮一下后黑屏,但伴音正常。上电测得背光板上的24V供电正常,主板发出的背光ON信号和PWM调光信号都正常该机背光板上有两块BD9262EFV,每块芯片控制5路,

     接修一台创维42E61HR液晶彩电,开机后背光亮一下后黑屏,但伴音正常。上电测得背光板上的24V供电正常,主板发出的背光ON信号和PWM调光信号都正常该机背光板上有两块BD9262EFV,每块芯片控制5路,如图1所示。因为每块BD9262EFV可以控制6路灯条,而实际只用了5路,所以芯片的8、9脚相连接控制一路灯条。

创维42E61HR液晶电视黑屏的故障维修 第1张

      用自制LED测试仪检测,发现有一路灯条不通。拆屏检查,发现这一路灯条中有一只灯珠已开路。换灯珠后开机,不再黑屏,但感觉背光亮度很亮。想进入菜单把背光调暗点,发现本机主板非原配主板,菜单中找不到背光亮度调节项。从BD9262EFV的电路结构看,恒流控制管集成在芯片内部,外部应该有一个ISET脚,外接灯条电流调节电阻。参看本刊2017年第12期第10页中该芯片的介绍,却无ISET脚。从电路结构看,23、24脚比较符合ISET脚的特征,尤其是23脚外接两只并联电阻,但该文介绍23脚是RT脚,外接升压启动定时电阻;24脚是SLOPE脚,外接相位补偿电阻。原计划用指针式万用表10V档的内阻作为一个电阻并联在23脚外接电阻上,看LED灯条电流有无变化(该脚外接电阻的阻值和灯条电流是反比例关系,并联一个电阻后电流会变大,注意并联电阻不能太小,以免灯条电流过大烧坏),但在操作中不慎把芯片烧坏了,弄巧成拙了。手头无该型号芯片,客户又急着要。灵机一动,把坏芯片控制的5组灯条一一对应并联到好芯片控制的灯条上去,即VR1端并联到VL1端,以此类推。两组灯条的+端也连在一起,并拆除坏芯片开机,背光亮,且亮度也比原来下降了许多,也算歪打正着。
     10路灯条全由一块芯片承担是否会超载呢?恒流芯片的作用是不管外部负载的大小,其输出的电流保持在预先设置好的数值上。当然,外部负载的大小变化要在芯片的控制范围内。现在把两路灯条并联起来,通过芯片的电流仍然是原来设置好的一路灯条的电流,因为被二路灯条平分了,所以每路灯条的电流只有原来的一半,灯条亮度下降到较为合适的亮度,同时芯片也不会超载。
     在外部是纯电阻负载情况下,如果电阻阻值变小一半,恒流控制管要减少导通程度,以抵消外部阻抗变化引起的电流变化,这样芯片的功耗会成倍上升。但LED元件工作时是处于正向导通状态,其特性曲线是非线性的,所以值得说明的是:两路灯条并联后,虽然通过每路灯条的电流为原来的一半,但其两端电压不会象纯电阻一样减小一半,可以理解为一路灯条就是一个稳压管,二个同样稳压值的稳压管并联并不会使稳压值降低一样。不过由于LED元件的正向特性曲线并不是理想的陡峭特性,当通过的电流下降时,其两端电压也会有所降低,此时芯片内的恒流调整管两端电压会有所升高,功耗略有增加,但不是成倍的增加,长时间试机,芯片仅有微温。
    另外,本机10路灯条中每路灯珠数量都是一样的,所以直接并联没有问题。如果灯条中灯珠数量不相同,直接并联后会使灯珠少的一路流过较大电流(但比原来电流还是要小),从而引起光栅亮度不均,这是可以在灯珠少的灯串中串联稳压管或电阻,使各路灯串电流基本相等。
     事后经多方查证,发现BD9262EFV的23脚确实是ISET脚,而24脚是RT脚(这个脚外接的电阻是用来调节芯片升压电路振荡频率的),和灯条电流无关。另外,BD9262FP和BD9262EFV仅后缀不同,但两者封装形式和引脚功能不相同,不能互换。顺便说一下,前者的16脚是ISET(灯条电流设置)脚。

版权声明:本文为转载文章,版权归原作者所有,欢迎分享本文,转载请保留出处!