接修一台海尔LE42B3500W型液晶彩电,故障表现为无规律黑屏,伴音正常。通电试机,黑屏时背光熄灭。该机采用电源背光二合一板,型号为HKL-420201(0094006367 )。根据故障现象分析,故障原因应是背光驱动电路或LED灯条异常。该机背光控制电路的供电如图1所示,Q9、U12(KA431)等元件组成串联稳压电路,输出5V直流电压VEE。本机背光3供电OVP保护电路以IC202(LM358)为核心,如图2所示。
  
 
  
 
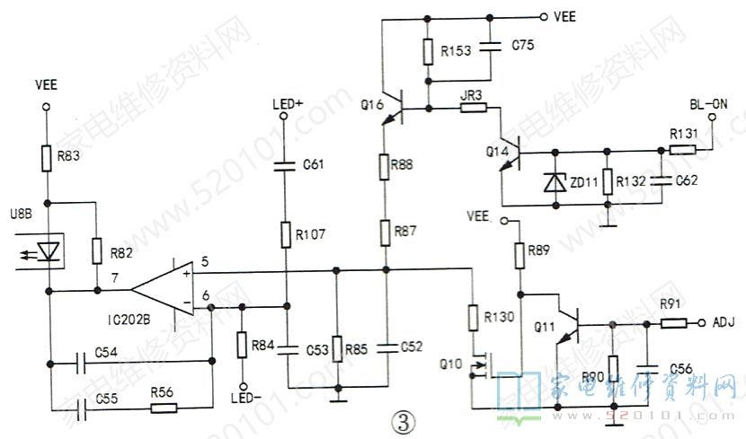
5V电压供给IC202的⑧脚,同时通过R101~R103分压,得到稳定的3.4V电压加到IC202的②脚(反相输入端),IC202的③脚通过取样电阻R104~R106对LED+电压取样,正常时该脚电压约为2.3V。LED+电压升高,③脚电压超过3.4V时,①脚输出高电平,光耦U10B初级有电流流过,U10B次级导通,背光电路停止工作,达到保护的目的。二次开机后,背光启动电压BL-ON为高电平,Q14饱和导通,集电极输出低电平,Q16导通,其集电极输出高电平,通过电阻R88.R87.R85加到IC202B的⑤脚(同相输入端),如图3所示。
  
 
同时,机芯板输出的背光调光电压ADJ (PWM脉冲)通过Q11倒相,从Q10的漏极输出,加到IC202B的⑤脚。从上述分析可知:Q9输出的5V电压VEE非常重要,若其电压降低会导致IC202A的②脚基准电压3.4V降低,当低于③脚的2.3V时,①脚就会输出高电平,背光芯片进入保护状态,LED灯没有供电,出现黑屏故障。实测Q9的c极、b极电压分别为10.9V、5.8V,但e极电压在4.6V~4.7V之间波动。本机的Q9采用贴片三极管,正常工作时,5V电压的输出电流约为100mA,Q9的c.e极压降为6V,则Q9的功耗约为6VX 100mA=0.6W ,Q9工作在极限状态,内部温度很高,这从Q9三个引脚的焊锡都有不同程度的变色现象便可得到印证。为防止故障复发,换上功率较大的C1815或D882型二极管,如图4所示。
  
 
通电试机,Q9的e极输出稳定的5V电压,故障排除。提示:若上门应急维修,可去掉Q9,然后找到开关电源输出电压插座⑤、⑥脚的+5V电压端,如图5所示,用导线将该端与Q8的e极相连。
  
 
