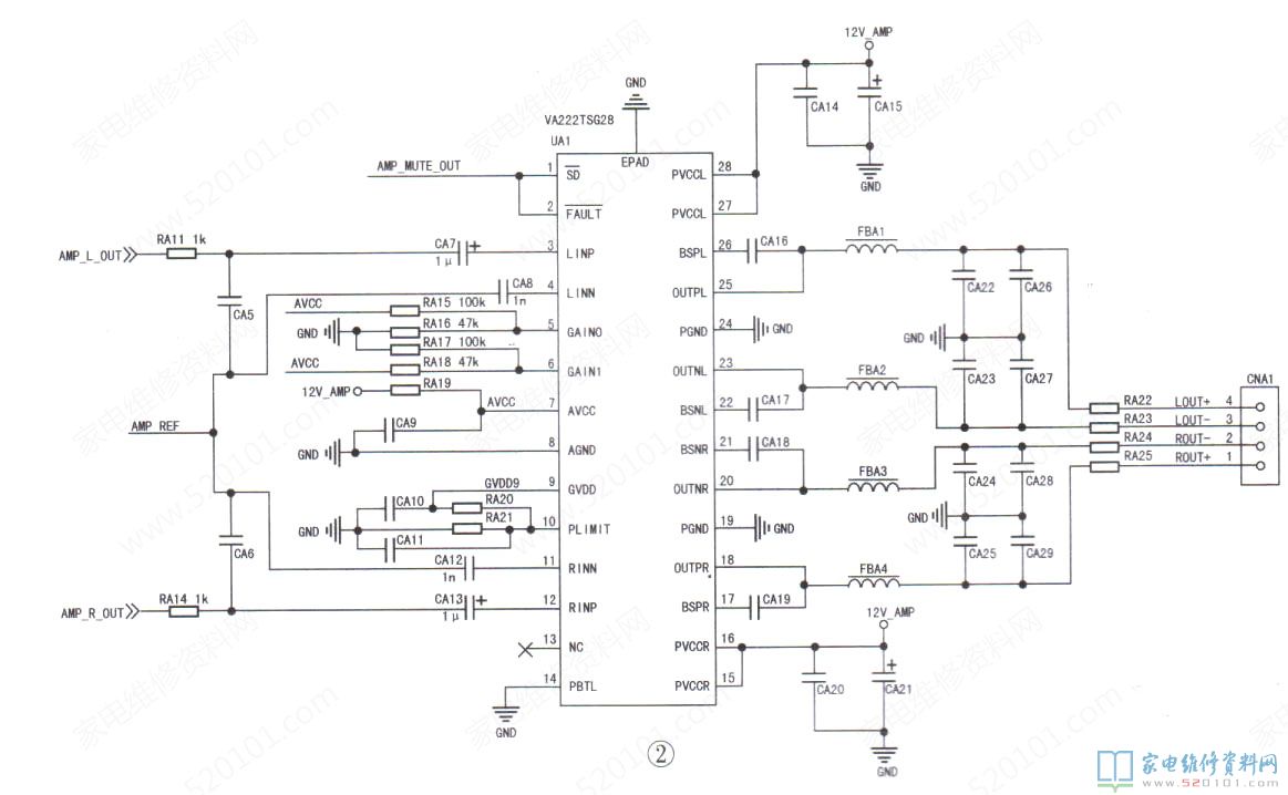
接修一台海尔LE42C31型液晶彩电,收看中突然无声,但图像一直正常。本机主板型号是CV920L-T42,搭载安卓系统。外接AV信号或HDMI信号,图像均正常,但无伴音;贴近扬声器听,也无噪声,说明伴音功放电路没有工作。本机采用HSSOP-28脚封装方式的D类功放VA222TSG28(UA1),如图1所示。
上电,测得插座CNA1中4个输出端对地电压都为0.05V,说明功放内部全桥输出电路没有工作;①、②脚电压均为3.3V,说明功放输出无短路现象;音频L声道正反向输入UA1③、④脚的电压分别为0.05V和0V,R声道音频正反向输入UA1①、②脚的电压分别为0V和0.2V,明显不对,正常时这4脚电压均为2.6V。UA1⑧脚为功放12V供电输入端,⑦脚是模拟电源输入端,外接贴片电阻RA19( 102 )和贴片电容CA9,如图2所示。测得⑦脚电压为0.05V,明显异常。断电,测得RA19阻值已增至180多欧姆,⑦脚对地阻值仅0.722,怀疑u10⑦脚内部或外接电容CA9短路,导致RA19过流后阻值增大。拆下CA9后再测,⑦脚对地阻值升至3.5k,更换RA19后试机,声音恢复正常,故障排除。此时,测得⑦脚电压为12.21V,CNA1的4个引脚对地电压均为6.15V。提示:UA1①脚是静音控制端,②脚是保护状态输出端。在本机中,①、②脚连接在一一起,如果功放输出出现过流现象,则②脚变为低电平,①脚也变为低电平,关断功放输出,从而达到保护的目的。
版权声明:本文为转载文章,版权归原作者所有,欢迎分享本文,转载请保留出处!
