接修一台海尔LE39B3300W型液晶彩电,在收看过程中不定时自动关机,并且指示灯不亮,过几个小时后有时又能开机,但故障反复出现。本机采用三合一主板,板号是THU69C5-35-43V,主芯片是TSU69KR-Z1-ST,开关电源输出12V和27V。
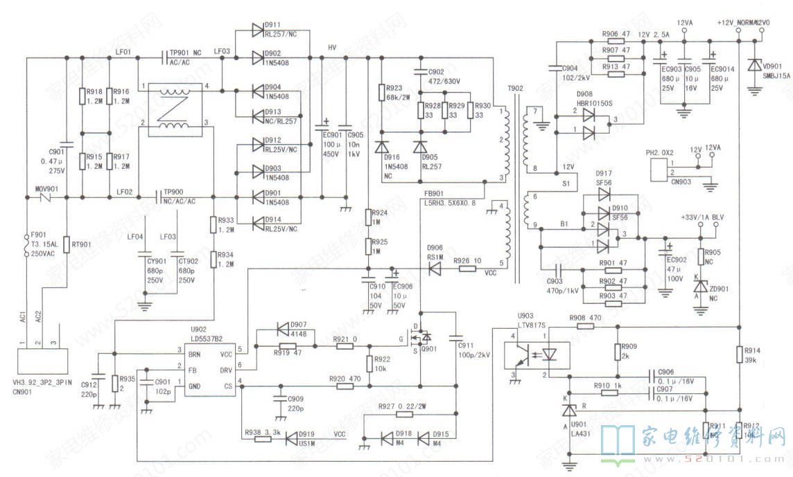
在故障出现时,测量12V电压在3.3V~12V之间波动。本机的稳压取样电路主要由U901(LA431 )、U903(LTV817S )等元件组成,如图1所示。
为了快速区分故障点,在D908负端外接12V电压,测得U901的R端电压为2.47V,A极电压是10.45V,U903③、④脚间压降约0.2V;当把外接电压升到12.4V时,U903③、④脚间电压降为0V,说明稳压环路正常,故障点在电源初级。该机电源芯片U902(LD5537B2 )⑤脚为供电端,测其电压在8V~15V之间波动。⑤脚供电有以下两路: -是300V电压经电阻R924、R925降压限流及EC906滤波后供给;二是芯片内部电路启动后,开关变压器④-⑤绕组产生的感应电动势,经D906整流、EC906滤波后供给。
从上述实测电压看,U902已启动,因此怀疑二次供电电路有问题。经查,D906性能不良,换新后故障排除。事后又遇维修多台同型主板,故障现象是不开机或自动关机,故障原因均是D906性能不良,看来本故障应是该型主板的一个通病,望同行注意。
版权声明:本文为转载文章,版权归原作者所有,欢迎分享本文,转载请保留出处!
