海信7E/AE系列电冰箱常见故障维修

2023-01-06 20:19:21  阅读 1322 次 评论 0 条
摘要:

海信7E/AE系列电冰箱有:BCD-187E、187AE、207E、207AE、227E、227AE等机型,采用微电脑控制系统,具有人工智能化功能。该系列电冰箱没有提供电路原理图和故障代码说明,给用户维护

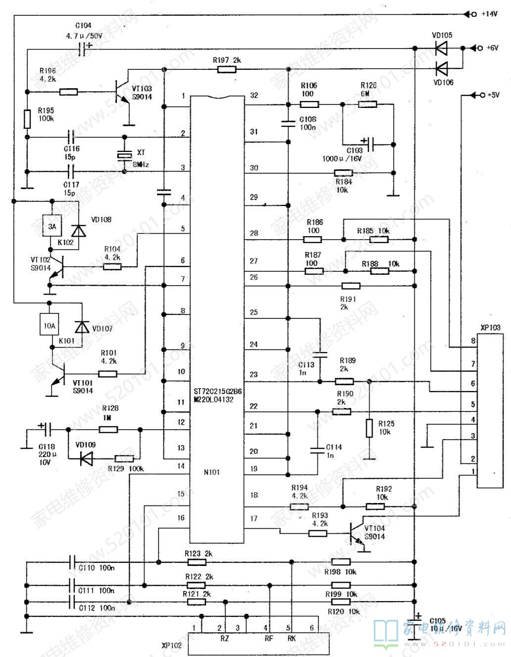
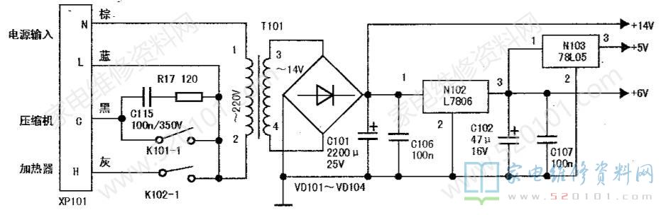
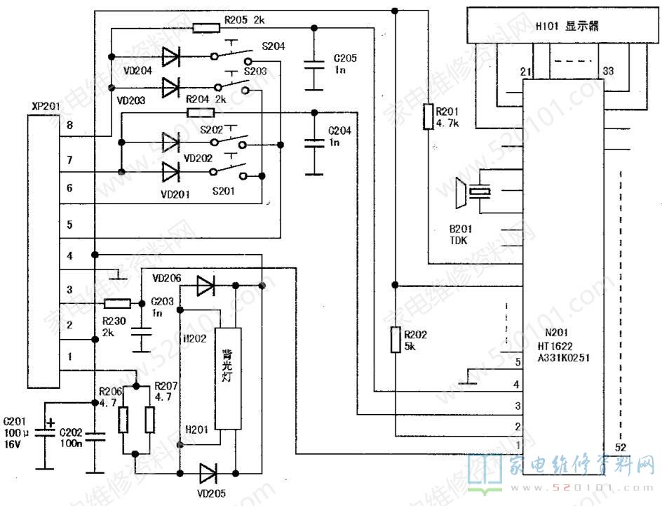
      海信7E/AE系列电冰箱有:BCD-187E、187AE、207E、207AE、227E、227AE等机型,采用微电脑控制系统,具有人工智能化功能。该系列电冰箱没有提供电路原理图和故障代码说明,给用户维护带来了一定难度,为此笔者根据BCD-207E型电冰箱电路板,绘出原理电路,其中图1为主/辅电源电路(安装在主板上),图2为微电脑控制电路,图3为操作显示电路,并提供常见故障原因与维修方法,供参考。

海信7E/AE系列电冰箱常见故障维修 第1张

海信7E/AE系列电冰箱常见故障维修 第2张

海信7E/AE系列电冰箱常见故障维修 第3张

1、整机不工作

     (1) 无+14V电源电压,用万用表检测C101、C106有无击穿漏电,VD101~VD104开路失效,T101初、次级绕组断线,SP101的L、N端接插不紧,电源引线(棕、蓝)断脱或印刷线路铜箔断裂。

     (2)无+6V电源电压,如+14V电压基本正常,为稳压块N102引脚开焊或损坏,C102、C107击穿或漏电。

     (3)无+5V电源电压,如+6V电压正常,为稳压块N103开焊或损坏。

     (4)如背光灯H201、H202能亮,H101也有显示,检查VD105、VD106有无开路失效, C105有无击穿漏电。

     (5)如N101 32脚有5.3V电源电压,而①脚为低电平(复位状态),则为R197开路,C104或VT103击穿漏电,导致N101始终处于复位状态不工作。

     (6)如N101①、32脚电压正常,则为时钟电路停振,多见晶振XT开路损坏或C116、C117击穿,否则为微处理器芯片N101损坏或不良。

2、压缩机不启动

     (1)用万用表检测过载保护器触点是否断开,PTC启动器是否损坏,压缩机电机启动绕组及运行绕组有无开路。
      (2)检查K101是否吸合,如已吸合,为触点K101-1接触不良或XP101的C端断线;如K101未吸合,则为N101⑥脚无高电平输出, R101、VT101、K101线圈开路损坏或VD107击穿漏电。
3、冬天压缩机不工作
       (1)温度设置不当,应将温度设置到较低的温度区域。(2)除霜加热器不工作,如K102已吸合,为K102-1接触不良,XP101的H端断线或加热器烧损;如K102未吸合,则为N101⑤脚无高电平输出, R104、VT102、K102线圈开路损坏或VD108击穿漏电。
4、冷藏室结霜而压缩机仍不停机(1)温度设置在速冻状态,解锁后可调至2~4档。(2)感温包位置发生变动或与蒸发器之间被发泡材料阻隔。(3)制冷剂充注量不足或泄漏,可检漏、抽空、定量充注制冷剂。

5、设定数据后不记忆
       N101或主电路板损坏,更换主板。
6、显示故障代码F1、F2、F3
   (1)温度传感器RZ故障显示F1,RK故障显示F2,RF故障显示F3。除此之外,当RZ-RF.RZ-RK、RZ-RF-RK三组中有两组以,上有故障也显示F1,RF和RK同时故障也显示F2。
      (2)用万用表和温度计配合检查RZ、RK、RF的温度/阻值变化情况及有无开路或击穿。
      (3)检查XP102接插是否良好,有无断针、断线。
      (4)检查温度主感元件C110~C112、R120~R123、R198、R199有无脱焊及不良。7.操作按键失灵(1)显示屏上出现按键“锁定”标志,可同时按下“智能”键和“速冻”键解锁,“锁定”标志消失, 100秒钟后能进行按键操作为正常。(2)按键被卡住,可拆下按键显示板修复。(3)s201~S204触点积垢、氧化接触不良,或击穿漏电。(4)xP103、XP201松脱或引线开断。
8、显示不全或紊乱
      (1)XP103、XP201接插松动或引线将断。
      (2)N201、H101引脚虚焊接触不良,更换显示板。
9、背光灯不亮
      (1)检测H201、H202两端,当交换表笔时引脚旁显.绿光为正常,否则更换背光灯。(2)按任一键时快速测背光灯H201、H202两端电压,若无电压,则检测xP103、XP201①、④脚是否正常,VT104、N101 17脚是否良好。

版权声明:本文为转载文章,版权归原作者所有,欢迎分享本文,转载请保留出处!