海信RSAG7.820.5338二合一板中的开关电源芯片采用NCP1251(N852),LED 背光振荡驱动芯片采用MAP3201(N803), 用于海信LED32K30JD、LED32K20JD、LED32EC260JD、LED42K20JD、LED39K20D、LED42EC260JD等型LED液晶彩电中。该板有两种: 一种应用于大屏幕LED彩电,设有PFC电路;一种用于小屏幕LED彩电,无PFC电路,其电路组成框图和信号流程如图1所示。
一、电源电路组成与维修
AC220V市电经过抗干扰和全桥整流滤波电路后,产生+300V电压,经开关电源变换后,产生100V和12V电压,为背光灯驱动电路和主板供电。
若保险丝熔断,说明开关电源存在严重短路故障,重点检查抗干扰电路整流滤波电路和开关管V807。如果V807击穿,应检测尖峰吸收电路,及V807 S极电流取样电阻是否连带损坏。如果保险丝F801未断,但无12V和100V电压输出,这时先测量滤波电容C828两端的+300V电压是否正常,然后检查N852⑤脚(VCC )供电是否正常。若无启动电压,则检查启动电阻R836、R847、R848;若启动电压正常,则检查以N862为核心的振荡驱动电路和V807。
例:三无,指示灯不亮。分析检修:测量电源板输出电压,发现100V电压仅为2V,12V电压在4V~6V之间波动,C828两端电压为+300V,N862⑤脚启动电压正常,判断开关电源启动正常,故障原因可能是负载短路或整流滤波电路短路。测量100V滤波电容C828两端电阻接近0Ω,但拆下C828测量正常。进一步检查后,发现100V整流管VD816击穿。更换VD816后试机,故障排除。
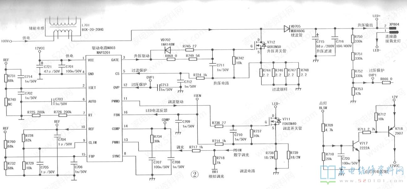
二、背光灯电路工作原理
该板的背光驱动电路如图2所示,主要由振荡与控制电路、升压输出电路和调光电路组成,100V供电经升压电路提升后供给LED灯串,同时对LED灯串电流进行调整和控制,达到调整亮度的目的。
N803①脚为供电输入端,内含稳压和欠压保护检测电路。若供电电压过低,①脚电压随之降低,当低到保护阈值时,IC内部欠压保护电路启动,停止输出激励脉冲。
N803⑤脚( CS )为过流检测输入端。V712的S极过流取样电压,通过R724送到⑤脚。当V712电流过大,反馈到⑤脚的电压达到保护阈值时,IC内部过流保护电路启动,关断升压脉冲。
N803 12脚为过压保护(OVP)输入端。升压输出电压经R750~R752与R753分压取样所得电压送到12脚。当升压电路输出电压过高,反馈到12脚的电压超过保护阈值时,内部过压保护电路启动,停止输出升压脉冲。
当负载短路,导致反馈到12脚的电压小于保护阈值时,内部短路保护电路启动,停止输出升压脉冲。
N803 16脚为LED电流输入端,通过R714与调光管V711的s极电阻R738.R739相连接。当LED灯串短路,导致该脚电压升到正常值的1.5倍时,11脚停止输出调光电压。短路保护阈值由②脚外部电阻设置。
例1:开机后有伴音,无光栅。
分析检修:上电测量背光驱动电路的100V供电、点灯控制和亮度调整电压正常。测量N803各脚电压,发现①脚电压仅为6V ,造成N803欠压保护。检查12vCC供电电路,发现V718,发射结正向电阻变大,换新V718后故障排除。
例2:故障现象同例1。
分析检修:测量开关电源输出的100V和12V电压正常,但N803 10脚输出的参考电压仅为1.5V。断电后测量N803 10脚对地电阻仅为几十欧姆,怀疑N803内部电路短路。更换N803后试机,故障排除。

