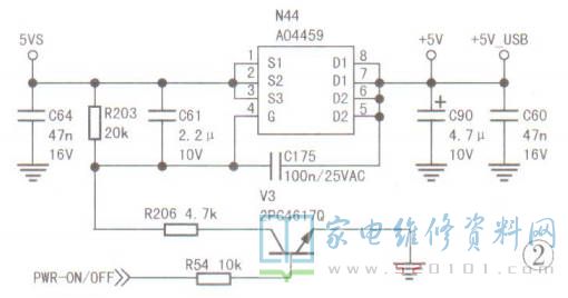
接修海信HZ32E35A一台液晶彩电采用MSD6A346ATT-8X-XZJ机芯,其主板型号为RSAG7.820.7800,主板上的供电系统如图1所示。上电后,电源电路输出12V电压,再经N30 ( TPS563201 )DC-DC转换后输出5VS电压。N44(A04459)及其外置元件组成电子开关电路,如图2所示。


N44④脚电压在开机状态时为1V,待机时为5.27V。由于本机每次交流开机后默认为待机状态,但机器在开机后会自检,所以每次开机后N44④脚电压都会从1V跳变到5.2V。如果N44开路损坏,无开机打印信息显示。实修中为快速判断N44是否损坏,在排除N44⑧脚输出无明显短路的情况下,先直接短接N44的①脚、⑧脚,然后开机观察开机打印信息,如果打印信息正常,则可判断N44工作异常。5VS电压同时送给LDO电路N11.N21和N19后,分别输出3.3V.1.8V和3.3V电压。12V电压一路经 N36 (TPS563201 )DC-DC转换后输出DDR供电,供给DDR芯片及主芯片内部部分DDR通讯电路;另一路经N34( TPS563201 )DC-DC转换后输出主芯片工作所需的内核供电电压。
下面介绍几例海信HZ32E35A型液晶彩电常见故障的检修。
故障现象1:不开机,且无打印信息显示。
检修思路:首先测量电源电路输出的12V电压是否正常,如果正常,则测量主板上的DC-DC及LDO电路输出电压是否正常,N44⑧脚输出的5V电压是否正常(注意:开机瞬间CPU有个自检的过程,N44⑧脚输出5V电压,然后快速降为0V)。如果上述电压正常,则代换写有同型机数据的EMMC芯片,如无效再代换CPU。实例1:一台HZ32E35A型机,不开机,其开机打印信息如下:
UART_ 115200
AC_ ON
MIU1_ DQS-OK
BISTO- FAIL
检修:从开机打印信息看, CPU、EMMC已工作,但DDR(型号:H5TQ4G63CFR-RDC,位号:N60)没有正常工作。首先补焊DDR后试机,故障依旧,检查DDR的供电和外置的阻容元件,未发现异常。代换DDR后故障排除。
实例2:一台HZ32E35A 型机,不开机,开机打印信息如下:
AC_ ON
MIU1_ DQS-OK
BISTO-OK
BIST1-OK .
检修:本机开机打印信息仅显示了5行,根据经验,此故障多为EMMC或CPU损坏所致。经查,EMMC( H26M31001HPR )损坏,换新后故障排除。
故障现象2:开机后卡在开机画面。
思路:此故障多为EMMC或者CPU损坏所致。实修时可用U盘升级主程序,如果不能排除,则代换CPU。本机的CPU和EMMC进行了绑定,如果只是CPU损坏,则单独更换CPU不更换EMMC,方法如下:先用U盘升级主程序,在升级进度条没有走到百分之百时进行交流关机,更换CPU后,再用U盘进行升级主程序,如果按压“音量-”键不能进入升级界面,可在开机时按住电脑键盘的“回车”键,待打印信息中出现一串字符"mstar#"时, 输入小写字母"cu" , 最后按“回车”即可,此时EMMC和CPU会重新绑定,从而免去同时更换EMMC的烦恼,这个方法对EMMC和CPU绑定的海信其他机型也有效。
另外,本机在更换EMMC后,需要重新写入MAC地址,这时满屏红色,屏显"MAC文件不存在" ,如图3所示。

MAC地址写入步骤如下:首先向海信公司总部申请MAC地址,即把电视型号、BOM号提供给海信公司总部之后,总部会提供一个MAC码。本文以MAC码为“08 -BA -5F-8E-48-03”为例进行讲解。首先在电脑桌面上建个空的TXT文本文档,文档名字修改为“MSD6A346_ A44_ B602KUL Ws_AS75"( 与图3提示框中的文件名相同,但字母均为大写),同时注意下划线的位置,不能有空格,否则会导致电视机识别MAC地址失败,然后打开TXT文本文档,在文本文档页面顶格输入MAC地址“08- BA-5E- 8E-48-03" ,接着输入两个中横线“--",再输入.上述MAC地址的下一位号码(即将上述MAC地址最后一位数字或字母上升一位),这样文本文档上的MAC地址为:08 -BA-5F-8E-48-03-08-BA-5F-8E-48-04 (注意:MAC地址中的字母均为大写,最后一位为16进制),如图4所示。

最后把U盘插到电视上交流开机就会自动写入。也可以进入总线写入MAC地址,方法如下:在菜单中的“音量平衡”"状态下输入“1969” 进入总线,选择工厂菜单- +选项一设置MAC地址。MAC地址写入成功后,屏显“设置MAC成功"的字符,如图5所示。

提示:海信Hi3751V5510.MSD6A648机芯的MAC地址写入方法与本机芯的方法大致相同,唯一不同的地方是TXT文本文档名字不同,Hi3751V5510M00机芯TXT名字为V551_ A70_ B602KUI_ _WS_ AS75 ,MSD6A648WY一8 -00B2机芯的TXT名字为MSD6A648_ A60_ B602KUL_ _WS_ AS75。
如果故障机的EMMC损坏(此种故障现象比较多),这时可通过开机打印信息来获取原机的MAC地址,方法如下:先把电脑读出的打印信息.全部粘贴到word文档中,然后利用word文档搜索功能(在word文档界面下按“Ctr+F"键即可出现搜索对话框),在搜索对话框输入“MAC"按“回车”就可自动找到MAC地址,如图6所示,"MAcaddr-....-行即表示MAC地址。更换EMMC后,打印信息中表示MAC地址的数字全部为0。写入MAC地址成功后,MAC地址就变为字母和数字的组合。

故障现象3:开机显示厂家画面后自动重启。
思路:此故障多系主板或背光电路异常所致。该机在背光电路空载时,CPU会反复发出关机和重启指令,同时遥控失灵。在实修中,可用以下两种方法判定故障部位在主板还是背光电路中:方法1:断开背光控制芯片HOZ1GNG脚(错误信 号输出)外接PNP型三极管N703的b极.试机,如果机器启动正常(背光不亮),不再进入反复重启状态,则说明故障系背光电路异常所致,常见原因是背光灯条损坏。方法2:找一个12V电源,将其正负极分别与主板上的12V滤波电容C957正负极连接,然后连接电脑观察开机打印信息,如果主板不再重启,则说明故障系背光电路异常所致;如果依旧重启,则为主板问题。如果不方便查看开机打印信息,则可通过遥控开/关机,观察指示灯是否红蓝变化来判定主板工作状态是否正常。