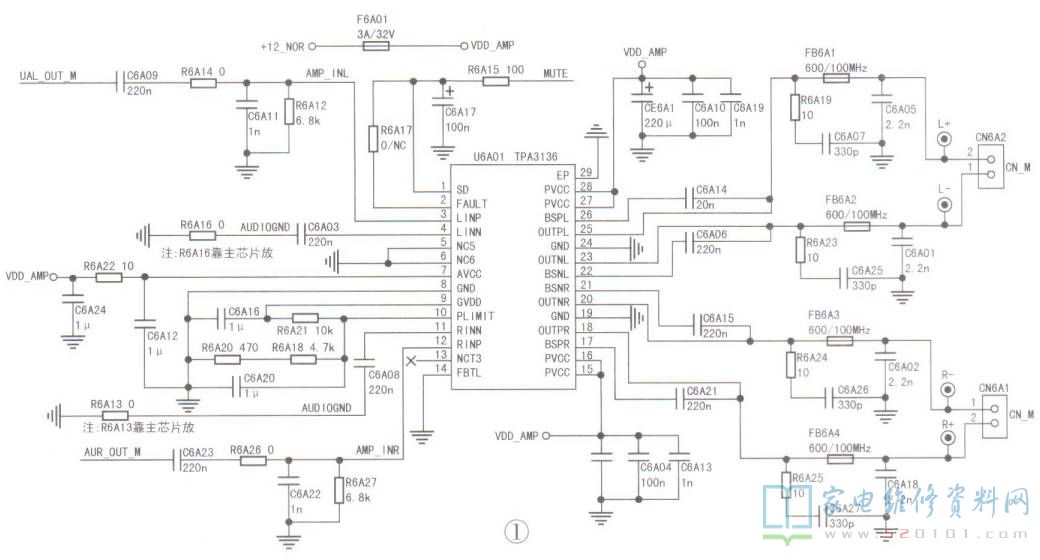
TPA3136系列芯片的具体型号有TPA3136D2和TPA3136AD2,两者均是无滤波器D类立体声放大器,两者的区别在于:TPA3136D2最低供电是8V,而TPA3136AD2最低供电为4.5V。两者最高供电均不得超过14.4V。当供电为12V时,两者可以互换。TPA3136在创维42X6型液晶彩电(8H35机芯)中的应用电路如图1所示。
TPA3136①脚(SD)为静音控制端,外接静音控制电路,当此脚为低电平时,IC处于静音状态。⑨脚(GVDD)为IC内部LDO调节器输出端,电压为7V,为R.L功放部分高边栅极驱动电路供电。⑨脚内部的LDO转换器还将产生内部电路所需的低电压,为门驱动器、数字和低压模拟电路供电,无需外接3.3V电压。⑦脚为模拟单元供电端(AVCC,12V),通过-只102电阻接VDD_ AMP电压(10Ω电阻是去耦电阻,可用于防止高频类噪声进入放大器)。①脚(PLIMIT )为功率限制设置端。7、15、16、27、28脚为功放输出单元供电端(VDD_ AMP),外接防高、中、低频干扰的去耦电容(容量通常分别为1nF、100nF、220nF),以减小功放输出音频谐波失真,并防止喇叭到功放输出脚间因线路太长而产生振荡,即防止外部干扰源影响功放R、L输出音质。
②脚(FAULT)为输出电路短路或故障的指示状态端,该脚通常与①脚(SD)连接。当②脚电压低于0.8V时,表明功放已出现故障。③、②脚分别为左、右音频信号输入端,④、①脚分别为R.L声道负相输入端,未用时接电容到地。18、20脚为右声道信号输出端, 23、25脚为左声道信号输出端。17、21、22、26为自举升压引脚,其内部电路与外接的自举电容产生浮电压,给IC内浮地电路供电。
当功率放大电路输出信号变为低电平时,GVDD电压通过内部二极管对自举电容充电。当功率放大电路输出变为高电平时,自举电容的电压与供电叠加,为高压侧栅极驱动器提供较高电源。注意:自举电容须是容量为220nF的陶瓷电容(尺寸为0603或0805)。29脚为IC底部散热片;需接地良好,否则可能引起IC过热而保护或损坏
故障现象1:无伴音。
分析检修:先测量保险管FB6A1,若断路,可判定功放芯片短路。若FB6A1未熔断,但后端对地电阻很小,则说明功放芯片异常。若FB6A1两端电压均正常,此时测IC 15、16、27、28脚电压,正常均为12V;再测⑨脚电压,若电压低于7V,则故障原因可能是IC内部LDO电路异常,不妨先代换IC。若上述供电正常,则测量①、②脚电压,若两脚电压均为低电平,则需检查①脚外部静音控制电路,如图2所示。
正常工作时,三极管Q0A8、Q1A4均处于截止状态,其c极均为高电平。QIA3及其外围元件组成的开/关机静音控制电路,在开/关机时Q1A3导通,Q1A4随之导通,MUTE信号变为低电压,若Q0A8.Q1A4基极均为低电平,但MUTE信号也为低电平,这时重点检查三极管Q0A8、Q1A4的.上拉电阻RIA1及①脚外接滤波电容。
故障现象2:某一声道无伴音。
分析检修:检查R.L音频输入通道,再检查静音控制管Q1A0或Q1A2,然后检查R、L通道与主芯片间的电路,接着查各功率单元部分供电,最后测自举端电压,正常值均高于TV,否则,先替换自举电容C6A14.C6A06、C6A15.C6A21 ( 见图1),然后更换功放芯片。
故障现象3:伴音中有噪音。
分析检修:先检查供电端滤波电容,再检查IC底部是否良好,最后更换芯片。一台创维42X6型液晶彩电,开机后左侧扬声器中有杂音。上电试机,发现在播放开机音乐时,左侧扬声器中无杂音,说明故障与功放无关,故障部位可能在主芯片音频切换前的电路中,因为开机音乐由控制系统发出,在主芯片内进行切换。为准确找到故障部位,同时断开TPA3136的3、12脚输入通道中的电容C6A09、C6A23,故障依旧,怀疑主芯片有问题。
由于替换主芯片麻烦,故采用换主板维修,但更换主板后故障仍存在;交换左右喇叭,故障仍在,至此怀疑故障可能系外部干扰所致。将电视机搬到邻居家试,故障现象消失,由此推断用户家中电网、电灯空调或路由器等有干扰。经查,路由器异常,更换路由器后故障排除。
 
								
