此资料来自家电维修资料网 www.520101.com 转载时注明出处!
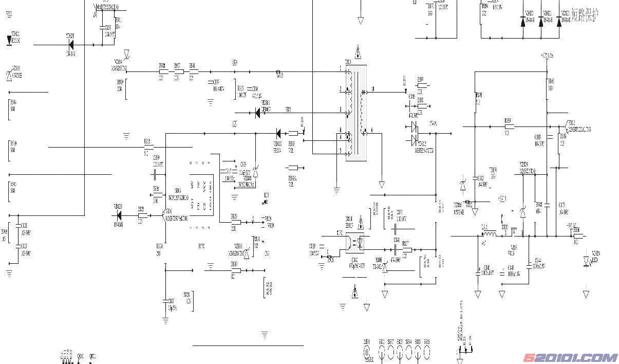
待机电源部分由主控电源管理芯片N803(NCP1207A)、开关管V809(FQPF3N80C)、开关变压器T803及输出控制电路组成。
1、振荡激励:由N803(NCP1207ADR2G)完成振荡、N804(HS817)及N808(TL431)完成稳压控制;
2、开关输出:由V809(MOS)开关管及开关变压器T803组成;
3、15V输出:由T803的绕组#5脚输出,经VD809整流、C832滤波产生;经V807控制后,作为PFC、PWM部分振荡集成电路的VCC供电;
4、5V输出:由T803绕组#6脚~#10脚输出,经VD812整流,C842、C843、L811滤波产生+5V_S,+5V_S经过V813、V812控制后产生+5V_M输出。
所以,待机电源部分提供三种电源输出:
1 +5V_S:向CPU部分提供5V供电;
2 +5V_M:向信号前端提供5V供电; (3)VCC_15V:向本开关电源的PFC和PWM部分提供+15V的VCC供电。
一、开机/待机控制:
由CPU发出的待机/开机指令(on/off),经由V807控制PFC和PWM部分的VCC供电,达到待机的目的,图1、图2所示为待机部分原理图。
1、电路组成:
待机开关电源由N803、V809、T803组成,输出+15V和+5V。+15V作为PFC部分和PWM
部分振荡集成电路的VCC供电,+5V一路作为CPU系统控制5V_S,另一路作为小信号前端供电5V_M。在开机和待机状态(on/off),由CPU 发出指令控制V807 地切断/接通,PFC 部分和
PWM 部分的VCC 供电。在出现过压、短路、欠压故障时,保护电路动作,控制V807 切断PFC部分和PWM部分的VCC供电,进入保护性待机状态。
5V_M输出设置了输出控制,受PWM部分的12V控制。当PWM部分无12V输出时,该5V_M输出即被切断,该级还设置了输出短路保护电路。

2、电路分析:
(1)待机开关电源部分:N803振荡激励集成电路各引脚功能如表1所示,图3是N803的内部框图。
管脚 |
符号 |
名称 |
功能描述 |
| 1 |
Dmg |
保护检测 |
接输出过压及输入欠压保护,阈值为7.2V |
| 2 |
FB |
稳压控制输入端 |
稳压控制端,接光耦N804 |
| 3 |
CS |
开关管过流保护输入端 |
接开关管电流取样电阻R832 |
| 4 |
Gnd |
集成电路接地端 |
|
| 5 |
Drv |
激励输出 |
接MOSFET 开关管V809 栅极 |
| 6 |
Vcc |
集成电路VCC 电源 |
由输出开关变压器次级,经VD810 整流、C833滤波后提供,VCC是自身提供 |
| 7 |
NC |
空脚 |
|
| 8 |
HV |
高压启动电流输入 |
在#6脚VCC 未建立前提供启动电流 |
(2)电路启动的过程:
该振荡电路工作时的供电(VCC)依靠自身的输出开关变压器次级绕组,经过VD810整流提供。在电路启动的初期,VCC还没有建立,N803无法正常启动工作,此时由#8脚,经电阻R826接220V整流电源,#8脚内部是一个7mA的恒流源电路,在开机的瞬间提供一个启动电流;电路启动后,由自身的开关变压器提供一电压,经VD810整流,C833、C817滤波的电压,作为VCC电压维持电路正常工作。
(3)过压及欠压保护:
振荡集成电路N803的#1脚是保护设置端,其阈值为7.2V;当此脚电压超过7.2V时,则进入保护状态,电路停止工作。在该引脚外围接了两路输入端,一路是经由R828 接关开变压器的#4脚,当电路异常时,输出电压上升,开关变压器#4脚的反馈电压也上升,经过R828加到N803的#1脚;经过R828降压后,当反馈电压峰值达到7.2V以上时,N803的内部电路翻转,控制激励信号停止输出,达到过压保护的目的。另外,该引脚另接V808组成输入电压欠压保护电路,如图4所示。V808的基极经过分压电路(VD811、VZ805、R904、R910、R905、R906)接交流220V整流的300V脉动“馒头波”,V808的基极和发射极之间接一个时间常数电路R926、C839。[Page]
工作原理:当输入的供电电压220V正常时,R905上的“馒头波”经过VD829整流加到V808的基极,并对C839充电,C839上的电压为左正右负,此电压维持V808的截止并通过R926放电(由于输入是“馒头波”,波峰对C839充电,波谷C839对R926放电,适当地选取C839和R926的时间常数,基本使V808维持在截止状态)。当输入的供电电压220V下降幅度比较大时,N803的#6脚VCC经过R926、R825、VD829流通,V808逐步进入正偏状态,此时VCC经过V808及R824对C807充电,当C807上电压达到并超过7.2V时,该电压加到N803的#1脚,电路进入保护状态,此项为220V输入电压欠压保护。
(4)5V_M的输出控制及5V_M输出短路保护:
在输出的电源中,15V_VCC受控于V807,+5V_M受控于V813。在主电源(PWM)12V建立的情况下,加到V813的栅极,致使V813导通5V_M才有输出,如图5所示。V812及VZ816组成5V_M短路保护;在正常开机工作情况下,V812的基极被VZ816箝位在3.6V,V812的发射极为5V(5V_M),V812反偏截止;当5V_M出现短路时,V812的发射极电位小于3.6V,V812正偏、导通,V812的集电极和发射极接在V813的栅极和源极,V812的导通使V813失去了偏置,V813截止切断了5V_M的流通,起到了短路保护的作用。
(5)关于待机部分的B+供电:
在待机电源向主机输出的5V_S和5V_M中,5V_M的功率达到25W(5V_S只有5W),参考表2。但是,5V_M的输出受PWM部分12V输出控制,也就是说在待机状态时,待机电源只有5W的输出功率(只向CPU系统供电);在开机状态,PWM部分开始工作,输出的12V启动了5V_M的输出,就要有大于30W以上的功率输出。另外,该机在待机状态PFC部分是不工作的,此时B+PFC不输出380V,只有220V经过整流流过L,再经过C滤波的300V;所以,该待机开关电源的B+供电是开机有380V,待机只有300V左右。又因为在待机时的功率只有5W输出(开机要有30W以上),所以开机由380V供电,待机由300V供电;这种B+变化的供电方式是合理的,正好符合该电源在待机时功耗很小的特点。
| 输出电压 |
功能 |
工作状态 |
|
输出电流(A) |
|
|||
|
|
|
|
最小值 |
|
典型值 |
|
最大值 |
|
| 12V |
前级模拟电路供电 |
开机有输出,由PWM 部分提供 |
2A |
|
2.5A |
|
3A |
|
| 5V_M |
小信号数字前端供电 |
开机有输出,由待机部分提供,受12V 控制 |
4A |
|
5A |
|
6A |
|
| 5V_S |
CPU 系统供电 |
开机、待机均有输出 |
0.5A |
|
1A |
|
1.5A |
|
| 28V or 14V |
伴音功放供电 |
开机有输出,由PWM 部分提供 |
1.5A |
|
2A |
|
3A |
|
| 24V |
背光板供电 |
开机有输出,由PWM 部分提供 |
4A |
|
5A |
|
6A |
|