康佳KIP+L180I16C1型IP板电路原理图与实测数据

2022-12-13 18:39:51  阅读 860 次 评论 0 条
摘要:

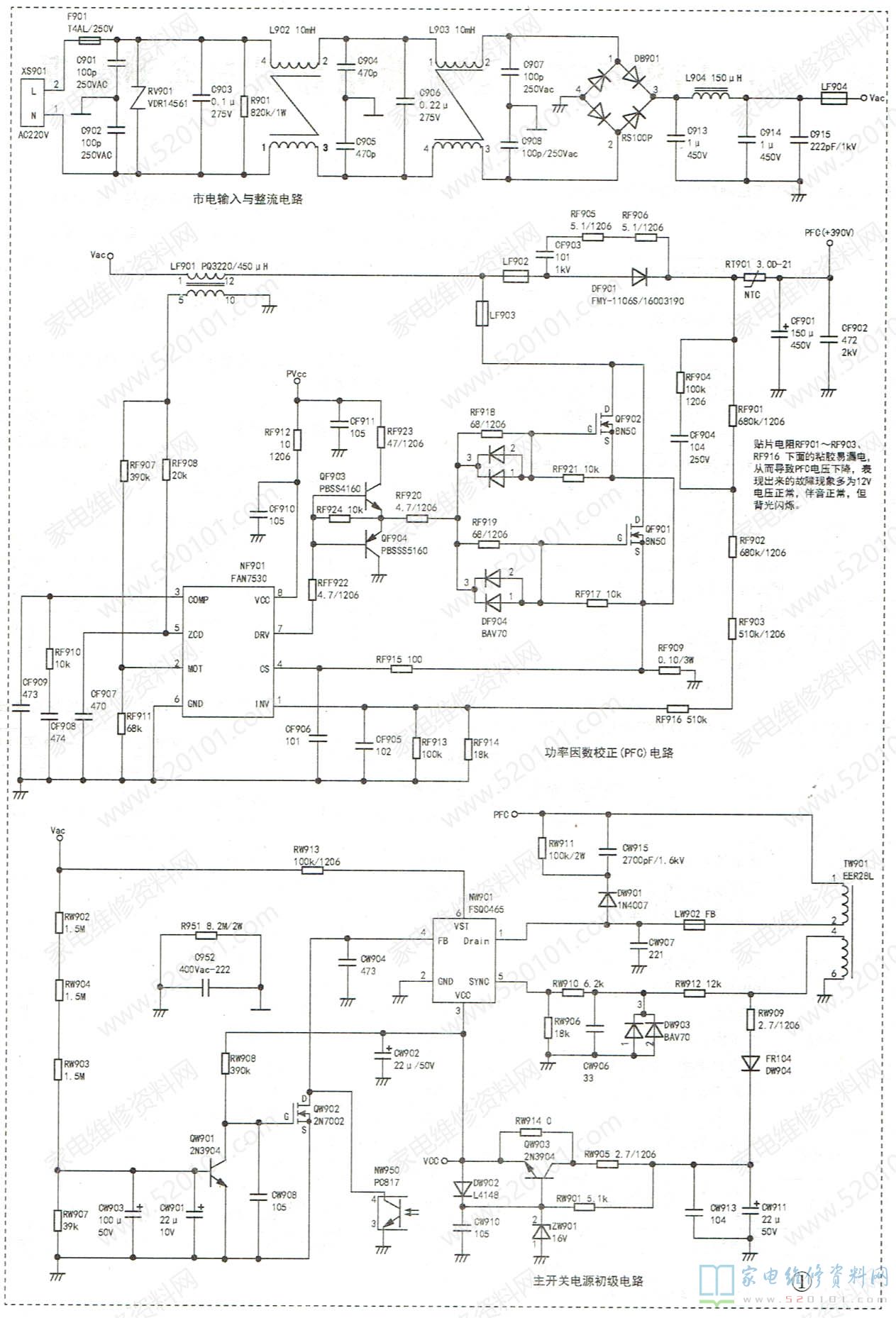
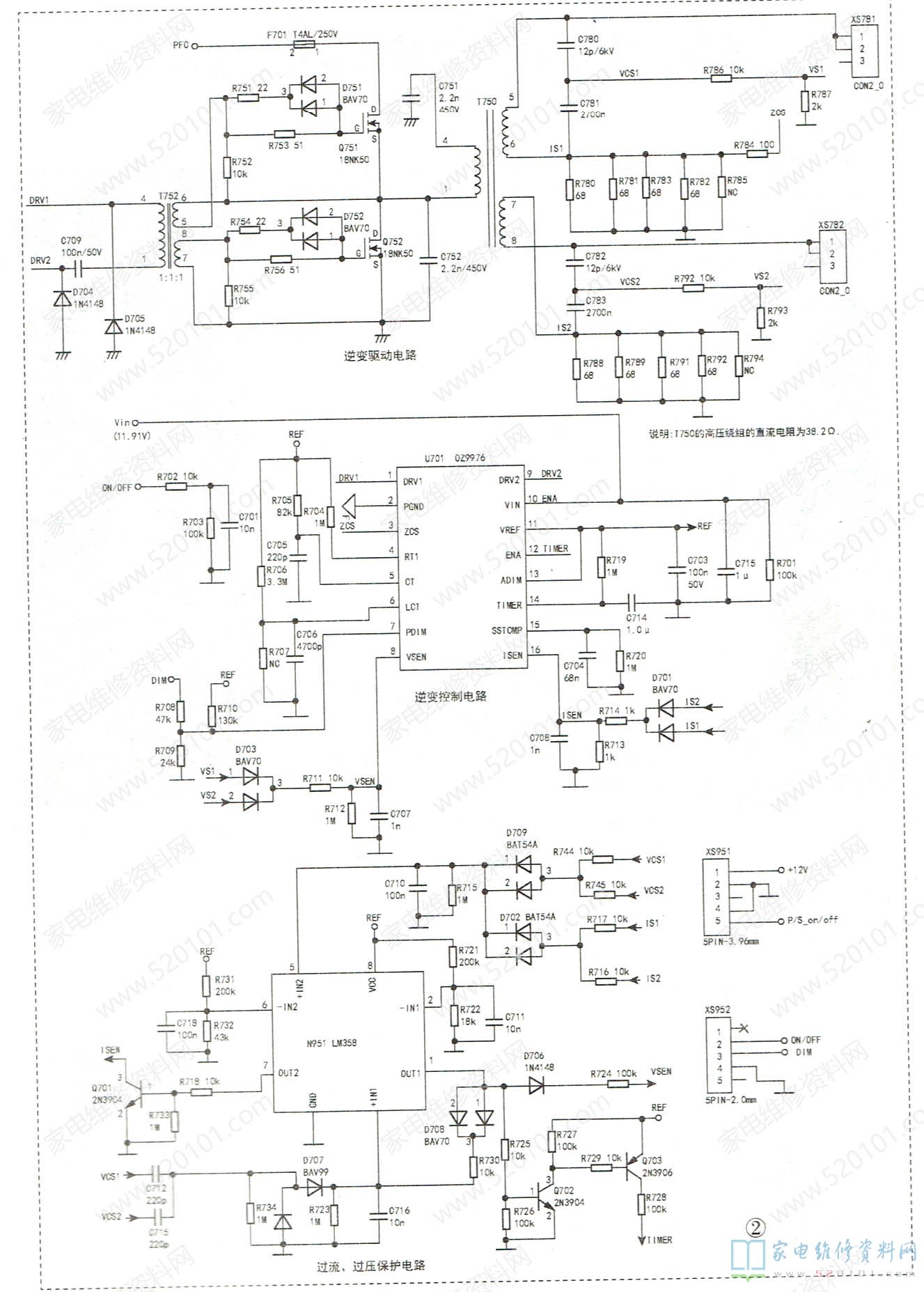
康佳KIP+L180I16C1该型IP板主要用于康佳LC42MS96PD、LC42FS81DC、LC42DS60C等型液晶彩电中,其电路如图1~图3所示(见下页),主要IC的引脚功能与实测数据见表1~表4

      康佳KIP+L180I16C1该型IP板主要用于康佳LC42MS96PD、LC42FS81DC、LC42DS60C等型液晶彩电中,其电路如图1~图3所示(见下页),主要IC的引脚功能与实测数据见表1~表4。

康佳KIP+L180I16C1型IP板电路原理图与实测数据 第1张

康佳KIP+L180I16C1型IP板电路原理图与实测数据 第2张

康佳KIP+L180I16C1型IP板电路原理图与实测数据 第3张

康佳KIP+L180I16C1型IP板电路原理图与实测数据 第4张

康佳KIP+L180I16C1型IP板电路原理图与实测数据 第5张

康佳KIP+L180I16C1型IP板电路原理图与实测数据 第6张

康佳KIP+L180I16C1型IP板电路原理图与实测数据 第7张

版权声明:本文为转载文章,版权归原作者所有,欢迎分享本文,转载请保留出处!