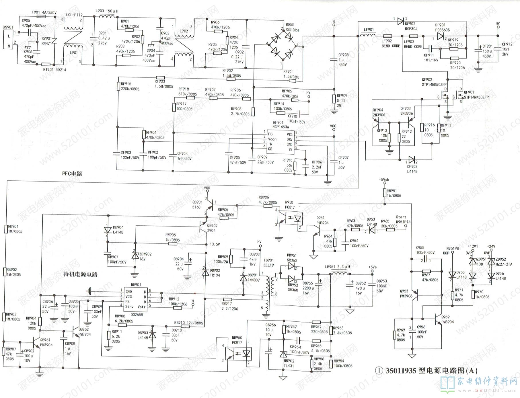
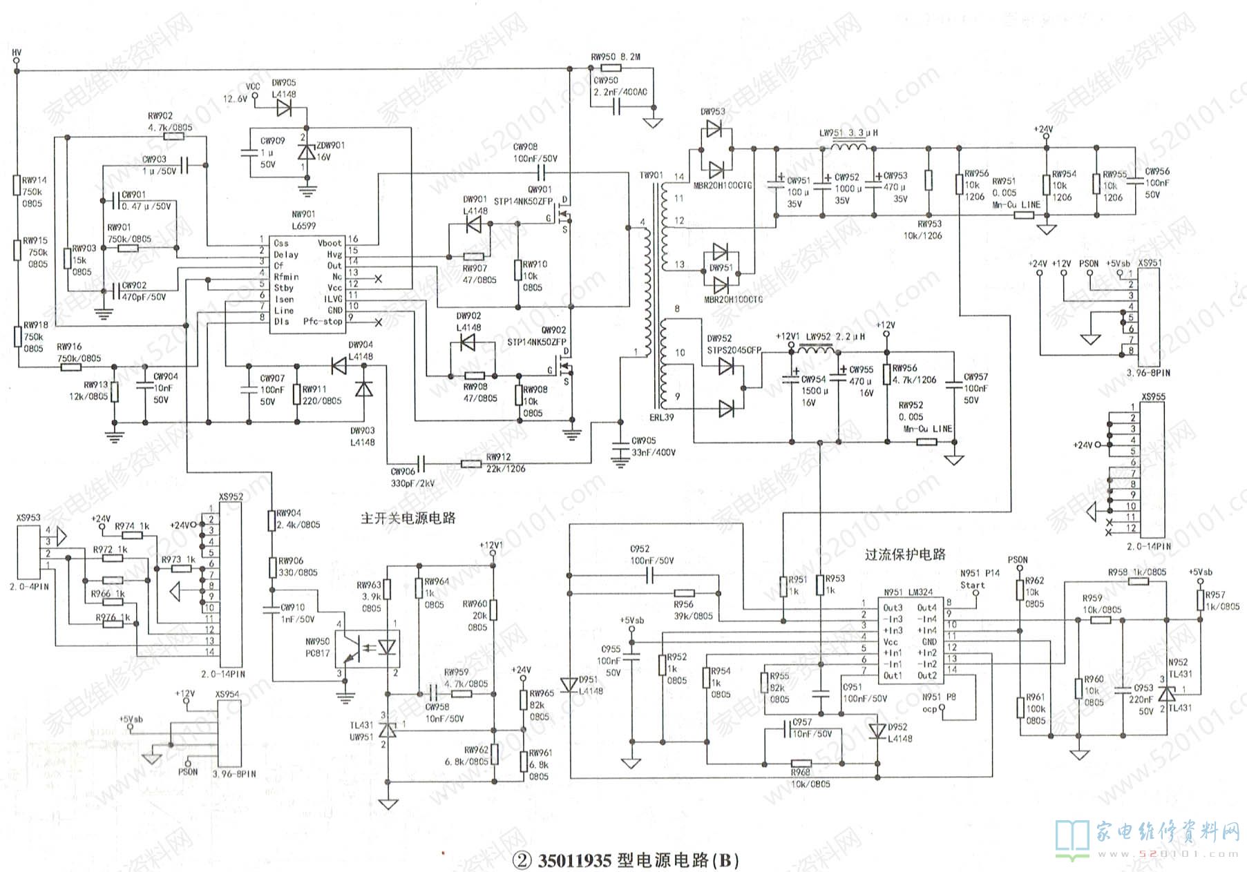
35011935电源板主要用于康佳LC37DES3OC、LC40GS60DC等型液晶彩电中,其电路如图1、图2所示,主要IC的引脚功能与实测数据见表1~表4。
表1、NB901(Q0265R)引脚功能和实测数据
表2、NW901(L6599)引脚功能与实测电压
表3、NF901(NCP1653A)引脚功能与实测电压
表4、N951(LM324,四运放集成电路)引脚功能与实测电压
图1、康佳35011935电源板电路原理图
版权声明:本文为转载文章,版权归原作者所有,欢迎分享本文,转载请保留出处!

