康佳LED42MS92DC液晶电视不开机的故障维修

2022-06-19 19:18:05  阅读 916 次 评论 0 条
摘要:

接修一台康佳LED2MS92DC液晶电视,该机在按下电源开关通电后,红色指示灯亮,数秒钟后变为绿色指示灯亮,但无图像、无伴音,黑屏幕。根据故障现象,指示灯由红色变为绿色,说明副电源正常,主板控制系统正常,电

     接修一台康佳LED2MS92DC液晶电视,该机在按下电源开关通电后,红色指示灯亮,数秒钟后变为绿色指示灯亮,但无图像、无伴音黑屏幕。根据故障现象,指示灯由红色变为绿色,说明副电源正常,主板控制系统正常,电视机已经进入开机模式,故障原因一是主电源工作失常,二是主板电路有故障。拆机检测,+5V待机电压正常,+24V电压快速升到+26V,然后又慢慢降为9.5V;+12V电压在开机瞬间上升到+8V左右,然后降为3.7V。估计该故障系保护电路动作所致。

康佳LED42MS92DC液晶电视不开机的故障维修 第1张

      该机设有以模拟晶闸管Q951、Q954为核心的过流、过压保护电路,如图1所示。当发生过流或过压故障时,Q954的b极变为高电平,Q954、Q951导通,光耦u902因①脚电压过低而截止,开关电源进入待机状态。上电测得Q954的b极电压为0.7V,由此判断保护电路已启动。在开机的瞬间测得过压保护隔离二极管D953的正极电压约为0.5V,然后降为0V,由此判断过压保护电路已启动。

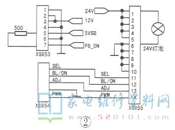
       断开电源板上的+24V和+12V电压输出插座XS953、XS955的排线,在xs953的⑤、⑦脚之间接一只500Ω电阻,以强制开机;在XS955的24V输出端①、⑥脚之间接一只24V摩托车灯泡做假负载,如图2所示。

康佳LED42MS92DC液晶电视不开机的故障维修 第2张

        接下来将Q954的b极对地短接,手按住电源开关为电源板通电,发现+24V电压快速升到30V ,迅速断电。根据经验,稳压电路中的误差放大器和光耦易损坏。检查这部分电路,发现光耦UW903的③、④脚到主电源厚膜块UW902的②、⑥脚之间铜箔有腐蚀的痕迹,如图3所示。用细导线连接此部分电路后试机,故障排除。

康佳LED42MS92DC液晶电视不开机的故障维修 第3张

版权声明:本文为转载文章,版权归原作者所有,欢迎分享本文,转载请保留出处!