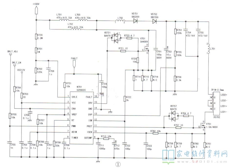
接修一台康佳LED32F3300CE液晶电视,故障现象是开机背光一闪即灭,但声音正常。该机三合一主板编号为35016968(图纸) ,其背光灯电路如下图所示。上电,测得插座XS702⑦脚电压由110V升到180V后又马上降到110V,说明自举升压电路已工作,怀疑灯珠异常,但用点灯仪检测,灯条发光正常。测量N701①脚(自举电路供电欠压检测端)电压为3.4V,②脚电压为12V ,④脚电压为5V,均正常,但⑥脚( PWM )电压仅为1.0V,外接一只22k2电阻到④脚,强制⑥脚为高电平,故障依旧。
检查⑥脚外接元件V806、R830、R705、C705等均正常,怀疑N701损坏,将其换新后开机,⑥脚电压升到3.2V ,故障排除。
版权声明:本文为转载文章,版权归原作者所有,欢迎分享本文,转载请保留出处!
