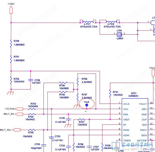
最近接修一台康佳LED32F2200NE,故障为屏闪一下即灭。一看这种现象首先怀疑灯条不良,但用测灯仪检测没有问题,故障在恒流。测灯条电压开机瞬间电压升到160V左右便消失了,测前级供电电压89V,正常值应该为100V,怀疑100V取样电路有电阻变值,拆下贴片RW974\RW976正常,查看电路图,发现该机另一路12V也有取样电路连接到TL431,遂拆下RW975测量,103变成了9K左右且不稳定,从废板上拆下一个换上开机,100V恢复正常.可是灯条依旧是一闪即灭。 
 
		
		再检查恒流电路,该机恒流使用OZ9902,13脚为过压保护,把这个脚用2K电阻接地试机,灯条可正常工作,一时不知道该怎么继续了,继续看图纸,9902还有一个保护是1脚,对恒流电路供电VCC进行检测,查资料这个1脚是VCC供电欠压保护.可是我刚才已经修复了供电啊,102V非常稳定,不可能欠压,所以有可能这里的取样电阻有问题,首先拆下RW709,标注为225,2.2M,实测有时正常,有时下降为380K,找到一个2M的电阻换上开机,灯条正常点亮,接上信号,试机一切正常。
  
 
  
 
			版权声明:本文为转载文章,版权归原作者所有,欢迎分享本文,转载请保留出处!
			
		
		
		
		
		
		
	