上述康佳机型易出现冷机黑屏故障(背光不亮),反复多次开机后又可正常工作。该故障通常系背光驱动电路中的过压保护起控所致,相关电路如下图所示。
实修时,可先按下列方法进行检查,以确认故障部位:
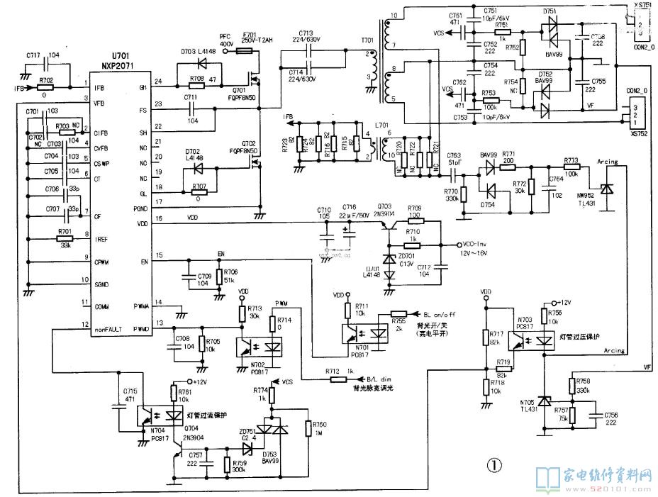
1、首先短路光耦N701的③、④脚,以强制启动背光,并短路光耦N702的③、④脚,以模拟背光亮度最大,若开机故障依旧,则说明背光开/关与亮度调节电路基本无问题。2、短路光耦N704的①、②脚,强制让过流保护电路不起控,若开机故障依旧,则说明故障并非过流保护所致。
3、短路光耦N703的①②脚,强制让过压保护电路不起控,若试机能正常开机,则说明故障系过压保护起控所致。
过压保护电路中,由D751、D752、D754、C758、C755、C764、R757、R758等元件组成过压取样电路,输出的取样电压与三端精密稳压器N705、NW952(型号均为TL431)内部的基准电压作比较、放大,然后通过光耦N703送给背光控制芯片U701的③脚。
由于TL431输入部分是运算放大器,输入阻抗非常高,增益大,加之逆变部分本身就会产生各种干扰,同时冷机灯管易出现异常辉光放电现象,从而产生尖峰脉冲。这些干扰极易导致过压保护电路起控,从而出现背光不亮故障。针对这一原因,厂家给出了以下两种技改方案,供实修时参考。
 方案一:由于TL431是高增益放大器,没有深度负反馈电路,易受干扰而产生误动作,因此可加大TL431输入端的RC积分电路的积分时间,以增强其抗干扰能力,既滤除开机瞬时的尖峰干扰脉冲,同时让过压保护大幅延时,以防止误保护。
         具体而言,在该电路中,R758、R757并联作为RC积分电路中的电阻R,C756为RC积分电路中的电容C。若要增大RC常数,最简单的方法就是增大C756的容量。经过实验,将C756由原来2.2nF(222)改为2.2μF(225)后,故障排除。经过计算,C756改为2.2μF后,积分时间增至原来的1000倍,约63ms,符合过压保护所需的延时时间。 
 
 
 方案二:由于TL431的输入阻抗本来就非常高,串联电阻R773既会让输入信一号源的阻抗再次增加,又会引来干扰,从而出现误保护,所以可采用降低输入阻抗的办法来增强其抗干扰能力,即将R773由原来100kΩ(104)改为0Ω电阻,或用导线代替。
         另外,有资料称:将电阻R757由原来10kΩ改为3.3kΩ,以确保能给TL431提供稳定工作所需的最小电流(1mA)。其实,这个改动没有多大效果,因为在背光正常工作时,TL431工作在截止状态,更改电阻大小,对工作没有影响。 
 
								