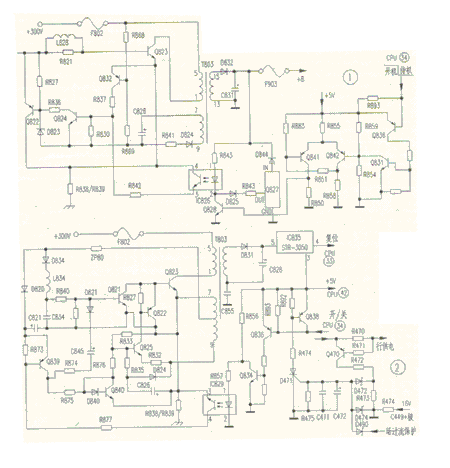
开机测开关电源+B输出电压为70V,25V输出端为15V。在正常工作状态下,+B端电压应为120V,在待机状态下该机置于待机状态,复测+B与25V端电压分别为50V、9V,正常。取消待机状态,断开主负载后+B电压基本不变。从测量结果并结合故障现象分析,主负载是正常的,该机处于待机状态与正常状态之间的“中间状态”。对一般彩电来说,只需检查稳压电路即可,但对本机来说,此故障可能出在稳压电路,而待机控制电路出现问题同样会造成本故障。虽然该机的待机控制原理属于“窄脉冲”控制,但它的控制分两个支路,一路压缩开关电源的振荡脉宽,另一路是压缩开关管的正反馈。这两路中的任何一路有故障,都会造成这种故障现象。
第一支路是通过脉宽控制器压缩振荡脉宽,如图1所示。接到待机指令后,CPU(TMP87PM36N)34脚输出高电平4.2V,使Q836、Q831截止。Q841和Q842构成“跷跷板”电路,两管共发射极电阻,当一管导通时另一管截止。Q831截止使Q842也截止,其c极电压为0V,e极电压上升,使Q841得到足够的偏流而导通,其c极输出高电平又使光电耦合器IC826内部的发光管发光强度增大,其3、4脚内阻减小,以此来压缩振荡控制器Q824、Q822的振荡脉宽,使输出电压大幅度下降。
第二支路是对开关管的正反馈进行进一步压缩,如图2所示。CPU接到待机指令使Q836截止后,其c极的低电平使Q834也截止,+5V电压通过R856、R857将光电耦合器IC829内部的发光管点亮,其3、4脚内阻变小,Q839偏流增大,c极电流成β倍增大,通过D840使Q840导通程度增强,Q825b极电流加大,其c极电流使得Q822导通程度增强,因此,开关管Q823的正反馈被进一步压缩,开关电源的各路输出电压进一步降低,维持在正常工作时的½~⅓值左右。由此分析,重点检查待机电路。由于光电耦合器在这两个支路中都起着“承前启后”的重要作用,因此对IC826和IC829的检查应是切入点。虽然此时+B电压为70V,但CPU的+5V供电是正常的,开机后分别在正常状态和待机状态下测量IC826和IC8293、4脚之间的压差,发现IC8291、2脚之间电压始终不足IC826变化正常。据此判断故障出在第二支路,而故障点在IC829之前(包括IC829)。测IC8291、2脚之间的电压为0.1V,按动待机键后变为3V,说明IC829有问题的可能性很大。在路测其3、4脚之间的电阻值,几乎为0Ω,已击穿。更换TLP621光电耦合器后,故障排除。
小结:由于IC8293、4脚击穿,使待机控制电路的第二支路相当于一直处于待机状态,通过Q839、Q840、Q825、Q822对开关管Q823 的正反馈进行压缩,虽然稳压电路是正常的,但受到待机控制中第二支路的影响,使开关电源的各路输出电压不能达到正常值,从而造成了本故障。