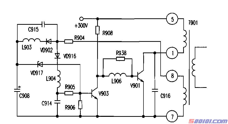
四、恒流激励电路
V902对V901的恒流激励电路如图7所示。当市电电压在140~240V之间变化时,C908上的电压为恒定的
5.0V。在开关管V901导通期间,图7开关电源恒流激励电路T901正反馈饶组上感应电势的极性正12负,使整流二极管VD910导通。T901在V901导通期间储存的能量经VD910向负载及滤波电容C926释放,在C926上获得稳定而平滑的130V电压。同时C913经R914、T901绕组⑨-⑦、二极管VD912放电,c913上的电压因放电而逐渐下降,V901的基极电位逐渐上升,当V901的Ube达到导通电压时,V901又重新导通。
图 7 开关恒流电源电路
为⑨正、⑦负,因此V902饱和导通。C908上的电压通过R903、V902对V901提供恒定的激励电流,激励电流的大小取决于R903的数值。同时,正反馈绕组⑨-⑦上感应的脉冲电压通过V902射极跟随,对V901 提供另一路正反馈激励(第一条正反馈通路是由R914、C913等构成)。
当市电电压低于140V时,正反馈绕组上感应的初始激励信号较小,开关变压器T901正反馈绕组上感应电势的极性为⑨正、⑦负时,V902作为激励电流放大器(射极输出器),使V901有足够的初始正反馈激励信号,副方也能迅速建压,确保电网电压下降时,副方输出电压的稳定。
正是由于设置了此种恒流激励电路,因而使得大屏幕“D”系列彩电的开关电源可以适应市电电压0V~240V的变化范围,而无需电源切换电路。
五、遥控关机电路
遥控关机电路由两路组成(参阅图8)。一路是由V601、V602、V911、N903、V910、V909、V905、V904组成的控制电路;另一路是由V601、V602、V912、V915、V916、V907、N902、V908、V904组成的控制电路,下面先说明电视机正常工作情况下这两路电路的状态,然后说明待机状态下的情况。
微处理器(ST6367或ST6368或ST6378)-37脚的电压经R647加到V601基极,正常工作状态下37脚为高电位,V601、V602导通,5V电压通过V602射极、集电极加到V911、V912基极,使两管饱和,集电极电压均近于0V。V9集电极电压近于0V,使光电耦合器N903的发光二极管与光敏三极管均截止。因此V910、V909、V905都截止(V905的工作情况在后文中还要详述),对开关电源工作没有影响。同时,V911的集电极0V电压还使V920截止,因而它对行振荡电路的供电也无影响,V912集电极为0V,使得V915导通、V916截止(V915、V916组成双稳压开关电路),R909上没有电流流过,V907因零偏截止,它对开关电源没有影响。此时,开关电源的振荡、恒流激励、稳压的工作情况如前所述。
当电视机处于待机状态时,B+(130V)电源下降到80V~90V。B+2(13.5V)电源下降为8V-9V,它经N602(LM7805)稳压后输出5V电源继续供给遥控系统,使遥控系统可以随时接收遥控开机指令、重新启动电源,同时信号通道及扫描电路均停止工作。各路电源下降的主要原因,是开关电源由正常工作的连续振荡状态变成待机时的断续振荡状态。C939(正常工作状态的+13.5V输出端)上的电压波形及断续振荡状态如图9所示,重复周期约20.4ms,其中振荡时间约1.5ms, 停振时间约18.9ms。
图8 遥控关机电路
五、遥控关机电路
遥控关机电路由两路组成(参阅图8)。一路是由V601、V602、V911、N903、V910、V909、V905、V904组成的控制电路;另一路是由V601、V602、V912、V915、V916、V907、N902、V908、V904组成的控制电路,下面先说明电视机正常工作情况下这两路电路的状态,然后说明待机状态下的情况。[Page]
微处理器(ST6367或ST6368或ST6378)-37脚的电压经R647加到V601基极,正常工作状态下37脚为高电位,V601、V602导通,5V电压通过V602射极、集电极加到V911、V912基极,使两管饱和,集电极电压均近于0V。V9集电极电压近于0V,使光电耦合器N903的发光二极管与光敏三极管均截止。因此V910、V909、V905都截止(V905的工作情况在后文中还要详述),对开关电源工作没有影响。同时,V911的集电极0V电压还使V920截止,因而它对行振荡电路的供电也无影响,V912集电极为0V,使得V915导通、V916截止(V915、V916组成双稳压开关电路),R909上没有电流流过,V907因零偏截止,它对开关电源没有影响。此时,开关电源的振荡、恒流激励、稳压的工作情况如前所述。
当电视机处于待机状态时,B+(130V)电源下降到80V~90V。B+2(13.5V)电源下降为8V-9V,它经N602(LM7805)稳压后输出5V电源继续供给遥控系统,使遥控系统可以随时接收遥控开机指令、重新启动电源,同时信号通道及扫描电路均停止工作。各路电源下降的主要原因,是开关电源由正常工作的连续振荡状态变成待机时的断续振荡状态。C939(正常工作状态的+13.5V输出端)上的电压波形及断续振荡状态如图9所示,重复周期约20.4ms,其中振荡时间约1.5ms, 停振时间约18.9ms。
六、开关管过流限制电路
开关管过流限制电路如图10所示。V905除担任待机断续振荡控制作用外,它还是V901大功率开关管的限流控制管。
冲击电流限制电路:在开机瞬间,由于开关电源调频、调宽的稳压环路尚未建立起稳定工作状态,开关管可能因为副方B+、B+’⋯⋯ 各支路电解电容均未储能(未建立电压),而流过很大的冲击电流使V901过热损坏。因此,在正反馈绕组⑦-⑨端的激励端⑨脚,除通过R914、C913、L906//R938正反馈到V901基极外,还通过R919 (1.5k)接V905的基极,由于此时C924上的负电压尚未建立,因此当T901⑨脚为正时,除了使V901饱和导通之外,也使V905趋于饱和,V905集电极电位下降促使V904趋于饱和,势必将V901基极的正反馈信号及启动电流分流,使V901的饱和期缩短而截止期增长,以免V901在启动瞬间冲击电流过大,这样就达到了在开机瞬间限制开关管V901电流的目的,这个电路又称之为“软启动电路”。
峰值电流限制电路:当开机1~2 秒后,开关电源调宽、调频稳压环路已进入正常工作状态,与此同时C924上的电压已达到-12V正常值,因此由R929串R928分压到V905基极的负电压增加,根据此回路电压计算,V905得到的偏压为-12·R928/(R928+R929)=-12×51/731≈-0.84V,而且V901的射极电流也达到稳定的锯齿波状态,在R936//R937上产生的正偏压下降(平均值为0.04V,峰值为
4V),因此V905因反向偏置而截止。V901正常的开关工作状态不再受V905的控制。
但在电视机工作过程中如因某种原因发生开关管射极电流过大,则并联电阻R936、R937上的压降U。增大,当Ue的数值达到一定值时,V905将会在正反馈绕组⑨脚为正值期间导通,使得V904对开关管V901的基极分流作用增加,从而使开关管V901占空比下降,最大电流值下降,起到了峰值电流限制的保护作用。
图10开关管过流保护电路
七 过压保护电路
图开关电源过压保护电路与延时导通控制电路
过压保护电路如图所示。V903是过压保护控制管,C908与C914上的电压是取样电压。
在前文中已经说明,开关电源正常工作时,T901开关变压器绕组[Page]
⑧-⑦上的感应电势,在开关管V901截止期,经VD902整流,在C908 上产生约5V的电压,用作V902等的工作电源。C908上的电压同时又是一个取样电压,如果某种原因引起开关电源输出电压过高(例如稳压取样电路开路,负载开路等故障情况下),则绕组⑧-⑦上的感应电势也必然增大,经VD902整流后,C908上的电压也必定升高。当C908上的电压超过7.5V时,VD917(为6.8V稳压管)击穿且V903的基极电位达到0.7V,因而V903饱和导通,使得开关管V901的基极与发射极“短路”停止振荡,保护了开关电源及负载。在一般情况下,C908电压稍超过6.8V将会在动态范围内调节V903的动态内阻r∝。也即是调整了开关管的占空比,可以达到副方不过压的目的。
图12 开关电源负载过流及14V、26V电源过压保护电路
八、延时导通控制电路
V903除了过压限制作用外,还具有使开关管V901延时导通的作用。开关管截止时,变压器初级处于高阻抗状态,当开关变压器T901 储能释放完毕开关管即将导通之前,次级也处于高阻抗状态。此时V901集电极与发射极并联的电容C916、C9及串联的C917、C918等与初级绕组电感组成并联谐振电路,将产生自由振荡。如果在振荡尚未衰减之前,V901已导通,则V901将产生较大的开启损耗。V903可以使V901在每一个振荡周期延时导通。因为当V901截止期间,T901⑧-
⑦绕组上的感应电势通过VD916整流,在C914上充有电荷。当V901 截止末期产生自由振荡时,C914上的电荷通过R905、R906放电,在R906上产生的压降使V903饱和导通,V901基极与发射极被V903“短路”而不能导通。当C914放电电流逐渐减少,R906上的压降小于0.6V 时,V903截止,V901方能导通。只要C914、R915、R906参数选择适当,此时V901的自由振荡已衰减到最小值,此时V901才能在正反馈信号作用下饱和导通,使通过T901⑤-①绕组的电流线性增长直到最大值。从而使V901的开启损耗大大减少。
九、B+(130V)开关电源负载过流保护电路
B+(130V)电源负载过流保护电路如图12所示。它由V404、R472、稳压管VD904、可控硅V913、V603等组成。R472(0.68Ω) 是取样电阻,V404是过流检测管,VD904、V913、V603是过流保护控制管。
130V电源电压通过R472向行激励级与行输出级供电,正常情况下,流过R472的电流在R472上产生的压降小于0.6V,因此V404截止。当负载加重,130V电源输出电流增大超过1A时(这种情况,有时是因为显像管极间软跳火,有时是因为机内电路故障造成),在R472 上产生的压降大于0.6V,V404导通,130V电压通过V404、R950与R942分压,使12V稳压管VD904击穿,正电压加到可控硅V913的控制极上使其导通,则使PNP管V603的基极通过R686、V913接地,因而V603导通,+5V电压通过V603加到V602的基极,使V602截止。V602是遥控开/关机控制管,V602截止正是其遥控关机的状态,因而开关电源转入保护性关机状态,130V电源下降为85V,同时行振荡器停振,行扫描电路停止工作。这样既保护了开关稳压电源自身,又使负载故障不致扩大。由于可控硅击穿后,必须将阳极电压降至零才能恢复到非击穿状态(截止状态),因此保护性关机后,用遥控器不能再行开机,必须用电源按键先关机再等待3~5 分钟,5V遥控电源降至零后方能再开机。
十、26V(场输出电源)负载过流保护电路
26V电源负载过流保护电路如图12所示。图中R4(1.OΩ) 是取样电阻,V410是过流检测管,稳压管VD905等是控制管。[Page]
由行输出变压器次级绕组感应电压整流滤波得到的26V电压,通过R466向场输出级供电。正常情况下,流过R4的电流产生的压降较小,因此V410截止。当场输出级发生故障使流过R466的电流增大到超过1A时,R4上产生的压降经R458(5.6k)、R462(3.9k)分压后,使V410射极与基极之间的电压超过0.6V,V410导通。+26V电压通过V410、R467与R469分压,使V稳压管VD905击穿,正电压加到可控硅V913的控制极,V913导通,进而使V603导通,V602截止,开关稳压电源转入保护性关机状态,行输出级停止工作,26V电压消失。同理,此时用遥控器不能开机。
十一、行输出副方绕组过压保护
取样点是由行输出变压器次级电压经整流滤波获得的+14V电压点,其过压保护电路如图12所示。图中稳压管VD903是过压保护控制管。在正常情况下VD903截止,如果因某种原因使14V电源(供给N403稳压器产生12V电源)超过l6V时,会使VD903击穿,可控硅V913导通,V603导通,V602截止,开关电源转入保护性关机状态,行输出级停止工作,14V电压消失。此时用遥控器不能开机。此保护电路与其他机型上的“x 射线保护电路”同理,目的是防止行输出变压器副方输出过压,造成显像管灯丝电压及高压过高,x射线辐射剂量增大:显像管早期老化;甚至管颈断裂等故障的出现。
十二、维修数据
附表列出了T2979D1型机开关稳压电源及保护电路各三极管、光电耦合器件、集成电路SEl20的数据,供维修人员参考。

