长虹32D2000液晶电视通电指示灯亮但不开机的维修

2022-10-04 06:30:02  阅读 1634 次 评论 0 条
摘要:

接修一台32D2000型液晶彩电(ZLS56机芯),上电后指示灯亮,不开机。分析检修:测主板插座J3①脚12V正常,依次测主板上DC-DC块U8输出5Vstb.U803输出供内核工作的1.15V,U32输

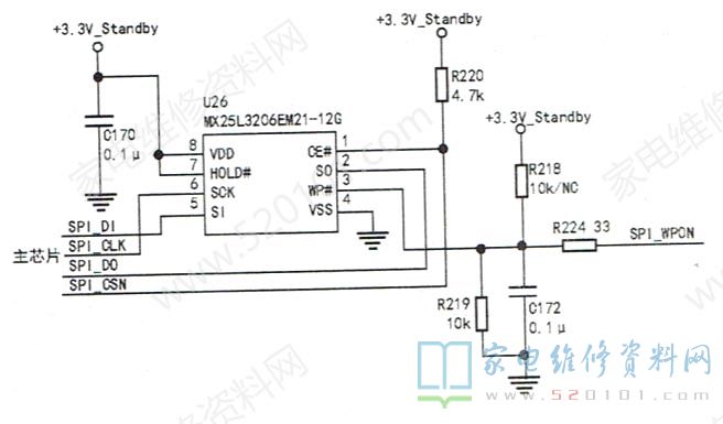
       接修一台32D2000型液晶彩电(ZLS56机芯),上电后指示灯亮,不开机。分析检修:测主板插座J3①脚12V正常,依次测主板上DC-DC块U8输出5Vstb.U803输出供内核工作的1.15V,U32输出的+3.3V_ Stand-by电压, 均正常。反复交流开/关机,测试信号板上开/待机控制管Q812基极始终为低电平,由此推断控制系统没工作。检查主芯片U32复位电路中的Q25、C315、D47、C335、R264等元件,未发现异常;测试时钟振荡Y1两脚有波形,说明时钟振荡在工作;程序块U26⑦、⑧脚3.3VSTB供电正常,①、②、⑤、⑥脚与U23间的SPI总线通道正常(见图1),怀疑程序有问题。用工装对其写入程序但失败了,怀疑U26损坏。将U26换新后重新写入程序,试机,故障排除。

长虹32D2000液晶电视通电指示灯亮但不开机的维修 第1张

版权声明:本文为转载文章,版权归原作者所有,欢迎分享本文,转载请保留出处!