最近维修一台长虹液晶电视iTV 32650X,两个多月前因有开机音乐,背光亮几秒熄灭,后经检查维修落机板和换主板后修复。前几天,该机再出黑屏故障,到用户家检查为开机指示灯亮,二次开机后灯闪后熄灭,屏幕一直黑屏(背光没有亮),而且也没有开机音乐。用户也知道此次故障和原来不同,说另有一台电视准备搬过来看,而这台机子就卖给我了。前天不忙了,拆开机子检查,电源输出STB 5V正常,开机后5V,24V也正常,但测C120两端电压为325-355V波动。再测主板到电源板有开机信号,感觉主板应该在工作,但没有开机音乐。
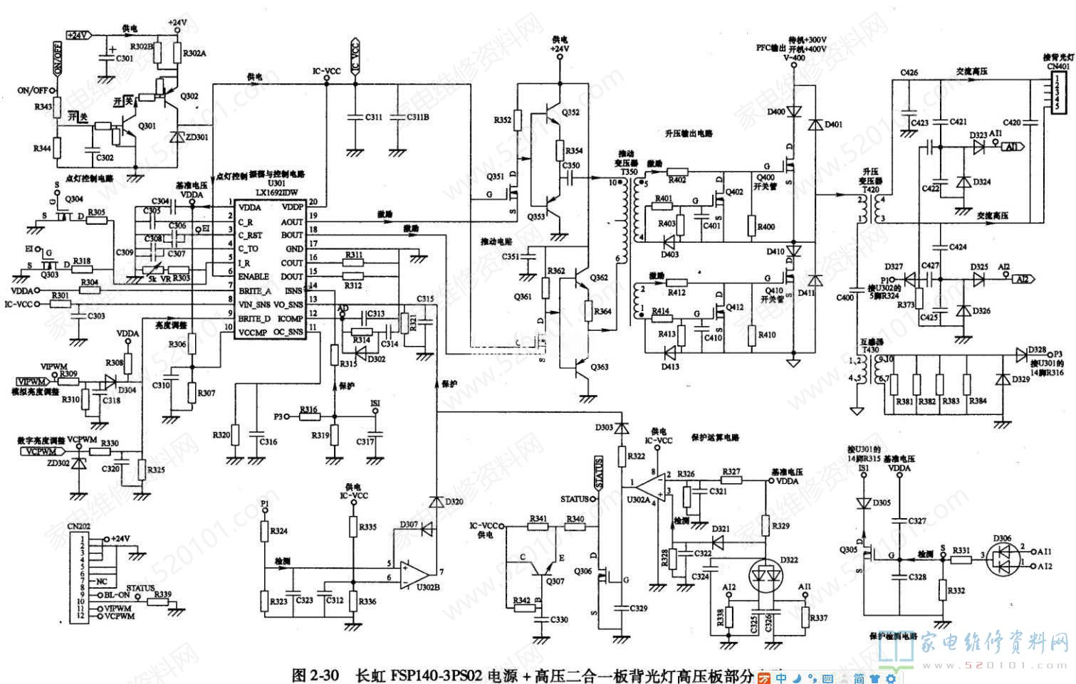
本着先修电源的原则,重点检查PFC电压不稳,以及无背光,用电阻和跳线模拟开机状态,测得LX1692IDW的20脚为2.9V,断开20脚引脚,测电路板恢复为5V,代换LX1692IDW,结果测20脚还是2.9V。对照电路,分析为Q302不良,用线跳CE,LX1692IDW的20脚恢复为5V,同时背光点亮,测C120两端为稳定383V。此时再接入主板,结果是灰屏,查小板供电12V无,而F1未断(上次修小板时有短接F1),再测并联的四只电容两端短路,外加5V电源烧机,其中一只发热,拆一相同容量代换,通电再测F1上有12V电压,同时听到了久违的开机音乐,再看屏幕显示出了CHANGHONG字样。
本着先修电源的原则,重点检查PFC电压不稳,以及无背光,用电阻和跳线模拟开机状态,测得LX1692IDW的20脚为2.9V,断开20脚引脚,测电路板恢复为5V,代换LX1692IDW,结果测20脚还是2.9V。对照电路,分析为Q302不良,用线跳CE,LX1692IDW的20脚恢复为5V,同时背光点亮,测C120两端为稳定383V。此时再接入主板,结果是灰屏,查小板供电12V无,而F1未断(上次修小板时有短接F1),再测并联的四只电容两端短路,外加5V电源烧机,其中一只发热,拆一相同容量代换,通电再测F1上有12V电压,同时听到了久违的开机音乐,再看屏幕显示出了CHANGHONG字样。
关机再开机,发现屏幕在出正常图像之前是有短暂的彩色竖线花屏,应该是短接Q302的原因,但这种带阻三极管不好找,考虑用普通三极管代换。从其他电路板上取一只PNP三极管,按图进行代换,通电测ZD301两端电压已恢复5V,恢复原电路,装机试机一切正常。
版权声明:本文为转载文章,版权归原作者所有,欢迎分享本文,转载请保留出处!
