长虹UD49C6000D、UD49C600OD( LJM2 )、UD49C6080iD、UD55C6000D、UD55C6080iD等机型主要采用HSL60D-12M7 110-1 和JCL60D-12M7110-1这两种型号的二合一电源组件,其中电源型号为HSL60D-12M7 110的机器经常出现不定时黑屏、偶尔开机但背光亮或自动保护的故障,现总结整理出解决方案,供维修参考。
1、LED+背光驱动电压形成电路引起保妒
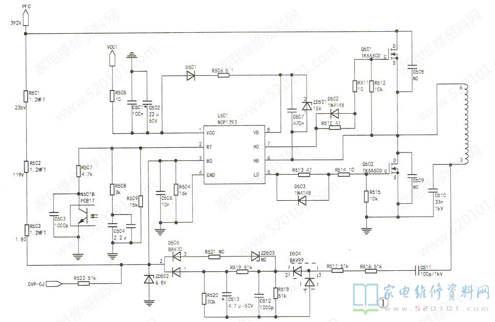
故障表现为二次开机后+12.3V、24Va电压均输出正常,LED+背光供电无输出( 正常工作时为63.5V左右)或瞬间有输出但很快黑屏。由于63.5V的LED+电压不能建立,所以需要检修LED+驱动电压形成电路。该二合一电源采用半桥PWM控制芯片NCP1393形成LED+电压,芯片①脚是供电脚,没工作时电压约为13.8V,工作后电压有所下降,约为11.0V。测量其⑧脚电压为205V(没工作时约14.2V,见图1)、⑤脚电压为4.78V时,可判定该芯片已进入起振状态。
HSL60D-12M7 110-1电源组件背光驱动电路出现不起振、自动停振的原因基本是LED背光驱动电压形成电路U501(NCP1393)的③脚电压异常,从而导致芯片停止工作。因其③脚是闭锁检测引脚,电压超过2V或低于1V ,芯片将进入过压锁闭、掉电/欠压锁闭状态而立即停振,所以在维修时,首先用万用表检测NCP1393的③脚电压值变化情况。一般NCP1393的③脚电压应该是由3.8V下降然后维持在1.8V左右,若该电压一直高于1.8V,说明③脚外围的检测电阻R501~R503有漏电或交直流反馈检测隔离电容C511(100pF/1kV)支路异常。
检修提示:(1)检查如图1所示的几个标注点电压是否正常,若明显异常,需将检测电阻R501、R502、R503取下,清理印制板上和电阻下面的粘胶后,再将电阻翻而进行焊接。翻焊电阻后,再次测量标注电压是否正确,正确则可确认排除漏电。
(2)若经上述处理仍不能排除故障,则需更换NCP1393,同样需将该芯片下方的粘胶清理干净。
(3)当测量NCP1393B的③脚1.8V电压正常时,但电源板的LED背光存在偶尔不启动、偶尔黑屏的,仍需按照上述方法进行处理才行。
2.LED-背光驱动电流控制电路引起保护
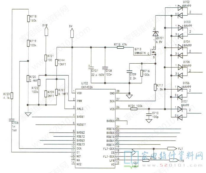
故障表现为二次开机后+12.3V、24Va电压输出正常,LED+背光供电也能正常输出63.5V电压,但背光不亮或瞬间亮马上保护。由于63.5V的LED+电压能正常建立,所以可以判定前端NCP1393及周围电路工作正常。若电视依旧存在黑屏或偶尔出现黑屏故障,则需要检修灯串负端的驱动电流控制电路。因HSL60D-12M7 110-I电源组件采用的背光驱动芯片U702(CAT4026)对12路LED灯串的电流进行控制(见图2),所以背光保护原因有以下两方面:
(1)CAT4026 的10脚(OCA)是背光开路检测,正常工作时有约0.47V左右电压(测量时芯片会保护),该引脚电压超过一定值时 ,芯片会执行保护。当背光灯开路时,LED+输出电压会上升,致使取样电阻R718、R719、R720支路电流增大,进而在R720上的压降升高而导致芯片保护。提示:若遇不确定性因素导致组件保护时,可将其外国取样电阻R718.R719、R720翻面焊接并作去粘胶处理。
(2)CAT4026的27脚(SCA )是灯串短路检测,该引脚电压超过一定值时,芯片会执行保护。该脚外围电路中的稳压二极管ZD701,早期装配的是6.8V稳压二极管,后期装接的是1N4148普通二极管(反向装配)能使检测灵敏度增强。若遇装接的是1N4148,则可将其更换为5.5V~7.2V稳压二极管。
(3)UD49C6000iD屏的背光灯串共12路,每一路灯串由10颗超高亮度白光LED灯串联而成,每一串的正端都接在LED+(约63.5V)上。当12路灯串中的任意一路或多路短路 ,即LED灯串的正负端短路(相当于LED+与LED-短路),或某-路灯串中的某一颗或几颗LED灯珠短路时,都会引起稳压二极管ZD701,上端电压升高,从而导致背光灯串短路保护。
对于SCA脚引起的灯串短路保护,可将电阻R717断开,如图2所示,再拔掉主板与TCON板之间的上屏排线,此时通电背光能强制点亮,再用万用表测量各路LED-的电压,正常情况下每组LED-电压基本一致,约为 6V~8V之间,若某一路LED-电压超出8V,则说明该路LED灯串存在故障,需要更换灯珠。
3.二次开机时+12.3V、24Va电压下降而保护(实际维修中,即使灯串短路也不一定会保护)
CAT4026的10脚OCA检测到灯串开路(LED+电压升高)后,会从芯片19脚输出低电平的错误信号,而27脚SCA检测到灯串短路后,会从芯片17脚输出低电平的错误信号,这两路信号短接在一起形成FLT信号。若该信号为低电平,则三极管Q706和MOS管Q405导通,光耦N302导通量增大,致使+12.3V、24Va的形成芯片U402(NCP1271A)停止工作,出现二次开机时+12.3V、24Va电压下降而保护,相关电路如图3所示。
组件修复后的老化测试方法:HSL60D-12M7110-I二合一电源组件PCB板上LED+标注为65V,带屏模组灯串时电压为63.5V左右,总共有12路LED灯串作为其负载,每一路负载的电流为110mA,老化时可以将12路LED-短接到一起,在LED+与短接在一起的LED-之间接入4792~512/100W的负载进行老化即可。
