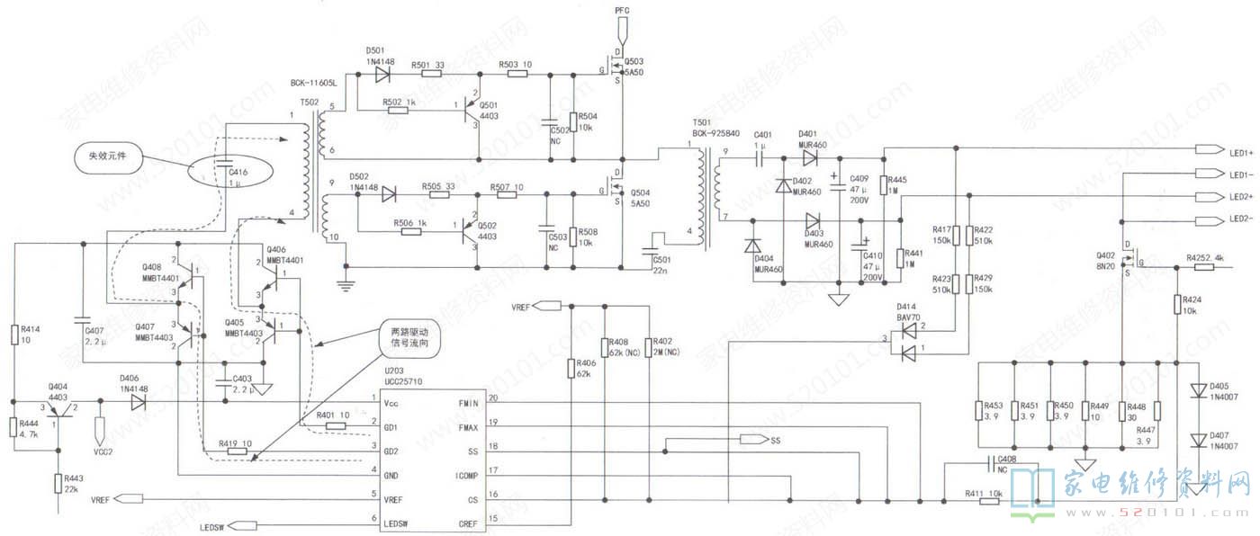
接修一台长虹LED55C2080i液晶电视(ZLM41GIJ机芯),故障现象是有伴音黑屏。该机二次开机后黑屏,但有声音变化。根据经验,首先检查电源板( 型号:HSL35D-2 MC400)背光驱动电压输出是否正常,结果开机测量,发现插座CON401的LED1+ LED2+电压均为0V,说明故障在背光驱动电路。
背光驱动电压的产生是驱动电压形成芯片UCC25710( U203 )正常工作后,一路从②脚输出驱动脉冲信号,经Q405、Q406推挽放大电路放大处理,再送达至开关变压器T502的④脚;另一路从③脚输出驱动脉冲信号,经Q407、Q408推挽放大电路放大处理,再通过电容C416耦合,送至开关变压器T502的①脚,随后两路驱动信号交替工作,T502初级绕组储能和次级绕组释能,去驱动MOS开关管Q503、Q504轮流处于导通和截止状态,再通过T501次级的二极管D401/D402整流、电容c409滤波后,形成背光驱动电压LED1+,而经D403/D404整流、电容C410滤波,则形成背光驱动电压LED2+。
经过电路分析,首先检测PFC电压385V正常,再检查UCC25710的①脚(Vcc) 供电12V、 ⑨脚(PWMDIM )亮度调节控制信号电压3.8V、10脚(BL-ON)背灯开关信号电压4V,均正常。再用示波器检测两路驱动信号输出波形也正常,检查推挽放大电路也未发现问题。再次检查过程中,发现开关变压器T502初级绕组电路中的耦合电容C416(50V/1uF)表皮有轻微变色,拆下检查发现已无容量,更换同规格无极性电容后开机,背灯点亮,故障排除。故障部位电路如1所示。
提示:熟知电路工作原理是分析和维修的必备条件,在实际维修过程中,实时观察电路元件外观变化情况是很重要的。
