后盖:
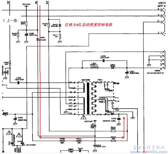
打开机壳接通电视机电源,显像管尾管有光,屏幕手背靠近有汗毛孔麻刺的感觉。根据初步分析故障在ABL电路的范围,经网上查找该电路图纸,检测ABL相关元件R410/220K、R413/10K电路实际为39KC、10uf/50v实际电路应用47uf/50v,D405/1N4148钳位二极管都没问题。
又把ABL控制输出断开,电视光栅也没有。
困惑中拨通用户电话,详细询问用户电视发生的实际状况。据用户说电视前一天晚上观看没什么问题,第二天把电视送到他老爷子家,就是有声音没图像光亮了。我问是用车拉去的?是不路上有颠簸的过程,用户说有!电视放在车后座上没多大问题吧?顶多那个元件颠松了焊一下就完了。
我打完电话对显像管尾座进行检测,检测G2供电压为0v。心中猛然喜悦,检查G2输出供给电路元件没发现问题!用数字表200电阻档测G2与灯丝H端,也就是灯丝H的供地端发现其阻值136Ω,,测电视机电子枪G2与H共地端阻值136Ω,喜悦变成了当头一棒,G2与H地端漏电碰极了!解决方法灯丝悬浮供电或点击解决!


灯丝悬浮供电解决方法显像管老化的快,以前用过最长的使用两年多,最短的使用一个多月,是处理电子枪极度老化没有电子发射能力的电视,寿命不长!
电击解决方案,可以把漏电碰极解决!可用电容充电击开碰极和极间金属微粒排列产生的漏电。突然想象到了我的另一装备,电子数字兆欧表进行2500v检测点击,经过五次的电击尝试,再检测G2与H地端电阻为无穷大漏电阻值为无穷大,至此,维修结束。

版权声明:本文为转载文章,版权归原作者所有,欢迎分享本文,转载请保留出处!