


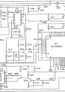
| 图1电路中的核心器件是集成块IC1(MC141625),其内部电路框图如图2所示。     IC1的④脚和⑧脚分别是Y/C分离后的亮度和色度信号输出端。 | 
| IC1  脚电平 | IC1  脚电平 | 制式 | 
| L | L | PAL B/G I | 
| L | H | NTSC | 
| H | L | PAL/N | 
| H | H | PAL/M | 
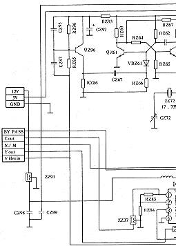
| 由图2框图可看出,数字式梳状滤波器主要由A/D、D/A转换器和逻辑运算器及两个延迟线(PAL制为两行延迟线,NTSC制为一行延迟线)、三个带通滤波器与存储模式等电路组成。先由A/D转换器把模拟的视频信号转换成数字信号,然后送入存储器,根据不同制式信号处理需要,存储的时间可以不同,以达到延迟时间不同之目的。处迟后的信号经带通滤波器送到梳状滤波器与带通滤波器转换电路进行滤波处理,继而送入逻辑运算电路中进行数值运算,完成Y/C信号的分离,再由各自的D/A转换电路产生模拟Y、C信号输出。D/A转换电路的转换精度是由时钟信号采样频率决定的,该机采用时钟采样频率4fsc(fsc为色副载波频率)。另外,在逻辑运算电路中还有一个如图3所示的垂直相关电路,用它来比较判别三行色信号的差别,确保Y/C分离电路输出的信号干扰最小。其工作机理是当三行色信号差别较大时,说明图像内容在垂直方向发生了变化,电路即进行运算,其运算过程是:先对前两行色信号进行运算,其运算过程是:先对前两行色信号进行运,取最小值,再对后两行色信号也进行运算并取最小值,然后把两个最小值进行比较取出大者。用同样方法取出此三行色信号中相邻两行色信号中的最大值,然后把两个最大值再作比较取出小者。最后,把上述最小值中的大者和最大值中小者平均后输出,此平均值就能代表相邻三行色信号中的变化趋势,再据此来控制三行色信号的平均输出成分的比例,使输出的色度信号(C)受串色干扰最小,亦即梳状滤波器具有更佳的分离特性。     综上所述,可知图1电路的Y/C原理是:由AV板输出的全制式视频信号经插排Video in端子送入图1电路后分两路输出:一路经RA85、CZ87耦合到QZ96基极进行同步分离。取出的同步信号经CZ67耦合到由QZ61、QZ62组成的集-基耦合单稳态触发电路,作为触发电路的触发信号,则三极管QZ61集电极输出方波信号作为色同步选通脉冲送到时钟发生器集成块IC2的⑦脚,同时由QZ11集电极输出的视频倒相信号经CZ09耦合也输入到IC2⑥脚,则时钟发生器电路开始工作,并从⑤脚输出取样频率为4fsc,且受色同步信号锁相的时钟信号。此信号经CZ74耦合、QZ74倒相放大后由CZ76耦合到IC1(MC141625) | 
 
								 脚是全制式视频信号输入端,输入信号的幅度约为3.3Vp-p。
脚是全制式视频信号输入端,输入信号的幅度约为3.3Vp-p。 脚是500mVp-p的4fsc时钟信号输入端,该时钟信号是由时钟发生器集成电路IC2(MC44144)及其周围电路产生的,并由IC2⑤脚输出的。IC1
脚是500mVp-p的4fsc时钟信号输入端,该时钟信号是由时钟发生器集成电路IC2(MC44144)及其周围电路产生的,并由IC2⑤脚输出的。IC1 脚是梳状滤波(COMB)与带通滤波转换控制电压输入端,低电平0V时为梳状滤波器,高电平5V输入时为带通滤波器,由于该机
脚是梳状滤波(COMB)与带通滤波转换控制电压输入端,低电平0V时为梳状滤波器,高电平5V输入时为带通滤波器,由于该机 脚为直通/梳状滤波器状态转换控制电压输入端,低电平0V时为工作于梳状滤波器状态,高电平5V时为工作于直通状态。该引脚切换电压是由AV板上50-60Hz场频识别电路NS03(AN5560)⑥脚输出的控制电压决定的,并经VS90倒相转换后由插排BYPASS引线送入图1电路中。IC1
脚为直通/梳状滤波器状态转换控制电压输入端,低电平0V时为工作于梳状滤波器状态,高电平5V时为工作于直通状态。该引脚切换电压是由AV板上50-60Hz场频识别电路NS03(AN5560)⑥脚输出的控制电压决定的,并经VS90倒相转换后由插排BYPASS引线送入图1电路中。IC1