长虹CHD-TM201F7P液晶电视,开机屏幕出现蓝背景,无图无声

2007-06-03 19:20:46  阅读 344 次 评论 0 条
摘要:

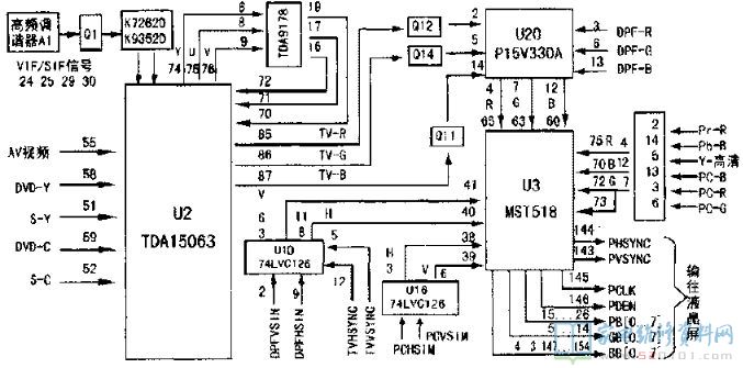
从超级芯片U2 55脚输入AV视频信号,机器出现图像。开机,将机器置于全自动搜索状态,搜索过程中无图像出现,表明故障在TV图像处理部分。从图中可以看出,FV图像处理部分由高频调谐器A1、预中频放大管Q1、声表面

从超级芯片U2 55脚输入AV视频信号,机器出现图像。开机,将机器置于全自动搜索状态,搜索过程中无图像出现,表明故障在TV图像处理部分。从图中可以看出,FV图像处理部分由高频调谐器A1、预中频放大管Q1、声表面波滤波器T1、U2 24. 25脚内部电路构成。

长虹CHD-TM201F7P液晶电视,开机屏幕出现蓝背景,无图无声 第1张

断开本机高频调谐器A1的IF端子,将另一台正常彩电高频调谐器输出的中频信号接到本机高频调谐器A1的IF输出端外接C204左端,同时打开两台电视机,另一台彩电及本机均出现了图像,由此说明本机故障原因为高频调谐器A1未输出中频信号。

长虹CHD-TM201F7P液晶电视,开机屏幕出现蓝背景,无图无声 第2张

下图为本机高频处理电路。从图中可以看出,本机高频调谐器A1内部的所有工作状态受其4、5脚I2C总线控制。测A1⑥、⑦脚5V供电,正常;⑨脚为32V,正常;④、⑤脚I2C总线电压分别为正常值3.3V、3.1V;最后测①脚AGC电压控制端,发现电压为O.2V。按推理,当A1的IF端子无信号输出时,其①脚AGC端子电压应为静态值4.2V左右,查①脚外接电路,发现滤波电容C239击穿短路。更换C239,恢复断开电路,试机故障排除。

版权声明:本文为转载文章,版权归原作者所有,欢迎分享本文,转载请保留出处!