(一)采用的数字技术
1.数字化伴音技术
过去的彩电其伴音信号处理采用模拟技术,信噪比较低,质量不好。NC—6机芯系列彩电其伴音信号处理采用数字技术,可显著减少在处理过程中引入的噪声,使伴音信号保真还原,提高了伴音质量。另外:NC—6机芯系列彩电还具有多制式数字丽音接收功能,可以接收中国制式(PAL-D/K)、香港制式(PAL-I)、新加坡制式(PAL-B/G)等多制式丽音广播。
2.数字化图象技术
过去的彩电其亮/色分离采用频率分离法,亮/色分离不彻底,引起亮/色信号相互干扰,图象清晰度下降。NC—6机芯系列彩电其亮/色分离采用数字式动态梳状滤波器,亮/色分离彻底,消除了亮/色串扰,极大地提高了图象清晰度。
3.数字化子画面处理技术
数字化子画面处理技术将某一个频道或某几个频道的电视信号经过采样、存贮、压缩成小画面,再显示在屏幕上。NC—6机芯系列彩电其子画面采用集成在超大规模集成电路中的双频率合成调谐器来处理,具有画中画静止、主/子画面交换、用耳机监听子画面的伴音信号等功能。
4.数字IC总线控制技术
NC—6机芯系列彩电采用一根数据线(SDA)和一根时钟线(SCl),通过系统控制微处理器(CPU)向IC总线发送/接收数据,进 行双内串行控制,不仅具有控制所有的功能模 块,自动诊断各功能模块故障的功能,在整机 生产中还采用IC总线调试,提高了生产效率。
5.先进的数字遥控系统
NC—6机芯系列彩电采用的遥控系统,除 具有一般的遥控控制功能外,还具有通过IC 总线诊断各个功能模块有无故障、存贮机芯的 各种调整数据的功能。屏幕显示中/英文两种 语言,可供选择,可存储100套节目。
6.数码卡拉OK
过去的彩电其卡拉OK电路采用模拟方式,混响效果差、声音失真大。NC—6机芯系列彩电采用最新的数字式卡拉OK电路,并配备超重低音处理电路,改善了卡拉OK的效果。
(二)特点
1.遥控方式白平衡全自动调整
在电视机生产线上,过去都是由工人进行白平衡调整,工人用起子一面调整电视机上与白平衡相关的5个电位器,一面观察白平衡测量仪器的指示,判断白平衡是否调整好。 该机采用遥控方式白平衡全自动调整系统。该系统以计算机为控制中心,通过采集白平衡测量仪器数据,经特殊的算法处理,得到电视机白平衡修正量,并以遥控调试命令的方式发送到电视机中的CPU。其CPU再按照命令的要求修改白平衡相应参数,进行白平衡调整。
2.双向红外数据通讯
过去的电视机其遥控系统是单方向传输的。NC—6机芯系列彩电开发了红外数据转换器和微机软件,实现了电视机和微机间的双向数据通讯。 利用这种双向通讯可以实现生产线上非接触式调试、产品档案管理、线式初始数据编写,为售后服务提供帮助。
3.三维空间声场扩展系统
该机采用三组完全独立的扬声器,分别设置于电视机前部、中部两侧和后部。高音在前部。中部两側的扬声器指向两旁,扬声器下面配有反射器,将声音向电视机的正面和側面传递。后部使用了超重低音声筒,容积为3.5升,从电视机后部側面播出低音。
(三)整视组成
G2966数字化彩电的整机组成
 
 
,主要由电源/偏转(POWER/DEF)板、主/子画面信号处理(SIGNAL)板、AV后端子(BACK/AV)板、子画面信号处理(PIP)板、中频/丽音(IF/MPX)组件、梳状滤波/SECAM(COMB/SECAM)解码板,末级视放(CRT—D/VM)板组成
 
 
二、电源电路 
该电源系统主要由电源进线抗干扰电路,消磁电路,开机防冲击电流保护电路,整流滤波电路,含过流、过压、过热保护的PWM脉宽调制电路Q801(STR-S6709),含待机/开机控制的稳压取样电路Z801(HIC1015),隔离放大管Q826和次级整流滤波电路等组 
 
 
1.电源进线坑干扰电路
C801、R801、T801和C802、C813、C814、T802构成的两级低通滤波电路组成电源进线抗干扰电路。D869为压敏电阻,当菜种原因造成输入电压瞬时变高,超过470V时,D899的电阻值会显著减小,以抑制过高的干扰脉冲,保护电源;C801、C813、C814、D899若短路,则会引起过流,烧断F801。T801、T802,整流桥堆D801,防冲击限流电阻R812、R813若开路,则会引起电源交流输入回路开路;整机无电压输出,出现三无故障。 [Page]
2.消磁电路 
R808、R811、L901组成消磁电路。R808是正温度系数热敏电阻。L90I是消磁线圈。消磁电路若出故障则可能引起色纯不良、烧断交流熔断器等故障。 
3.开机防冲击电流保护电路
R812、R813、SR81组成开机防冲击电流保护电路。继电器SR81的线圈一端接地,另—端接12v—2电源,其额定工作电压为12V。在接通主电源齐关S801瞬间,12V-2电压还未建立,SR81不工作,其触点断开,交流电源经R813、R812进入整流电路,R813、R812一次开机和二次开机的冲击电流起到一定的限制作用。在二次开机后,12V-2电压上升到正常值,SR81吸合,其触点接通;将R812、R813短路,交流输入电流直接进入整流电路。 
4.整流滤波电路
整流滤波电路由两部分组成:
——由D801、C810组成桥式整流滤波电路,将AC220V市电整流滤波成+300V左右的直流电压,经开关变压器T862的初级绕组(7)-(2)为脉宽调制电路Q801(1)内的开关管集电极供电。 
——由R803降压、D802整流、C808滤波产生+8V左右的直流电压,为Q801(9)提供工作 整流滤波电路中D801、C805、C810等若短路,则会引起过流,烧断F801。滤波电容C810若开路,则会引起+300V电压滤波不良,出现屏幕干扰故障。 
5.脉宽调制电路STR-S6709
STR-S6709(Q801)是开关电源的核心电路,其内部包含OSC振荡电路、比例驱动电路、开关三极管(Tr1)、过流保护电路(OCP)、过压保护电路(OVP)、过热保护电路(OHP)等, 
 
 
,各引脚功能
 
 
。 
(1) Q801① 工作时,整流电路输出的+300V直流电压经溶断器F802、开关变压器初级绕组(7)-(5)-(4)-(2),加到Q801(1)内部的开关三极管(c)。当R803、D802、C808组成的半波整流电路使Q801(9)电压上升至+6V时,Q801内部振荡电路开始震荡。振荡脉冲(其宽度由Q801内部的R1、C1及R2、C2的充放电时间决定)经比例驱动电路放大后从Q801(5)分两路输出:一路作为负反馈信号经R802从Q801(4)反馈回比例驱动电路,控制比例驱动电路的工作状态,使比例放大电路输出的开关脉冲幅度稳定;另一路经C816输入Q801③内部的开关三极管(b),使其在开关脉冲驱动下处于开关工作状态,在(c)-(e)之间产生一周期性的变化电流,该电流通过开关变压器⑦-②绕组,产生一周期性的变化磁场,此变化磁场在其他各次级绕组中产生相应的感应电压,经整流滤波后输出整机所须的各路工作电压。 
(2)Q80l⑨: Q801⑨的工作电压在电源系统启动之前由R803、D802提供,正常工作时由二路供电,工作电压约:8V。待机状态时经及R815、Q826输入Q801⑦的电流比正常工作时大得多,而此时开关变压器⑨-⑥绕组中的感应电压比正常工作时低一半左右,若输入交流电压变低,则由R803、D802提供的电流也相应减小,为了使电源系统在输入AC90—270V范围内。 正常工作,在待机时设置一稳压电源,为Q801提供工作电压。待机时的6V工作电压由以下三路供电:
——AC 220V经R803降压、D802整流、C808滤波,为Q8Ql提供工作电压; 
——开关变压器⑨—⑩绕组中的感应电压经D803、D807整流,C808滤波,为Q801提供工作电压;
——开关变压器⑧—⑩—⑧绕组中的感应电压经D806整流,C819滤波,产生12V左右的直流电压。R822、D804为Q802(b)提供恒定的6.8V偏置电压,D804是6.8V稳压二极管。当Q802(e)电压低于6.1V时,Q802导通,为Q801提供工作电压。当Q801的工作电压超过6.8V时,此电路不工作。机器在正常工作时,Q801的工作电压只由R803、D802及D803、D807、C808组成的两路供电电路提供,此时Q801⑨的工作电压约8V,Q802截止,由Q802组成的稳压电路不工作。
当D802、R803开路或C808、D815、C822短路时,Q801⑨无工作电压,振荡电路和比例驱动电路不工作,Q801①、②内的开关管截止,无输出电压,引起三无故障。 
当R819、D803、D807开路时,Q801⑨工作电压不足,引起输出电压不稳定的故障。[Page]
Q802只在待机状态及输入交流电压较低时为Q80l⑨提供工作电压。 当Q802、R822、D806、GB12开路或D804、C809短路时,Q801因工作电压不足造成工作异常,引起在待机电压偏低及输入电压较低时带负载能力差等故障。当Q802短路,D804开路时,Q801⑨电压过高,内部过压保护电路动作,Q801振荡电路停振,开关管不工作9—引起无输出电压故障。 
(3)Q801⑧ Q801⑧是截止同步及门闩电路控制信号输入端,其内部接有三个比较放大器,其中比较放大器1、比较放大器2的输出控制振荡电路,比较放大器3的输出控制门闩电路。 Q801⑧的功能如下:
——减小电源开关管的导通损耗。当开关管裁止时,接在开关管(c)的开关变压器②—⑦绕组的电流发生剧变,产生电压很高的振荡脉冲,若开关管在振荡脉冲电压尚未衰减时导通,则因电压高、电流大而产生较大的导通损耗,要减小这种导通损耗,只能控制开关管在脉冲振荡电压的最低点时导通。开关管在裁止时产生很高的尖峰脉冲,通过开关变压器在⑨—⑩绕组中产生相应的感应脉冲,经R823、R814、C829、D805限流、整流、滤波后进入Q801⑧。在此脉冲电压未降低到最小值时,比较放大器3控制门闩电路禁止开关管导通.只有当Q801⑧电压下降到低于0.75V时,开关管才能重新导通。 
——过压保护。当某种原因引起电源输出电压升高,Q801⑧电压高于1.5V时,与其连接的比较放大器1、比较放大器2控制振荡电路停振,使开关管裁止,起到保护作用。 (4)Q801⑦ Q801⑦是稳压控制电流输入端。⑦内接振荡控制元件R1、R2、C1、C2。C1通过R1放电,当C1由0V充到0.75V时,开关管截止,C2通过R2放电,当C2电压2.3V降为1V时,开关管由截止转为导通。当⑦输入电流较大时,C1充电时间较短,开关管导通时间也较短,输出电压相应较低;当⑦输入电流较小时,C1充电时间较长,开关管导通时间也较长,输出电压相应较高。 
(5)Q801的3种保护电路 
——过热保护电路。当电源工作异常或负载电路发生故障,引起Q80l温度升高到150℃时,过热保护电路触发门闩电路启动工作,控制比例驱动电路停止工作,开关三极管无驱动脉冲而停止工作,使电源无输出电压。 
——过流保护电路。D809、R818、R819组成过流保护电路。通过开关三极管的电流由Q801②输出,经D809、R818、R819组成的并联网络,送到整流电路的地,形成回路,当负载短路或电源故障引起开关管(c)电流增大时,D809、R818、R819上的电压降也增大,当Q801⑥电压相对Q801②电压达到-1V时, Q801内部过流保护电路动作,控制振荡电路停振,使开关电源无输出电压。 
——过压保护电压或供电电路故障使Q801⑨电压升高至11V时,过压保护电路动作,触发汀日电路启动工作;控制比例驱动电路停止工作、开关三极管无驱动脉冲而停止工作,使电源无输出电压。 
6.稳压控制电路HIC1015 
开关电源的稳压控制电路HIC1015(Z801)用于对开关电源的稳压、待机/开机控制和负载过流、过压的保护。其内部包含取样放大电路、待机/开机控制电路、行过流保护电路、十B电压过压保护电路等, 
 
 
,各引脚功
 
 
(1)稳压控制电路 
该电路由Z801、Q880、Q826、Q801、 R479、R827、R880、R821、R890、D811、D828 等元器件组成, 
 
 
。R890为供电电阻,ZD1 为Z801内部的十只6.2V稳压二极管。R890 和ZD1将取样误差放大管Trl(e)电压稳定在 6.2V,不随输出电压的波动而变化.当某种 原因引起输出电压升高时,经R479到Z801① 的电压升高,Z891内部R2与R3分压的中点 电压也相应升高。由于此点连接Trl(b),故 Trl(b)电压升高,导通量增大,Trl(c)电压下 降,从Z801③输出,经R827使Q880(b)电压下降,Q880(e)-(b)电压差增大,导通量增加, Q880(e)—(c)电流增大。此电流经R880进入 Q826①,使流过Q826①、②的电流增大,Q826 ③、④之间的导通程度相应增加。Q801的8V工作电压经R815、Q826④、③进入Q801⑦的 电流增大,Q801内部决定振荡脉冲宽窄的时间常数电路R1、C1的充放电时间变短,振荡 脉冲变窄,控制开关管导通时间减少,输出电 压降低。[Page]
反之,当某种原因引起输出电压降低时,经R479到Z801①的电压降低,Z801内部R2 与R3分压的中点电压也相应降低;Trl(b)电 压降低,导通量威少,Trl(e);电压上升,从z801③输出,经R827使Q880(b)电压上升;Q880(e)-(b)电压差减少,导通量减小,Q880(e)—(c)电流减小。此电流经R880进入Q826 ①,使流过Q826①、②的电流减小,Q826③、 ④之间的导通程度祖应减少,进入Q801⑦的 电流减小,Q801内部决定振荡脉冲宽窄的时 间常数电路及1、CI的充放电时间增大,振荡脉冲变宽。控制开关管导通时间增大,输出电压上升。 
(2)开机/待机控制电路 
开机/待机控制电路由系统控制微处理器QA01、Q830、Z801、Q880、Q826、Q801等电路构成, 
 
 
。 当接通主电源开关S801时,Z801①电压很低,Tr1(b)的偏置电压还不能使其进入工作状态,Tr1不工作。当开关电源输出电压升高到正常工作电压的一半左右时,待机控制电路对输出电压进行控制.Z801内部的待机电压取样放大电路由ZD2、Tr2组成。Tr2(c)与Trl的是连在一起的,其控制电平也从Z801③输出,Z801③之后的电路参见图4。
接通主电源开关,CPU自动进入待机状态,CPU⑦输出低电平,Q830截止,Q830(e)输出低电平,Z801⑨无电压,Tr3截止。ZD2为6.2V稳压二极管。开关电源输出的25V直流电压经R842输入Z801⑧,此电压在低于6.2V时,ZD2截止,Tr2截止,Z801③为高电平,Q880截止,Q826也无偏置电流而截止,此时基本上无电流进入Q801⑦,Q801振荡电路输出宽振荡脉冲,控制开关管工作,使输出电压迅速上升.当输出电压上升到正常工作电压的1/4左右时(即输出电压升至6.2V时),ZD2击穿,Tr2导通,其Ic经R827、Tr2到地,Q880开始导通,Q826开始工作,电流经R815、Q826③、④进入Q801⑦,Q801振荡电路的振荡脉冲宽度开始受控变窄,开关管的导通时间开始减小,输出电压的上升速度减缓。 当输出电压上升到正常工作电压的一半左右时,ZD2的击穿电流增大,Tr2的导通量增大,Q880电流增大,Q826①、②电流增大,经R815、Q826③、④进入Q801⑦的电流增大,Q801振荡电路的振荡脉冲宽度受控变窄,开关管的导通时间减小,输出电压不再升高,电源电路进入待机工作状态。 
在待机状态,开关电源的各路输出电压约为正常工作电压的一半,Z801①的+B电压约为63V,Tr1(b)的偏置电压不能使其进入工作状态,Trl不工作。当某种原因使电源输出电压下降时,Z801⑧电压也随之下降,ZD2击穿电流减小,Tr2导通量减小,Z801③输出电压升高,Q880导通量减小,Q826电流减小,进入Q801⑦的电流减小,Q801振荡电路输出振荡脉冲变宽,控制开关管导通时间增长,输出电压上升。反之,当某种原因使电源输出电压升高时,Z801⑧电压也随之升高,ZD2击穿电流增大,Tr2导通量增大,Tr2(c)电压降低,Z801③输出电压降低,经R827使Q889(b)电压降低,Q880导通量增大;Q826电流增大,通过R815、Q826③、④进入Q801⑦的电流增大,Q801振荡电路输出振荡脉冲变窄,控制开关管导通时间缩短,使输出电压下降。 
当控制开机或机器正常工作时,CPU⑦输出5V高电平,Q830导通,Q830(e)输出约4.3V电压,经R847加到Z801⑨,控制Z801内部Tr3导通,ZD2正端对地短路无电压,Tr2无偏置电流而截止,待机电压控制电路不工作.电压控制由Tr1进行。 
(3)行振荡电路工作电压及其控制电路
行振荡电路工作电压及其控制电路由Q430、D430、D431、D433及Z801内部的Tr4、Tr3等元器件组成,见图5。 
待机时,CPU⑦输出低电平,Q830截止,Tr3截止,Z801⑧输出12.5V,经R7送到Tr4,提供偏置电压,Tr4导通,Z801(12)输出低电平,Q130无偏置电压而裁止,行振荡电路无工作电压。 
在开机状态,CPU⑦输出5V高电平,Q830导通,Q830(e)输出约4.3V电压,经R847、R6分压加到Tr3(b),Tr3导通,将Tr4的偏置电压短路,Tr4无偏置电压而截止,25V电压经R433由稳压二极管D430、D433钳位在10V左右,为Q430提供偏置电压,Q430导通,Q430(e)输出9.3V电压,经D431为Q501(22)供电。 [Page]
(4)HIC1015的保护电路 
HIC1015内部设置有行电流过流保护电路、+B电压过压保护电路、桢输出电流过流保护电路、行输出电压过压保护电路,见图6其中由Tr5、Tr6、Tr7组成的触发控制电路为各种保护电路的公用电路。当保护电路不工作时,Tr6(b)无触发电压,Tr5、Tr6、Tr7均处于截止状态.当电路发生故障引起某保护电路动作时,保护电路输出的控制电流进入Tr6(b),触发Tr6导通,引起Tr7、Tr5导通。Tr7导通后,Tr7输出的Ic为Tr6(b)提供偏置电流,Tr6输出的Ic又为Tr7(b)提供偏置电流,形成稳定的导通工作状态。此时即使保护电路输出的控制电流消失;T26、Tr7也继续导通,只有Z801(15)输入的5V工作电压消失后,Tr6、Tr7才能复位。所以,一旦保护电路动作;只有关机后重新开机,电路才能正常工作,在保护状态因Tr5导通,故Tr5(c)为低电乎,经Z801(16)输出,控制Q830截止,使机器进入待机状态(参见图5),输出电压降低,达到保护的目的。 
见图5。
——过流保护电路 
过流保护电路由R470、R471、R479及Z801内部的Tr8、D1、D2、ZD4、Tr5、Tr6、Tr7组成。机器正常工作时,行电流一般在400mA左右。R476的电阻值为0.47欧,电压降小于0.3V。Tr8(c)—(b)电压降等于R470的电压降,Tr8截止。若负载电路发生故障,则引起行电流增大,当超过550mA时,R470上的电压降超过0.3V,Tr8导通,其Ic经D1、R16为C470充电,当此电压上升到13V左右时ZD4击穿,通过R14进入Tr6(b),Tr6导通,电源进入待机工作状态;输出电压下降到正常工作电压的一半左右。在电源进入待机状态的同时,行振荡电路的工作电压也被截断,负载电路处于非工作状态,达到过流保护的目的。C470用于防止二次开机时,行电源在建立各路工作电压的过程中,产生比正常值大得多的行冲击电流,使过流保护电路误动作。 
——过压保护电路
过压保护电路由ZD5和Tr5、Tr6、Tr7组成。ZD5为33V稳压二极管,电路正常工作时,Z801①电压经R17、R18分压后的中点电压略低于ZD5的稳压值。当十B电压因某种原因升高,超过118V时,R17、R18分压的中点电压超过33V,将ZD5击穿,Tr6导通,使保护电路进入保护状态;电源电路进入待机状态,输出电压下降,达到过压保护的目的。 
——帧输出电路过流保护电路
帧输出电路过流保护电路由Q370、D370及Z801内部的Tr5、Tr6、Tr7组成。帧输出电路正常工作时,R370的平均电压降很小,一般小于0.3V,通过R371、R372分压加在Q370(e)—(b)上的电压小于0.2V,Q370处于截止状态。若帧输出电路发生短路性故障引起帧输出电流增大,则R370上的电压降也相应增大,当R370上的电压降大于O.5V时,R371上的分压达到0.3V,Q370开始导通,Q370(c)电压上升。该电压经R373、R374分压后加于D370正端,将D370击穿。此穿透电流进入Z801(14),通过R19送到Tr6(b),Tr6导通,Tr5、Tr7导通,Z801(16)输出低电平,Q839截止,控制机器进入待机状奔,关断行振荡电路的工作电压,使行输出电路停止工作,行输出变压器⑥无逆程脉冲输出,帧输出电路的工作电压消失,达到帧输出电路过流保护的目的。
由于帧输出电路输出的是锯齿波,其输出电流也有相应的波形,为了防止保护电路误动作,在R371上并接有电容C370,将R371输出的锯齿波电压进行平滑滤波。同样,在R374上并接有电容C371,将D370正端的保护控制电压进行相应的滤波。 
 
——行输出电路过压保护电路 
行输出电路过压保护电路由D425、D426、D427、Q410、Q411及Z801内部的Tr5、Tr6、Tr7组成。行电源的各路输出电压呈一定比例,检测行输出变压器⑨输出的灯丝脉冲电压;达到对行电源各输出电压进行过压保护的目的。正常工作时,灯丝脉冲电压峰值约22V,D425、C425将灯丝脉冲整流滤波成22V直流电压,经R491、R494分压后的电压约6.0V,加在Q410(e)。由D426为Q410(b)提供稳定的6.2V偏置电压。当Q410(e)—(b)偏置电压约为—0.2V时,Q410截止,Q411无偏置电流而截止,保护电路不工作。 若某种原因引起行输出电压升高,当灯丝脉冲电压峰值升至24V左右时,D425、C425整流滤波后的直流电压也升高到24V,Q410(e)的电压将上升到6.5V,Q410(e)-(b)偏置电压达到0.3V,开始导通.Q410的导通为Q411提供了偏置电流,Q411导通,其Ic经D427、R493进入Z801(14),通过R19为Tr6(b)提供偏置电流,Tr6导通,Tr5、Tr7也导通,机器进入待机状态,输出电压下降,行振荡电路无工作电压而停振,行输出电路停止工作.行电源各路输出电压消失,达到过压保护的目的。 [Page]
稳压控制电路Z801及其外围电路若出故障,则可能引起输出电压偏低、输出电压不稳定或无输出电压等故障现象。其中:无输出电压一般是因为输出电压升高使Q801内部的过压保护电路动作,开机/待机控制电路若出故障,则可能引起无待机状态、不能二次开机等故障现象;保护电路若出故障,则可能引起不能二次开机的故障现象;当Z801内部保护电路动作时,Z801(16)输出低电平,控制机器进入待机状态。 
隔离放大电路Q826、Q880及其偏置元件若出故障,则可能引起无输出电压、输出电压偏低、输出电压不稳或输出电压略偏高等故障现象。Q826、Q880、R815、R880、R827若开路,则造成Q801⑦输入的反馈电流减小,输出电压升高;引起Q801内部过压保护电路动作、振荡电路停振,开关管不工作,出现无输出电压的故障现象。Q826、Q880若出现短路性故障,则Q801⑦输入的反馈电流增大,出现输出电压偏低的故障现象。该部分电路若元件性能不良,则可能引起输出电压不稳或输出电压略偏高等故障现象。 
7.次级整流滤波电路
开关变压器(17)、(18)、(20)接主机芯地。开关变压器(17)-(21)绕组产生的感应电压经D892、C892整流滤波,输出十12V电压,为主板、VM板、电路供电。 
(18)-(19)绕组产生的感应电压,经两路整流滤波电路分别进行整流滤波,输出两路十25V直流电压。其中:由D885、C889整流滤波输出的十25V直流电压送到伴音电路,作为工作电压;由D896、C895整流滤波输出的十25V直流电压分三路输出:一路送到取样误差放大电路,作为待机取样电压;另一路送到稳压电路Q840,经稳压后输出十5V电压,送到主板CPU及其他部分电路作为工作电压;还有一路送到Q430,经稳压控制后输出+9.3V电压,送到行振荡电路作为工作电压。 
(15)-(17)绕组产生的感应电压,经D891、C697组成的整流滤波电路整流滤波,输出+8V直流电压,再分别经VQ830、VQ831稳压,输出两路+5V电压。其中:VQ830稳压输出的+5V电压送到主板及COMB板,作为工作电压;VQ831稳压输出的+5V电压送到RGB板、SW板及中放电路,作为工作电压。 
(13)-(20)绕组产生的感应电压,经D883、C884组成的整流滤波电路整流滤波,输出+115V电压,送到行输出电路及VM板,作为工作电压。 
次级整流滤波电路中的直焊式保险、滤波电感,整流二极管若出现开路性故障,则会引起相应支路无输出电压。若整流二极管、滤波电容出现短路性故障,则会引起Q801过流保护电路动作,使各路输出无电压。 
 
三、主画面信号处理电路
该电路主要由主画面高频调谐器H001,图象中频信号处理组件IF/MPX,TV/AV开关QV01,数字梳状滤波器,色度信号解调电路,亮度信号处理电路,RGB基色信号变换电路等组成。 
1.高频调谐器
长虹NC—6机芯系列彩电使用的高频调谐器为频率合成方式电子调谐器。其内藏锁相环(PLL)频率稳定电路和译码电路,输出直流电压、高放AGC(RF AGC)电压和数据总线控制信号,无需波段电压和调谐电压便可工作。译码电路将微处理器输入的数据总线信号进行译码,控制相应电路动作,进行节目预置、搜索、频道选择。高频调谐器的供电电压有+9V、+5V、+32V,其中:+9V工作电压(+9V—2)由开关电源输出的+12V电压(+12V—2)经稳压电路Q832(SI—3090C)稳压后产生;+5V电压(+5V—3)由开关电源输出的+8V电压经.Q831、D831、C832稳压滤波后产生;+32V调谐电压由开关电源输出的+115V电压经及101降压、D101稳压、C106滤波后产生。高频调谐器的高放AGC(RF AGC)电压来自中放处理电路ICl01(12)。在高频调谐器输入信号强度超过一定范围,中放AGC(IF AGC)对图象中频放大器的控制失去作用后,通过高放AGC电压控制高频调谐器内部高放级的增益,使高频调谐器输出的图象中频信号和伴音中频信号幅度相对稳定。 
高频调谐器若出故障,微处理器输出的数据总线信号便不正常,造成整机光栅不正常或无图无声等故障现象。 [Page]
2.图象中频信号处理组件
该组件主要由中频处理电路IC101(TDA9808T)、三通道信号选择电路IC102(NJM2234L)、端口扩展电路 ICl03(JLCl562BF)以及多制式丽音解码电路ICl04(MSP3410B—F7)等组成, 
 
 
(1)图象中频特性形成电路
该电路主要由中频特性选择电路Q101、预中放Q102和声表面波滤波器SFl01等构成,其作用是使图象中频信号和伴音中频信号满足中频幅频特性。 
高频调谐器输出的图象中频信号和伴音中频信号(IF),输入T101、T104组成的频率特性选择电路。频率选择网络是专为伴音多制式接收设计的,其工作状态受数/模开关电路ICl03控制,用于吸收伴音中频信号,消除伴音中频信号对图象信号的干扰,其工作范围为31.5—33.5MHz。IC103⑨输出控制电压直接加至开关管Q101(b)。在FAL—D/K、PAL—B/G、PAL—I、SECAM制式,IC103⑨输出低电平0V,Q101截止,D101导通,T101、C104、C105组成的电路从频率选择网络中断开,不起作用。T104、C156、C157组成的电路接入频率选择网络,吸收31.5—32MHz的伴音中频信号,满足接收PAL—D/K、PAL—以G、PAL—I、SECAM制信号的要求。在NTSC-M制,IC103⑨输出约3.8V高电平,Q101饱和导通,D101截止,T10l、C104、C105组成的吸收电路接入频率选择网络,吸收33.5MHz的伴音中频信号。 
高频调谐器输出的图象中频信号和伴音中频信号经频率选择网络选择后,由C106耦合送到前置中放Q102(b)进行放大。Q102为RC宽带放大器,用于补偿声表面波滤波器的插入损耗。经Q102放大后的图象中频信号和伴音中频信号由C109、C110耦合送到声表面波滤波器SF101。声表面波滤波器是一个带通滤波器,通过其集中选择性滤波,使前置中频放大器放大的图象中频信号和伴音中频信号的带宽和幅频特性符合中频特性要求。声表面波滤波器对伴音中频信号和图象中频信号采用准分离方式,既消除了伴音对图象信号的干扰,又提高了伴音信号的灵敏度。 
(2)图象中频信号处理电路 
图象中频信号处理电路IC101(TDA9808T)各引脚功能 
 
 
。经声表面波滤波器分离出的图象中频信号加至ICl01①、②,伴音中频信号加至IC101(19)、(20),ICl01①、②内接图象中频放大电路,其增益受中放AGC电路控制,经放大后的图象中频信号直接输入视频检波电路进行检波。 
视频检波电路采用锁相环(PLL)同步检波方式。该方式具有性能稳定、失真小等优点。ICl01(14)、(15)外接的由C123、了103组成的LC网络与IC101内部电路构成振荡电路,产生同步检波电路所需的38MHz正弦被信号。由于压控振荡器产生的振荡信号的频率为76MHz,是图象中频的2倍,故视频检波电路所需的38MHz开关脉冲信号由二分频器分频产生。该38MHz开关脉冲信号与图象中频信号在锁相环路中进行频率相相位比较,检出误差频率,然后将频率变化转换成电压变化,该变化电压经IC101④外接的由R123、C125组成的双时间常数滤波电路滤波平滑后,送到压控振荡器,控制其频率和相位,使振荡频率始终保持在2倍图象中频频率。 
图象检波电路检出的视频信号,经噪声干扰电路去除干扰脉冲,并由视频放大电路放大后从IC101⑨输出,加到Q105(b),从Q105(e)输出,送到由L110、CFl02,L111、CFl03,L112、CF104,Q105、Q106、Q107、ICl02组成的残余边带图象信号和第二伴音中频信号滤除电路。L110、CF102滤除5.5MHz第二伴音中频信号,加到Q106(b),经放大后,由C146耦合送到IC102⑤。L111、CFl03滤除6MHz第二伴音中频信号,送到IC102①。L112、CFl04滤除4.5MHz第二伴音中频信号,经C148耦合送到IC102③。IC102为多通道开关电路,由IC103控制,IC102控制端电平与输入通道的关系见表5。IC102①、③、⑤输入的视频信号在IC103控制下,从IC102⑦输出,加到Q108(b),经Q108缓冲后,送到AV板,经AV板上QV03、QV04、QV06组成的宽带放大器放大,从QV06(e)输出,经CV02耦合送到QV01⑦,进入TV/AV切换开关QV01。 [Page]
 ICl01⑨输出的视频信号还送到AGC检波电路。ICl01(17)外接R119、C122为AGC时间常数滤波电路。经AGC检波及放大电路产生的AGC电压控制中频放大器的增益,并通过适当的延迟去控制高频调谐器的增益,使图象中频信号处理电路输出的视频信号幅度稳 定。
 ICl01⑨输出的视频信号还送到AGC检波电路。ICl01(17)外接R119、C122为AGC时间常数滤波电路。经AGC检波及放大电路产生的AGC电压控制中频放大器的增益,并通过适当的延迟去控制高频调谐器的增益,使图象中频信号处理电路输出的视频信号幅度稳 定。 
ICl01③接有由R174、VRl01组成的高 放AGC延迟调节电路。电位器VR101用于调节高放AGC电压的起控点。IC101(12)输出高放AGC电压,经R127、R169分压后,送到高频调谐器、AGC电压输入端,控制高频调谐器的增益。
IC101(13)输出AFT控制电压,直接加到高额调谐器H001①。IC101(13)静态AFT电压 由R120、R121分压决定,约2.5V。
(3)伴音中频放大、鉴频、丽音解码电路
该电路由IC101、IC103、IC104组成,其作用是解调出电视伴音信号和电视丽音音频信号。
IC101(19)、(20)输入的伴音中频信号经放大后送到伴音检波器。压控振荡器(VCO)经二分频后产生的38MHz载波信号也送到伴音检波器。在伴音检波器中,伴音中频信号和38MHz图象载频信号进行差拍,产生第二伴音中频信号和丽音中频信号,经放大后从IC101⑩输出,其频率为5.5—6.5MHz。该信号经C202耦合,C203、L201、C204组成的∏型滤波器滤除第二伴音中按信号以外的高频干扰脉冲信号后,加到Q201(b),由Q201、Q202进行放大,再由C208耦合送到IC104(25)内部的伴音鉴频和丽音解码电路,解调出伴音音频信号,从ICl04(47)、(48)输出。伴音检波器检出的第二伴音中频信号还送到伴音中频AGC.电路,对第二伴音中频信号进行放大和检波,取出与伴音中频信号幅度成正比例的控制信号,经IC101⑤外接C126滤波后,加到伴音中频放大电路,控制其增益,使之处于最佳状态。
IC104内部的伴音鉴频电路只对5.5MHz、6.0MHz、6.5MHz的第二伴音中频信号进行鉴频,解调出音频信号。IC101用于取出和鉴频NTSC—M制状态下的4.5MHz第二伴音中频信号;当电视机工作在M制4.5MHz时,IC103⑦输出低电平0V,Q110截止,IC101内的第二伴音中频信号放大器和鉴频器启动进入工作状态。4.5MHz滤波器CF101从IC101⑨输出的视频信号中取出4.5MHz第二伴音中频信号,送到IC101(11)进行放大和鉴频,解调出音频信号,从IC101⑥输出,送到Q206(b),经Q206、Q207放大后,由C231耦合送到IC104(28)。IC101⑦外接C128、R125组成的去耦电路,对伴音信号中的高频成份进行去耦。IC101⑧外接C129为去加重电容,用于衰减音频信号中的高频分量,恢复调制信号的频谱关系。
IC104不仅对6.5MHz、6.0MHz和5.5MHz的第二伴音中频信号和丽音中频信号进行解调,还用于多路开关控制,对输入IC104(25)的中频信号和输入IC104(28)的音频信号进行切换控制。
当选择IC104(25)的中频信号时,要通过微处理器QA01(40)、(41)的IC总线对一般中频解调电路和丽音中频解调电路进行开、关控制。
IC104内部的丽音解调电路,6.5MHz、6.0MHz和5.5MHz伴音中额信号解调电路解调出的音频信号和比104(28)输入的音频信号全部送到IC104内部的多路开关电路;经控制后,从ICl04(47)、(48)输出。IC104(47)输出L通道信号,加到Q209(b),经放大后送到AV/TV切换开关电路QY01⑧;IC104(48)输出R通道信号,加到Q208(b),经放大后送到QV01⑥。当微处理器无IC总线控制信号送到图象中频信号处理组件时,该组件不仅不能进入正常工作状态,整机还会出现某些功能失效现象。反之,该组件若存在故障不能进入正常工作状态,也会影响微处理器正常工作,使微处理器某些功能失效。在TV状态,当屏幕无噪点、不能接收射频电视信号,同时本机键功能部分失控时,故障可能在图象中频信号处理组件。一般采用检查其直流工作电压、数据总线信号、有无视叛信号和音频信号输出的方法判断是否存在故障。
3.TV/AV切换开关电路
TV/AV 切换开关电路:QV01(TAl218N)用于选择信号 [Page]

。TAl218N采用IC总线控制,各引脚功能

TV/AV切换开关电路QV0l的输入/输 出情况如下: 
第一组由天线接收的电视信号,经主高频头H001、主中放H002处理后输出视频信号(TV—V),经QV03、QV04、QV05、QV06放大,CV02耦合,送至⑦,音频信号TV—L、TV—R经CS01、CS02耦合,分别送至⑤、⑥。 
第二组由天线接收的电视信号,经副高频头、副中放HY02处理后输出视频信号(TV2—V),经CV03耦合,送至⑩,音频信号(TV2—L)经CS03耦合,送至⑧。 
第三组输入信号(AV1)是从第一组AV插孔输入的色度信号(CS1),经CV05耦合,送至(14),亮度信号(YSl)或视频信号(VS1)经CV04耦合,送至(12)。音频信号(LS1)、(RS1)经CS05、CS06耦合,分别送至(11)、(13)。 
第四组输入信号(AV2)是从第二组AV插孔输入的视频信号,经CV09耦合,送至(28),音频信号经CS09、CS15耦合,分别送至(29)、(31)。 
第五组输入信号(AV3)来自两处:一处来自电视机前面的S端子、视频全电视信号插孔和音频插孔;另一处来自电视机背后的第三组AV插孔。这两处S端子的色度信号(CS2)经CV35耦合,送至(18),亮度信号或视频信号(SS2)经CV06耦合,送至(16),音频信号RS2、LS2经CS08、CS07耦合,分别送至(17)、(15)。上述两处信号不能同时输入。 
(38)为视频信号输出端1。从⑦、⑩、(12)、(16)、(28)输入的视频信号经视频输入切换开关选择后从(38)输出。其中一路经QVl3缓冲放大后送至监示器插孔;另一路经接插件PV11B(28)送至梳状滤波器,进行Y/C分离,分离出的Y、C信号送回(30)、(32),以备切换。 
(42)为视按信号输出端2。从⑦、⑩、(12)、(16)、(28)输入的视频信号经开关切换后,从(42)输出, 送至PIP电路。 
从(12)、(14)输入的AV1Y/C信号,从(16)、(18)输入的AV3Y/C信号,以及从(30)、(32)输入的Y/C信号,经Y/C输出切换开关选择后从(34) 输出C信号,从(36)输出Y信号。它们作为主画 面的Y/C信号(AV—Y、AV—C)送至信号板上 的Q501。若接收的是SECAM制信号,则(34)输 出C信号,送至QQ01(TAl229N)进行 SECAM解码。 
(39)、(40)、(35)、(37)、②、①为音频信号输出端。从⑤、⑧、,(11)、(15)、(29)输入的音频L信号,经开关切换后、一路从(37)输出,送至主画面的伴音处理电路,另一路作为PIP伴音信号从①输出,经放大后,送到PIP耳机。 
⑥、⑨、(13)、(17)、(31)输入的音频R信号经开关切换后,从(35)输出,送至主画面的伴音处理电路。 
(39)、(40)为TV音频R、L信号强制输出端,该机未用。输出端②也未用。 
QV01同时选择某一路视频信号从④输出,经CV01耦合,又从③输入同步分离电路,经同步分离后产生的同步信号从(26)输出,送至CPU(36),用于小画面的同步稳定。
(20)输出的高低电平用于控制SECAM制的色带通滤波器的通、断。当接收PAL/NTSC制信号时,(20)为低电平,Q510截止,C521、L504组成的色带通滤波器断开。当接收SECAM制信号时,(20)为高电平,Q510饱和导通,色带通滤波器接通。 
在判断QV01有无故障时,只要其直流工作电压正常,输入端有正确的视频信号、亮度信号、色度信号,输出端有视频全电视信号,就可判定为无故障。
4.数字梳状滤波Y/C分离电路
NC—6机芯采用东芝公司的数字梳状滤波器TC9090N/F。TC9090N(QZ01)为双列直插式,TC9090F为贴片式。它可对NTSC和多种PAL制信号进行三行延迟数字亮/色分离。其电路 
 
 
,QZ01的各脚功能
 
 
QV01(38)输出的复合视频信号由接插件PQ01⑥送至COMB/SECAM板,经LZ01、CZ09、CZ10、CZ11组成的低通滤波器滤除高频噪声后,输入QZ01③。其视频信号经A/D转换成8bit的数字信号,经动态梳状滤波器滤波后,将8Bitt的复合视频数字信号分离成8bit数字亮度信号Y和8bit数字色度信号C,再分别送至亮度信号和色度信号D/A转换电路进行数模转换,从QZ01(25)输出模拟亮度信号Y,从QZ01(23)输出模拟色度信号C。 [Page]
QZ01(25)输出的亮度信号Y经射随器QZ03缓冲放大,LZ07、CZ35、CZ34组成的低通滤波器滤除高频噪波后,输入QZ02(MM1031X5)④,经6dB放大后,从QZ02①输出,经接插件PQ01②送至QV01(30)。 
QZ01(23)输出的色度信号C经射随器QZ04缓冲放大,LZ06、CZ32、CZ33组成的低通滤波器滤波,QZ05、QZ06放大后,经PQ01④送至QV01(32)。
Q501①输出的色副载波信号Fsc经Q502缓冲放大,接插件PQ01⑧,输入QZ01(19),由锁相环VCO电路及4Fsc开关控制电路产生4Fsc时钟信号,供QZ01内各部分电路使用。 在PAL制,时钟信号频率为17.72MHz;在NTSC制,为14.32MHz。
数字梳状滤波器正常工作的前提条件是:IC总线数据传输正常,外部电路提供的直流工作电压正常,Q501①送到数字梳状滤波器的色副载波脉冲信号正常,QV01送到数字梳状滤波器的视频信号正常。因此,当电视机出现无彩色故障时,仅用示波器观察数字梳状滤波器输出的色度信号不正常,就判定数字梳状滤波器存在故障是不正确的,而应当首先检查Q501组成的PAL/NTSC制色度信号解调电路。 
5.色度信号解调和亮度信号处理电路 
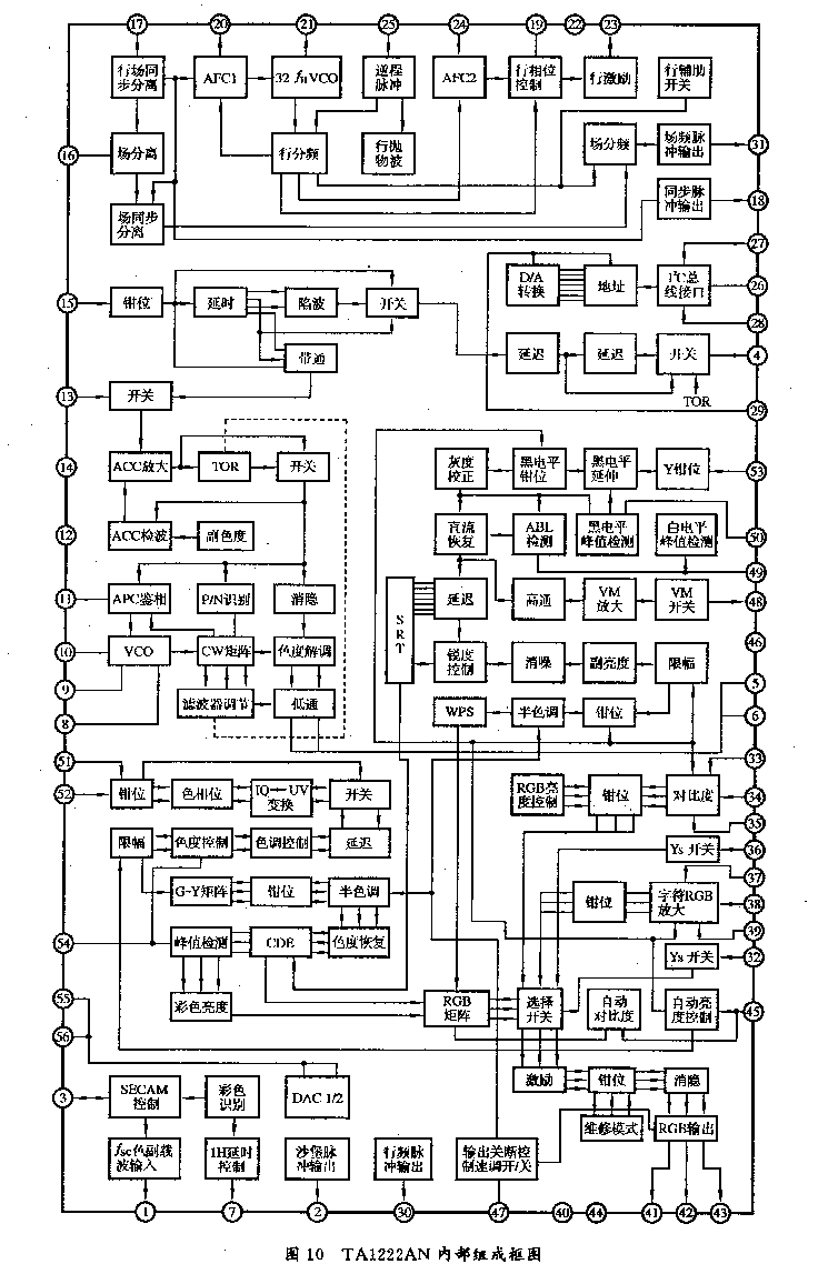
色度信号解调和亮度信号处理电路用于从色度信号中解调出R—Y、B—Y色差信号,再与Y信号合成三基色信号。它主要由Q501(TA1222AN)、QQ01(TA1229N)和QQ02(TA8772AN)等组成。 
TA1222AN是日本东芝公司1997年推出的彩电专用集成电路,用于多制式视额、色度、偏转信号的处理。该电路在IC总线控制下可处理3.58/4.43MHz彩色副载波,以及自动识别50/60Hz场频。其视频信号处理功能有:图象水平轮廓校正,黑电平延伸,黑电平钳位,对比度及亮度控制,内部消隐,扫描速度调制信号的产生及控制。其色度信号处理功能有:自动彩色制式识别,自动色副载波识别,PAL/NTSC制解码,R、G、B解码输出,色饱和度及色调控制;其行、场扫描信号处理功能有:免调整行、场振荡及脉冲分频系统,自动场频识别,双路锁相行频方波脉冲输出,沙堡脉冲形成。其图文电视接口有:R、G、B及Ys信号输入。其内部组成 
 
 
 
 
。 
(1)色度信号解调电路
PAL/NTSC、SECAM色度信号解调电路由Q501、QQ01组成, 
 
 
。
有色度信号输入时,Q501内部的制式识别电路对输入的色度信号制式进行自动识别,其识别结果信号分两路输出;一路从Q501③输出,送到QQ01⑤,控制QQ01内部的SECAM色度信号解调电路;另一路送到Q501内部的A/D转换器,转换成数据信号,然后通过编码形成微处理器能够识别的数据信号,再通过数据总线送到微处理器,形成控制指令信号,通过数据总线送到相关电路,使之进入工作状态。如果接收的是PAL/NTSC制信号,则微处理器从Q501接收到的是SECAM制解调电路停止工作,PAL/NTSC制色度信号解调电路进入工作状态的指令,经微处理器处理后再通过数据总线发出如下指令: 
——向QQ01发出SECAM制色度信号停止工作的指令; ——向QV01发出指令,使QV01(38)输出视频信号,(34)输出色度信号,(36)输出亮度信号; 
——向Q501发出PAL/NTSC制色度信号解调电路进入工作状态的指令,使Q501从PAL/NTSC制信号中解调出色度信号。如果Q501内部的色度信号解调电路工作不正常或无色度信号送到Q501,Q501便通过数据总线向微处理器传送色度信号解调电路未进入工作状态的信息,微处理器再将此信息传送到QV01,使QV01(34)输出的不再是纯亮度信号,而是全电视信号。因此,在电视机出现无彩色故障时,如果测量QV01(34)、(36)输出的是视频信号,则不能就此判定QV01存在故障,其无彩色故障应当在色度信号解调电路或数字梳状滤波器组件中。 
(2)PAL/NTSC制信号解调 
该电路由Q501⑧、⑩、(11)外接元件及其内部相关电路组成。⑧外接晶体振荡器X503,电容C507、C519与Q501内部相关电路构成PAL副载波恢复电路的谐振电路,其谐振频率为4.43MHz.⑩外接晶体振荡器X501,电容C505、C517与Q501内部相关电路构成NTSC副载波恢复电路的谐振电路,其谐振频率为3.58MHz。(11)外接R501、C512、C514构成Q501内部PAL/NTSC解调电路的APC滤波电路,APC电路检测出的误差电压经该滤波电路滤波后,输出平滑的直流电压,送到压控振荡器(VCO),使其稳定在4.43MHz或3.58MHz振荡频率上。 [Page]
当电视机接收PAL/N了SC制信号时,QV01(34)输出的色度信号送到Q503(b),经放大后从其(e)输出,经C501耦合,送到Q501(13),首先进入开关电路(参见图10),经开关电路控制后,再送到色度带通放大器进行放大。色度带通放大器的增益受Q501内部自动色度(ACC)控制电路的控制。放大后的色度信号分成两路:一路直接送到色度信号解调电路;另一路经Q501内部的电子延迟电路延迟放大后,送到选通电路,再由选通电路送到色度信号解调电路。选通电路的工作状态受Q501内部PAL/NTSC制识别电路控制。当接收PAl制信号时,识别电路向选通电路发出进入工作状态的控制信号,使选通电路进入导通状态,这时送到色度信号解调电路的信号由直通信号和延迟信号组成。当接收NTSC制信号时,识别电路向选通电路发出关断控制信号,选通电路进入裁止状态不工作,这时NTSC制色度信号解调电路接收到的只是带通放大器输出的直通色度信号。 
色度带通放大器放大后的色度信号还同时送到自动色度控制(ACC)电路、PAL/NTSC制识别电路和自动相位控制(APC)电路。ACC电路对色同步信号幅度进行检测,控制色度带通放大器的增益,使其输出幅度稳定在色度信号解调电路的要求以内。PAL/NTSC制识别电路对输入的色度信号进行制式识别。其输入信号一路来自载波矩阵开关电路,另一路来自色度带通放大器。其识别结果信号送到相关电路,启动相关电路进入工作状态,对输入的色度信号进行解调。APC电路的输入信号一路来自色同步选通电路输出的色同步信号,另一路来自副载波恢复电路产生的副载波振荡脉冲信号。这两路信号在APC电路中进行频率和相位比较,输出误差电压,经Q501(11)外接滤波电路平滑滤波后,送到压控振荡器(VCO),控制压控振荡器的频率和相位与色同步信号的频率和相位相同。 
压控振荡器产生的色副载波信号,经载波矩阵电路送到色度解调电路,从色度信号中解调出R一Y、B—Y色差信号,送到低通滤波电路,滤除色差信号中的高频载波脉冲信号,从Q501⑤、⑥输出,送到QQ01(12)、(13)内部的B—Y、R—Y开关控制电路。
(3)SECAM色度信号解调电路
SECAM色度信号解调电路QQ01(TA1229N)主要由色度自动控制电路、钟形滤波器、限幅放大器、R—Y和B—Y鉴频、SECAM制式识别、R—Y和B—Y去加重、PAL/NTSC(B—Y/R一Y)与SECAM(B—Y/R一Y)开关等组成, 
 
 
,各引脚功能
 
 
。 
QQ01的工作状态受微处理器QA01控制。QA01通过数据总线向QQ01发出控制指令,QQ01内部的译码器对来自QA0l的数据信号进行解码,启动相关电路进入工作状态。 
QQ01(24)输入的SECAM信号来自QV01(34),QQ01(24)外接CQ01、CQ02、CQ03、LQ01组成的带通电路预选出SECAM色度信号,送到色度放大电路进行放大,其增益受自动色度电路控制。经放大后的色度信号送到钟形滤波器,对SECAM色度信号进行精选。钟形滤波器的工作状态受QA01控制。QQ01(21)为钟形滤波器输出信号监测端,用示波器可直接在该脚测到钟形滤波器输出的SECAM色度信号波形。利用遥控器对钟形滤波器的工作状态进行调整,可使钟形滤波器工作在最佳工作状态。钟形滤波器精选出的色度信号送到限幅放大器,在切除寄生调幅后进入制式识别电路,进行制式识别,并启动内部相关电路进入工作状态。QQ01对SECAM色度信号的解调由QQ01内部相关电路进行。该电路一经设计定型,其外部无任何可调整元件。QQ01中B—Y和R—Y鉴频电路的鉴频特性调整全部由遥控器进行。QQ01能否从输入的SECAM色度信号中解调出色差信号,不仅取决于QQ01的性能,还取决于QA01对QQ01的控制是否正常,其判断方法是:接收SECAM彩色电视信号,用示波器测量QQ01(21)和Q501(51)、(52)波形,在用遥控器调整SECAM解调电路的工作过程中,若QQ01(21)、Q501(51)、(52)波形发生变化,则可判定QA01对QQ01的控制是正常的。 [Page]
在维修过程中,若用新的存贮器替换原存贮器,QQ01原有的正常工作状态数据便自动消失。要使QQ01进入正常工作状态,从输入的SECAM色度信号中解调出色差信号,必须用遥控器对QQ01重新进行调整。 QQ01解调出的R—Y、B—Y色差信号由QQ01内部的去加重电路去加重后,直接送到B—Y和R—Y开关电路,对PAL/NTSC和SECAM色差信号进行切换控制。当电视机接收SECAM信号时,B—Y和R—Y开关接通SECAM色差信号输入通道。当电视机接收PAL/NTSC信号时,B—Y和R—Y开关接通PAL/NTSC色差信号输入通道。Q501⑤、⑥输出的PAL/NTSC色差信号输入QQ0l(12)、(13)中的B—Y和R—Y开关电路,经R—Y和B—Y开关控制后的SECAM、PAL/NTSC色差信号从QQ01⑩、(11)输出,送到基带延迟电路QQ02(26)、(27)。 
(4)基带延迟电路 
基带延迟电路QQ02(TA8772AN)主要用于PAL/NTSC、SECAM色差信号的延迟处理和色差信号的自动校准,其工作状态不受QA01输出的数据总线信号控制,而只受Q501②、⑦输出的开关脉冲和延迟控制信号控制,参见图11,各引脚功能 
 
 
。 
QQ02①外接的电容CQl9对R—Y色差信号进行钳位,恢复R—Y色差信号的直流分量。④外接电容CQ20为AGC滤波电容,改变CQ20的电容量可改变AGC的响应时间。⑦输入的沙堡脉冲来自Q501②,用于控制QQ02内部时钟振荡电路的振荡频率和相位。⑧外接电容CQ24用于控制B—Y滤波时间常数,改变CQ24的电容量可调整AGC的响应时间。⑨外接RG08、CQ26、CQ25组成的PLL双时间常数滤波网络,QQ02内部压控振荡器VCO产生的时钟脉冲信号经分频器分频后。与QQ02⑦输入的沙堡脉冲进行频率和相位比较,产生误差电压,该电压经⑨外接滤波网络滤波平滑后,产生的直流电压控制VCO的频率和相位;⑨的外接元件若有故障,VCO的振荡频率和相位便不稳定,QQ02就不能正常工作,电视机便无彩色。(24)、(25)控制QQ02的工作状态,其控制信号来自Q501⑦。当(24)、(25)为低电乎0V时,QQ02处于NTSC工作状态,对输入的色差信号进行梳状滤波;当(24)、(25)为高电平8V时,QQ02处于PAL工作状态,对输入的PAL色差信号进行延迟处理;当(24)、(25)电压为4V时,QQ02处于SECAM工作状态,对输入的SECAM色差信号进行存贮复用处理。(28)外接CQ32为钳位电 容,用于恢复B—Y色差信号的直流分量。
QQ01⑩输出的PAL±(B-Y)色差信号经电容CQ34耦合,送到QQ02(26),经钳位放大后分成两路输出:一路直接送到PAL±(B-Y)色差信号加法器;另一路从QQ02③输出,经电容CQ28耦合,送到QQ02(13)内部的1H延迟电路。该延迟电路为电容耦合延迟电路,它在时钟脉冲信号的控制下,对输入的PAL土(B—Y)色差信号延迟64us,再送到低通滤波器,滤除色差信号中的时钟脉冲信号,从QQ02(19)输出,加到QQ03(b),经放大后,由电容CQ35耦合,送到QQ02(23)内部的PAL土(B—Y)色差信号加法器,将延迟后的PAL土(B—Y)色差信号与未延迟的PAL土(B—Y)色差信号(矢量)相加,消除两个色差信号之间的相互串扰和相位失真所产生的色调畸变,产生PAL土(B—Y)色差信号。 
QQ01(11)输出的PAL土(R—Y)色差信号经电容CQ33耦合,送到QQ02(27),经钳位放大后分成两路输出:一路直接送到PAL土(R—Y)色差信号加法器;另一路从QQ02②输出,经电容CQ31耦合,送到QQ02(15)内部的1H延迟电路,经1H延迟后,从QQ02(16)输出,加到QQ04(b),经放大后,由电容CQ36耦合,送到QQ02(22)内部的PAL土(R—Y)色差信号加法器,经矢量相加平均后,消除了两个色差信号之间的相互串扰和相位失真所产生的色调畸变,产生PAL±(R—Y)色差信号。 
对于NTSC制土(B-Y)、土(R—Y)色差信号,电QQ02相当于一个梳状滤波器。该信号经QQ02处理后,可有效地消除相邻色差信号之间的串扰,使彩色更加纯净逼真。 
当接收SECAM信号时,QQ02内部的SECAM色差信号处理电路进入工作状态,QQ02内部的直通信号通道被关闭。从QQ01⑩、(11)输出的SECAM土(R—Y)和土(B—Y)色差信号并不是同时到达QQ02(26)、(27),而是依照时间间隔1H的顺序到达(26)、(27)。这两个色差信号进入QQ02内部的1H延迟电路后,将上一行色差信号存贮1H时间,然后将这一行色差信号使用一次并存贮下来,再将下一行色差信号使用一次,这样,每行色差信号使用两次,就将两个顺序传送的色差信号变成同时 传送的色差信号,在同一时间内产生SECAM土(R—Y)、土(B—Y)色差信号。[Page]
(5)色差信号处理和矩阵变换电路
该电路由Q501内部相关电路组成,参见图10。
QQ02(29)、(30)输出的R—Y和B—Y色差信号经C503、C505耦合,送到Q501(51)、(52),首先进入钳位电路进行钳位,恢复因交流耦合失去的直流分量,然后分为两路输出:一路直接送到开关电路;另一路送到色相调整电路;经调整控制后送到IQ—UV变换电路,变换后的信号送到开关电路,经开关控制后再送到延迟电路,对色差信号进行延迟,使色差信号与亮度信号在时间上保持一致。延迟后的色差信号经色调、色度等电路控制后,送到G—Y矩阵电路,产生G—Y色差信号,与R—Y、B—Y色差信号一起送到钳位电路钳位,再经色调、色饱和度、亮度等电路处理后送到R、G、B矩阵电路。亮度信号处理电路输出的亮度信号也同时送到R、G、B矩阵电路R—Y、.B—Y、G—Y和Y信号在矩阵电路中进行矩阵变换,产生R、G、B基色信号,经放大后送到主画面、子画面、字符基色信号混合电路。外接电容C504对Q501内部峰值检波器检出的色度、亮度信号幅度进行滤波,产生的直流电压加到色度控制电路,对色饱和度进行自动调整。由于C504只对色饱和度有影响,因此C504开路后不会造成无彩色的故障。 
字符基色信号输入Q501(37)、(38)、(39),经放大后送到钳位电路钳位,再送到主画面;子画面、字符基色信号放大电路。 
子画面基色信号输入Q501(33)、(34)、(35),经对比度电路控制和钳位电路钳位后,再送到主画面、子画面、字符基色信号混合放大电路,经选择开关选择后,一起送到基色信号激励电路,经预放大后送到钳位电路钳位,然后送到消隐电路进行消隐,再送到基色信号输出电路,经放大后的基色信号从Q501(41)、(42)、(43)输出,送到末级高放电路进行功率放大。钳位电路的工作状态受维修模式控制。维修模式分别对基色信号通道进行控制,使其处于关闭或开启状态,形成单色光栅,为整机白平衡调整带来极大方便。进入维修模式的方法是:先按遥控器消音键一次,再同时按遥控器上消音键和本机菜单键,当屏幕出现“S”字样时,表明电视机进入维修模式,即可进行白平衡调整.若要电视机退出维修模式,则用遥控器关机一次。 
在彩色解调电路中,色度控制调整、色调调整以及副色度、副色调等的调整是通过数据总线进行的。如果电视机色度、色调等部分功能失效,故障一定在Q501内部的色度信号解调电路,更换Q501后故障即可排除。 
(6)亮度信号、黑电平延伸、VM信号处理电路 
该电路也由Q501内部相关电路组成,参见图10。
QV01(36)输出的亮度信号(PAL/NTSC)经Q205放大、C201耦合,送到Q5Q1(15),首先进入钳位电路进行钳位,以补偿交流耦合造成的直流分量损失,然后送到延迟。电路,经延迟处理后再送到低通滤波器和副载波陷波电路,经处理后送到开关电路,经选择后再次送到延迟电路,将延迟信号和直通信号叠加,产生勾边效应,以提高图象的清晰度。经延迟处理后的亮度信号还从Q501④输出,经C203耦合,返回Q501(53),首先送到钳位电路进行钳位,然后送到黑电平延伸电路进行黑电平延伸,以提高图象的对比度,再送到灰度校正电路进行灰度校正,以增加图象的层次感。灰度校正后的亮度信号分三路输出:第一路送到黑电平峰值检测电路,检测出的黑电平峰值信号经Q501(50)外接C204滤波,产生平滑的直流电压,送到钳位电路,以调整钳位电路的工作状态;第二路送别ABL检测电路,检测出的信号经Q501(49)外接C205滤波,产生平滑的直流电压,用于自动调整图象信号的亮度;第三路送到直流分量恢复电路,恢复后的亮度信号又分两路输出:一路送到由高通滤波器,VM放大、VM开关电路组成的扫描速度调制信号形成电路,产生扫描速度调制信号,从Q501(48)输出;另一路送到锐度校正电路进行校正,然后经消噪、副亮度控制、钳位等电路处理后送到R、G、B基色矩阵电路,与R—Y、B—Y、G—Y色差信号进行短阵变换,产生R、G、B基色信号。 [Page]
Q501组成的亮度信号处理电路外围元件很少,对亮度信号的处理基本上由内部电路完成。亮度、副亮度、对比度等的调整由数据总线控制。因此,如果电视机出现亮度信号丢失,Q501(15)有亮度信号输入,但④无亮度信号输出,或者Q501(53)有亮度信号输入,(51)、(52)有色度信号输入,但(41)、(42)、(43)无R、G、B基色信号输出,则故障在Q501
