NC-3开关电源也是目前各类电源中电路最复杂的一种。它由许多分立元件组成,其中有三极管22只,二极管20多只,光电耦合器2只,稳压集成块2只,取样放放大器组件1只,电阻、电容器就更多了。
NC-3机心开关电源是由日本东芝公司开发的。我国采用NC-3机心开关电源的彩电有长虹C2919系列、C2939系列和C3418等。北京2931H型彩电也是采用NC-3开关电源。NC-3开关电源是众多开关电源大家族中颇具有代表性的一种,有许多机型的开关电源与NC-3开关电源相似,或者是NC-3开关电源电路的简化。例如,长虹NC-2机心开关电源与NC-3开关电源的结构组成和工作原理基本相同,只是NC-2开关电源无开机限流电路。另外,行过流保护和高压限制采用的是X射线保护方式,而不是采用待机控制方式。又如A6机心开关电源是NC-3开关电源的简化,它的开关变压器初级侧的振荡、稳压、过压欠压保护、开关管过流保护和延迟导通电路皆相同,只是元件代号不同,恒流源控制的方式略有差异。另外,A6机心开关电源无工作/待机方式,它是采用继电器控制来实现遥控交流关机和无信号交流关机。因此,只要掌握了NC-3开关电源电路的基本结构和各功能电路的工作原理,与此类似的开关电源就很容易掌握了。
基本电路工作原理
如图1所示,NC-3开关电源电路可划分为五个功能区:1区为振荡稳压电路;2区为工作/待机控制电路;3区为恒流源激励电路;4区为行振荡控制电路;5区为负载过流保护电路。

需要说明的是,为了使电路图清晰而又一目了然,绘制时不求电路的完整性,只画出三极管、光电耦合器、稳压取样组件以及与陈述工作原理有关的二极管、电阻、电容等关键性元件,而把与陈述工作原理无关的电阻、电容、二极管等非关键性元件省去不画,甚至有的三极管的极外连接线路也省略。此外,开关变压器次级回路的整流滤波及稳压等大家熟悉的电路也省略不画。
  1.开关电源振荡基本条件 桥式整流输出的+300V通过开关变压器T803绕组6-1加到开关管VQ83的集电极。R828为振荡启动电阻,它在开机时为开关管VQ83提供基极电流,使VQ83导通。T803绕组9-7为振荡反馈绕组,为开关管VQ83振荡提供所需要的正反馈电压或负反馈电压,使VQ83能迅速饱和导通或截止。C820是振荡时的充放电电容器。
  2.正常工作状态 正常工作状态包括电源的自激振荡、稳压控制和开关管恒流激励。机器正常工作时,CPU(DQA1) 脚输出0V低电平,经插接件XPA7A(131)端加至VQ836基极,使VQ836饱和导通,继而使VQ831和VQ842导通,VQ841截止,VQ828随之截止,对NQ826不产生影响,即待机控制电路不影响常规稳压电路,开关电源工作在正常稳压工作状态。此外,开关变压器T803次级分别输出115V、24.5V、18V、16V、10V等各路电压,相应电路开始工作。
脚输出0V低电平,经插接件XPA7A(131)端加至VQ836基极,使VQ836饱和导通,继而使VQ831和VQ842导通,VQ841截止,VQ828随之截止,对NQ826不产生影响,即待机控制电路不影响常规稳压电路,开关电源工作在正常稳压工作状态。此外,开关变压器T803次级分别输出115V、24.5V、18V、16V、10V等各路电压,相应电路开始工作。
  VQ836导通时,使VQ834导通,VQ871截止,VQ870饱和导通,发射极输出10VH·VCC电压,行扫描系统正常工作。
  稳压过程如下:当变压器输出的电压由115V升高时,使误差取样放大器VQ87①端(即内部三极管基极上偏置电阻)电压升高,②端(内部三极管集电极)电压下降,NQ826导通程度增加,VQ824、VQ822导通程度增加,VQ822对VQ83基极的分流作用增加,VQ83提前截止,导通的脉冲宽度变窄,使输出电压下降,从而维持115V基本不变。输出电压由115V下降时的稳压过程与之相反,不再赘述。
  为了适应~220V大范围的变化,提高输出电压的稳定性,开关管VQ83采用恒流源激励。图1中3区的NQ829、VQ839和VQ840组成恒流激励控制电路。在待机状态时,这三只管子均处于导通状态,C821上的电压被短路,恒流源停止工作。在正常工作时,由于VQ836饱和导通,VQ834也饱和导通,使其集电极变为低电平,所以NQ829、VQ839、VQ840均处于截止状态,对恒流激励无影响。恒流源的工作原理是:在开关管截止期间,T803绕组8正7负的脉冲电压通过VD820向C821充电至6V。VQ83导通时,T803上的脉冲电压为7正8负,VD820截止,T8039正8负的脉冲电压给VQ820基极加上正脉冲偏压使其导通。C821上的电压通过R822和VQ820向VQ83基极注入不受交流电压影响的恒定直流,以实现超宽电源(交流90~270V)供电。[Page]
  3.待机状态 接通电源,开关电源便进入待机状态。另外,CPU(DQA1)接收遥控器待机指令后,开关电源由正常工作状态进入待机状态。待机状态时,开关电源工作于低频间歇振荡,各路输出电压均降低一半左右,此时稳压取样组件VQ87截止而参与工作。同时恒流源断开,行扫描系统也停止工作。
  待机时,CPU(DQA1) 脚输出5V高电平,经插接件加至VQ836基极,使VQ836截止,VQ836集电极无5V输出,导致VQ831截止。VQ831截止后,VQ842的基极电位将随着开关电源的+24.5V电压的变化而变化。VQ841、VQ842构成差动放大器,VQ841基极加有固定偏压(由稳压+5V分压得到),所以,VQ841、VQ842就随着开关电源输出电压的升降而轮流导通。当24.5V输出电压上升时,VQ842基极电位上升,当VQ842基极电位高于VQ841基极电位时,VQ842截止,VQ841导通,VQ828、NQ826、VQ824、VQ822相继导通,VQ83因其基极电流被旁路而截止,振荡电路停止振荡。停振后24.5V输出电压下降,当VQ842基极电位下降到低于VQ841的基极电位时,VQ842导通、VQ841截止,VQ828、NQ826、VQ824、VQ822相继截止,VQ83导通,开关电源重新自激振荡。上述过程周而复始,便产生低频间歇振荡。待机状态+24.5V输出降为+10V,经NQ85(图中未画)稳压器稳压,从其④端输出+5V电压,为CPU提供+5V工作电源,维持微处理器正常工作。同时也为VQ841、VQ842组成的差动放大器提供待机状态时所必需的+5V电压,保证VQ841加有固定偏压。
脚输出5V高电平,经插接件加至VQ836基极,使VQ836截止,VQ836集电极无5V输出,导致VQ831截止。VQ831截止后,VQ842的基极电位将随着开关电源的+24.5V电压的变化而变化。VQ841、VQ842构成差动放大器,VQ841基极加有固定偏压(由稳压+5V分压得到),所以,VQ841、VQ842就随着开关电源输出电压的升降而轮流导通。当24.5V输出电压上升时,VQ842基极电位上升,当VQ842基极电位高于VQ841基极电位时,VQ842截止,VQ841导通,VQ828、NQ826、VQ824、VQ822相继导通,VQ83因其基极电流被旁路而截止,振荡电路停止振荡。停振后24.5V输出电压下降,当VQ842基极电位下降到低于VQ841的基极电位时,VQ842导通、VQ841截止,VQ828、NQ826、VQ824、VQ822相继截止,VQ83导通,开关电源重新自激振荡。上述过程周而复始,便产生低频间歇振荡。待机状态+24.5V输出降为+10V,经NQ85(图中未画)稳压器稳压,从其④端输出+5V电压,为CPU提供+5V工作电源,维持微处理器正常工作。同时也为VQ841、VQ842组成的差动放大器提供待机状态时所必需的+5V电压,保证VQ841加有固定偏压。
  待机状态时,VQ834截止,集电极输出高电平,NQ829导通,VQ839、VQ840相继导通,C821上的电压(即恒流源工作电源)被短路,恒流激励电路失去供电而停止工作,不能向开关管VQ83基极注入恒定的基流,保证电源工作在轻负荷状态。
  待机状态时,CPU(DQA1) 脚输出高电压,VQ836和VQ834相继截止,VQ871导通,VQ870截止,其射极不能输出电压,行振荡电路失去供电而停振,行扫描系统停止工作。
脚输出高电压,VQ836和VQ834相继截止,VQ871导通,VQ870截止,其射极不能输出电压,行振荡电路失去供电而停振,行扫描系统停止工作。
保护电路工作原理
  1.开关管延迟导通控制原理 开关管截止时,开关变压器绕组6-1与并联的电容会构成谐振电路产生脉冲高电压,若VQ83在此时导通极易损坏,故该机设有图2所示的由T803绕组8-7、VD834、C834、VQ821组成的延迟电路,使高压脉冲过后VQ83再导通。其延迟导通原理为:在VQ83截止期间,T803绕组8-7上的脉冲电压经VD834对C834充电,并经VQ821的发射结放电使其导通,因此时VQ83基极电流被旁路而不能导通。随着C834放电电流减小使VQ821截止时,高压脉冲已经过去,这时VQ83导通,保护VQ83不致损坏。
  2.过压保护原理 参看图2,当输入电源交流电压过高或开关电源稳压系统失灵时,开关电源输出电压升高,T803绕组8-7上的脉冲电压升高,经VD820对C821的充电电压也升高;当C821上的电压超过9V时(正常时为6V),稳压管VD821击穿使VQ821正偏,VQ821通过VQ820导通,使VQ83基流被旁路而截止,开关电源停止工作。由上述可知T803绕组8-7上的脉冲电压经VD820对C821所充电压(6V),不仅是恒流源VQ820的工作电源,同时又是过压保护管VQ821的工作电源;VQ821既是开关管延迟导通控制管,又是过压保护控制管。

3.欠压保护原理 参看图3。当交流输入电压低于90V时,经桥整流的+300V电压低于下限值,经R868和R869分压加到VQ832基极的电压相应降低,引起VQ832导通,进而引起VQ824、VQ822相继导通,使VQ83截止,达到保护目的。

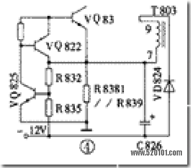
4.开关管过流保护原理 参看图4。当某种原因使流过开关管VQ83的电流过大时,其发射极电阻(R838//R839)上的压降将增加,经R832、R835分压后加到VQ825基极的正偏压增加,VQ825导通,从而使VQ822因基极电流增加而饱和导通,VQ83因无基极电流而载止,达到保护目的。

5.开机限流原理 参看图5。由于C809容量较大(560μF),在开机瞬间有很大的冲击电流会熔断保险丝F801,故在整流电路中串入电阻R882和热敏电阻R781进行限流。刚开机时,C809上的电压尚未建立,继电器KSR82不工作,常开触点是断开着的,大电流流过时R871电阻迅速增加,限制了开机瞬间的冲击电流。当电源工作稳定后,C826两端电压使VD837击穿,进而使VQ837导通,集电极电流流过KSR82的线包而使KSR82动作,触点闭合,限流电阻被短路,电路进入正常工作。[Page]

 6.负载过流保护原理 负载过流保护包括行扫描过流保护、场扫描过流保护和高压限制(显像管束流限制)等。参看图1第5区。NC-3开关电源的负载过流保护是通过可控硅控制工作/待机控制电路使电源进入待机状态来实现的。当115V负载电流(即行扫描电流)正常时,R470两端压降较小,VQ470截止,对115V供电无影响。当行扫描输出电路过流时,在取样电阻R470上的压降较大,使VQ470导通,VD475击穿,触发VD471可控硅导通,从而导致VQ838导通,VQ836截止,于是开关电源处于待机状态,达到保护电源和行负载电路的目的。
  当场扫描输出电路有故障使+27V电源的负载电流过大时,R364上的压降增大,正常工作时截止的VQ360此时导通,VD361击穿,VD471被触发导通,导致VQ838导通,VQ836截止,使开关电源处于待机状态。
  高压限制电路取样于行输出变压器T461次级绕组7-4上的脉冲电压经整流滤波产生的16V电压。当16V电压超过一定限度时,VD474击穿,VD471被触发导通,导致VQ838导通,VQ836截止,开关电源处于待机状态。
