夏普LCD37A33液晶电视屏幕有暗光无图像的故障维修

2023-01-05 18:39:37  阅读 1302 次 评论 0 条
摘要:

接修一台夏普LCD37A33型液晶电视,屏幕有暗光,无图像,有声音,遥控键控都正常。开盖观察,背光已点亮,从现象分析电源背光、信号处理、控制系统等都正常,检修目标在上屏电压、上屏信号等屏幕正常工作条件是否

      接修一台夏普LCD37A33型液晶电视,屏幕有暗光,无图像,有声音,遥控键控都正常。开盖观察,背光已点亮,从现象分析电源背光、信号处理、控制系统等都正常,检修目标在上屏电压、上屏信号等屏幕正常工作条件是否满足。仔细观察,发现该机无逻辑板,逻辑板功能已集成在主板上。主板和屏体由2根扁线连接,屏体所需的各种电压由主板上的BD8162控制产生,扁线插座有几个脚连接于较宽的线路条,估计应是屏体供电线路(后来知道是屏15V工作电压)。查该线路连接到一个开关电源,绘出局部电路如图1所示,监测该点电压,发现开机时电压上升一下就消失了;测滤波电容两端并无短路,拔去2根扁线开机,该点电压稳定在15V,接一只50Ω假负载仍很稳定,估计问题在屏体。

夏普LCD37A33液晶电视屏幕有暗光无图像的故障维修 第1张

     屏体上方有两块线路板,结构很对称,尝试只插一根扁线开机,屏幕右边图像正常,左边白屏如图2所示。插另一根扁线开机,原来有图像的一半变为白屏,原来白屏的一半为暗屏,无图像,说明上屏电压和信号都正常,左边屏驱动电路有问题。测屏体上方对称的两条线路板滤波电容两端的电阻,发现好的一组有一只电容正向阻值为无穷大、反向阻值为15kΩ,坏的一组正向阻值为15kΩ、反向阻值为5kΩ。让好的一半屏工作,测得该电容对地电压为-6V,这应是屏体场效应管关断电压(VLOFF)。测负荷电流有40mA(确实过大,正常时仅几个毫安),尝试外加一个-6V电压后开机,15V电压正常,屏幕上有浮雕一样的模糊图像,无法收看。

夏普LCD37A33液晶电视屏幕有暗光无图像的故障维修 第2张

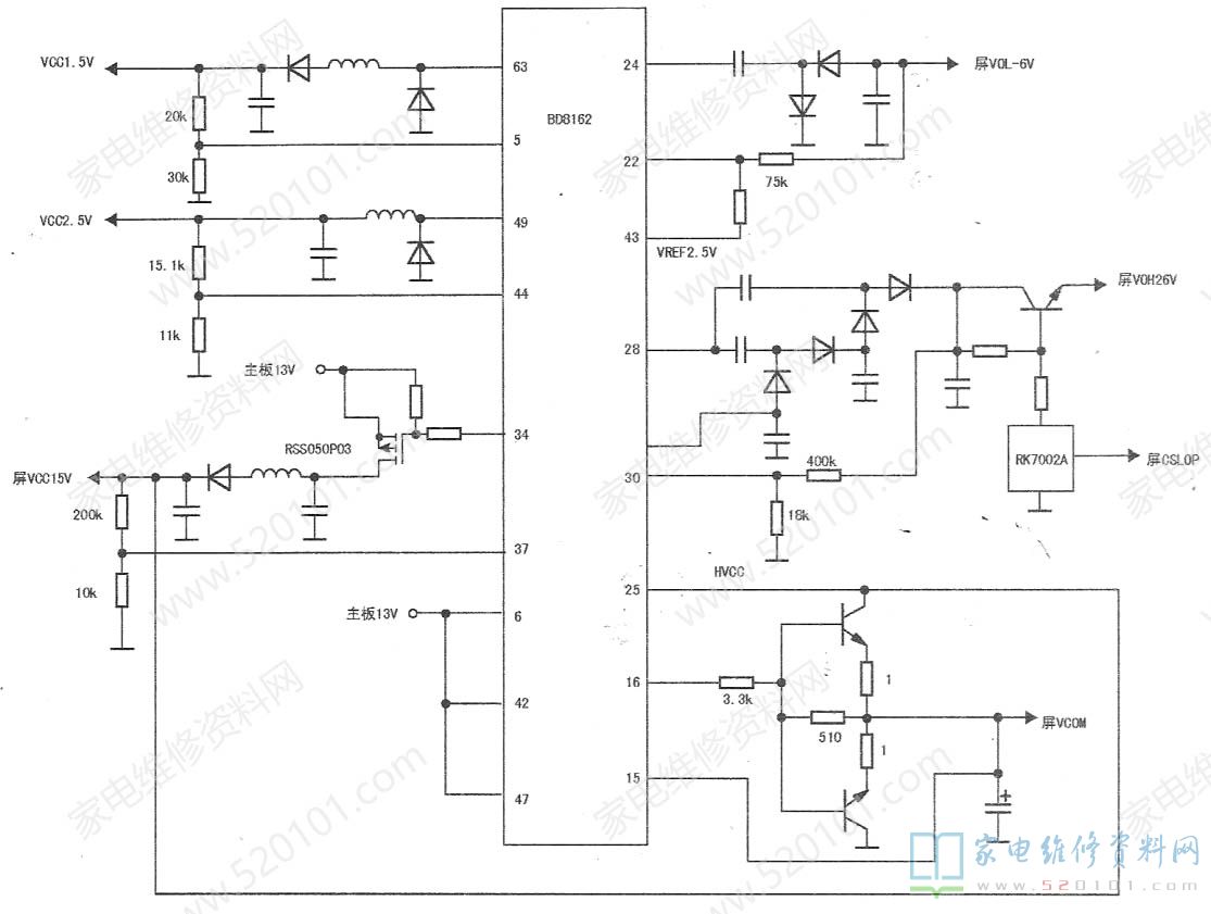
      此外,单独测屏体两边15V电压端对地电阻完全一样,外加15V电压时有一个很大的充电电流(>400mA),这应是上百万个屏体场效应管的充电电流,所以BD8162控制的15V电压产生电路功率也较大。附BD8162屏供电部分引脚外围电路如图3所示。

夏普LCD37A33液晶电视屏幕有暗光无图像的故障维修 第3张

      总结:液晶电视的屏故障概率似比CRT显像管高许多,以前修CRT电视机,使用5年以内的显像管故障率是很低的,而液晶电视屏坏似乎并不少见,而且故障现象千姿百态,无法罗列,给我们维修带来很多困难。有时花大量财力精力才最终确定屏坏了,用户一句不修了,一切努力就打了水漂,再加上有时误判也在所难免,这都加剧了液晶电视的维修难度,有请高手传授屏体检测方面的经验,以帮助我们少走弯路。
版权声明:本文为转载文章,版权归原作者所有,欢迎分享本文,转载请保留出处!