索尼KDL-32BX320液晶电视不开机的故障维修

2022-12-29 00:38:20  阅读 1050 次 评论 0 条
摘要:

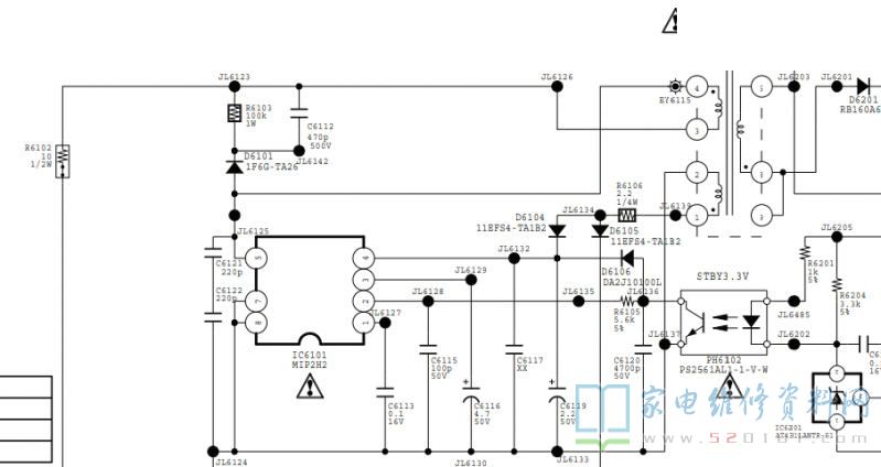
接修一台索尼KDL-32BX320液晶电视,客户说昨天电视正常使用后关机,今天开机无反应,拆机检测,电源板板号APS-283,电源板目视无明显虚焊和烧毁痕迹;测量场管,二极管等功率原件无击穿短路。插电检测,

     接修一台索尼KDL-32BX320液晶电视,客户说昨天电视正常使用后关机,今天开机无反应,拆机检测,电源板板号APS-283,电源板目视无明显虚焊和烧毁痕迹;测量场管,二极管等功率原件无击穿短路。插电检测,无3.3v待机电压,300V电压正常,锁定故障在待机电路,把电源板拆下来,对待机电路检查:MIP2H2电源芯片DS脚无明显短路,单独对电源板通电,滤波电容300v正常,MIP2H2电源芯片D极无电压,300v跑线检查,R6102电阻10欧姆开路,输入端300v正常,输出端无电压,更换相同规格电阻后开机正常显示,故障修复。

索尼KDL-32BX320液晶电视不开机的故障维修 第1张

索尼KDL-32BX320液晶电视不开机的故障维修 第2张

索尼KDL-32BX320液晶电视不开机的故障维修 第3张

版权声明:本文为转载文章,版权归原作者所有,欢迎分享本文,转载请保留出处!