接修一台飞利浦47英寸液晶彩电,开机后背光亮,灰屏(无图像、无字符显示),伴音正常。根据现象判断,主板、电源板基本正常,故障应在逻辑板或液晶屏上。拆机检查,该机采用LG、Philips公司生产的LC470WU4 (SL)(A2)液晶屏及LC470WU4-SLA1型逻辑板(板号是6870C-0120C)。
首先对电源板进行测量,输出的12V、24V电压正常。该机逻辑板采用12V供电,其格式变换芯片为R8A00014BFP,电源管理芯片为TPS65161。测量逻辑板上关键点电压,输入12V电压正常,经DC/DC电路变换后VDD为15V、VGH为26.3V、VGL为-6.5V、Vcom 为6.36V、VCC 为3.3V、VDD18 为1.8V,各点电压均正常,初步判断逻辑板无问题,故障部位应在行列驱动电路或液晶屏体上。
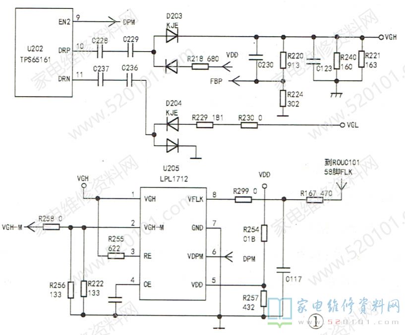
小心打开液晶屏边框,有两块电路板对称分布在液晶屏上部两侧,分别标示有L.R字样。测量其上测试点,标示“VGL"电压为-6.5V,与逻辑板上的电压一致;标示"VGH"电压为2.4V,据此怀疑逻辑板与屏体线路板之间有断线、元件失效或有接触不良现象。关机,用万用表电阻挡检测相关线路的通断,发现vGH测试点并不与逻辑板上的VGH点相连,而是与逻辑板上的vGH-M点相连。开机,测量逻辑板上VGH-M点电压也为2.4V ,看来故障应是VGH-M电压低所致。
 
       为了弄清VGH与VGH-M之间的关系,实绘出相关电路,如图1所示。测量U205(LDL1712)各脚电压如下:①脚,26.6V;②脚,2.4V;3脚,9.36V;④脚,3.56V;⑤脚(VDD端),8.5V;⑥脚,3.0V;⑦脚(地),0V;⑧脚,0.6V。因没有正常数据对照,无法确定上述测量数据是否正常。断电,对U205周边的元件进行检测,VDD电压经电阻R254及R257分压后送往U205的⑤脚,测量发现R254及R257与其标示的阻值明显不一致,R254标示“01B",即1k,测其阻值已增至4.3k;R257标示为“432”, 即4.3k,实测已增至5.6k,另外,U205的⑧脚(VFLK端)外接0Ω贴片电阻R299已开路。更换上述三只贴片电阻后开机,VGH-M电压为20.7V,此时屏幕,上图像正常,这时测U205各脚电压如下:①脚,23.7V;②脚,20.7V;③脚,6.65V;④脚,6.01V;⑤脚,12.5V ;⑥脚,3.0V;⑦脚(地),0V;⑧脚,1.97V。逻辑板上关键点电压如下:vGH为23.7V,VGH-M为20.7V,VGL为-6.04V,VDD为15.08V,VCC为3.3V。 
